电脑桌面
添加小米粒文库到电脑桌面
安装后可以在桌面快捷访问

家庭装修工程质量验收标准VIP免费

家庭装修工程质量验收标准_第1页
1/5
家庭装修工程质量验收标准_第2页
2/5
家庭装修工程质量验收标准_第3页
3/5
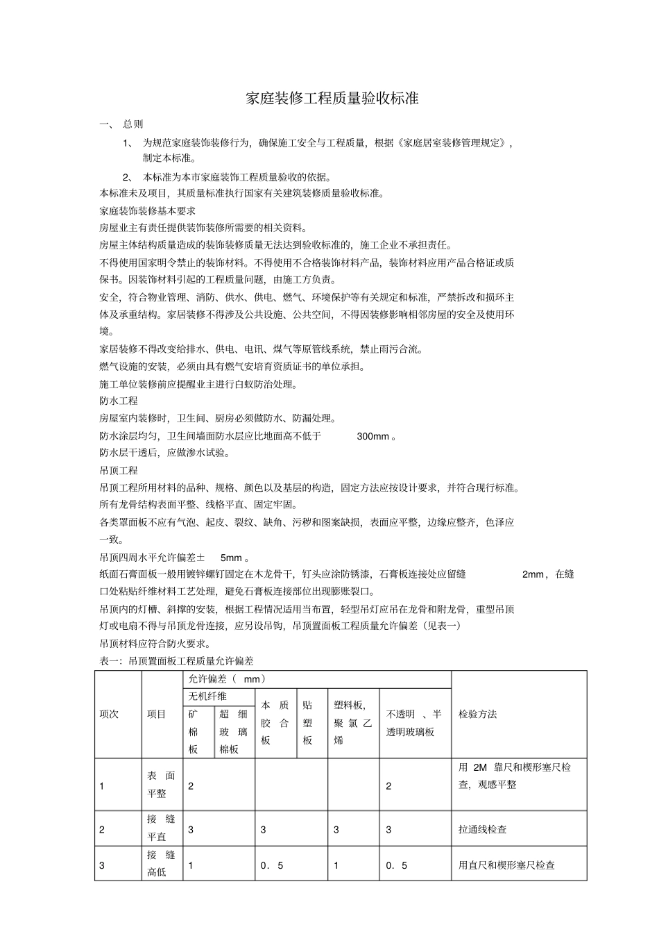
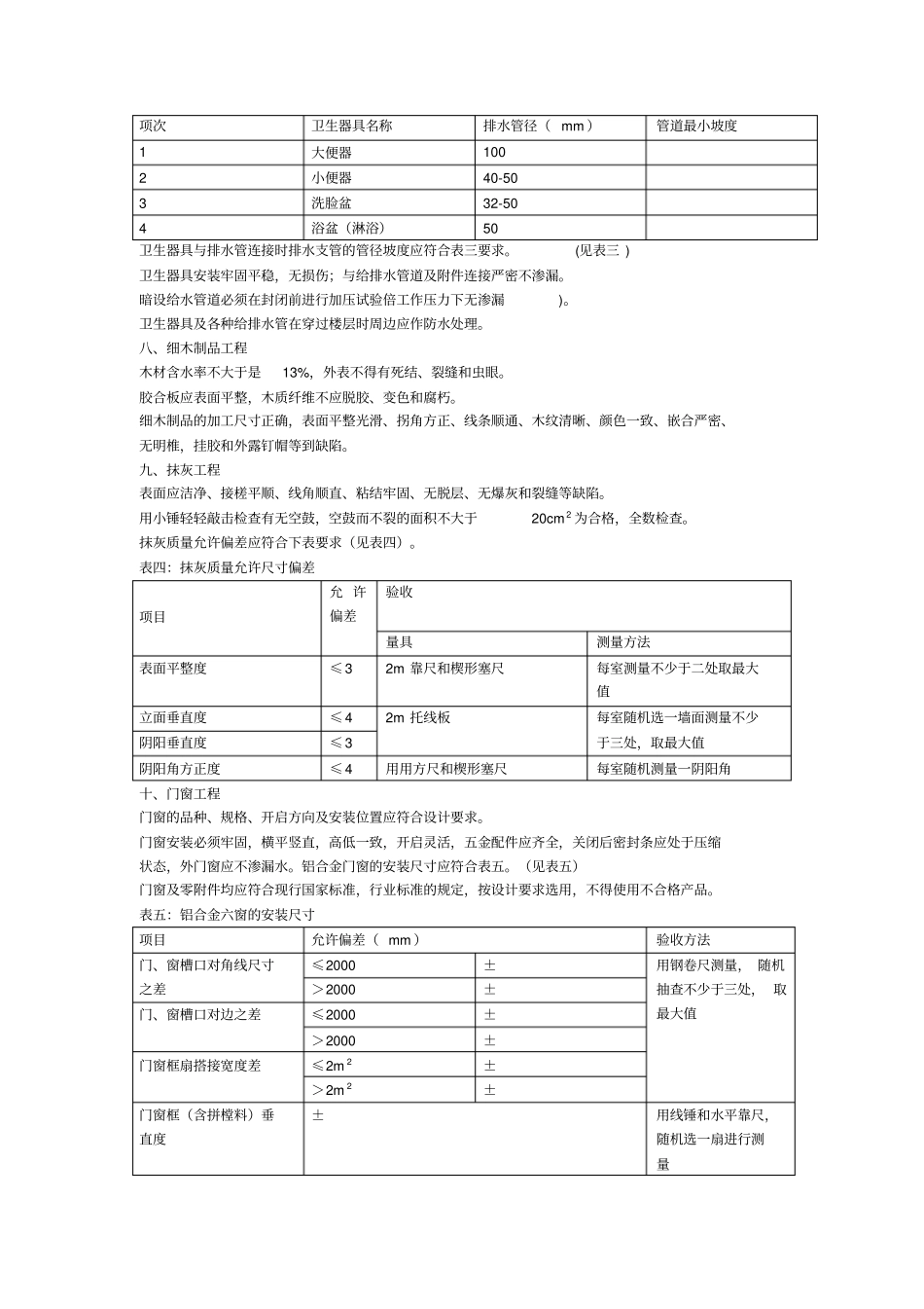
家庭装修工程质量验收标准一、 总则1、 为规范家庭装饰装修行为,确保施工安全与工程质量,根据《家庭居室装修管理规定》,制定本标准。2、 本标准为本市家庭装饰工程质量验收的依据。本标准未及项目,其质量标准执行国家有关建筑装修质量验收标准。家庭装饰装修基本要求房屋业主有责任提供装饰装修所需要的相关资料。房屋主体结构质量造成的装饰装修质量无法达到验收标准的,施工企业不承担责任。不得使用国家明令禁止的装饰材料。不得使用不合格装饰材料产品,装饰材料应用产品合格证或质保书。因装饰材料引起的工程质量问题,由施工方负责。安全,符合物业管理、消防、供水、供电、燃气、环境保护等有关规定和标准,严禁拆改和损环主体及承重结构。家居装修不得涉及公共设施、公共空间,不得因装修影响相邻房屋的安全及使用环境。家居装修不得改变给排水、供电、电讯、煤气等原管线系统,禁止雨污合流。燃气设施的安装,必须由具有燃气安培育资质证书的单位承担。施工单位装修前应提醒业主进行白蚁防治处理。防水工程房屋室内装修时,卫生间、厨房必须做防水、防漏处理。防水涂层均匀,卫生间墙面防水层应比地面高不低于300mm 。防水层干透后,应做渗水试验。吊顶工程吊顶工程所用材料的品种、规格、颜色以及基层的构造,固定方法应按设计要求,并符合现行标准。所有龙骨结构表面平整、线格平直、固定牢固。各类罩面板不应有气泡、起皮、裂纹、缺角、污秽和图案缺损,表面应平整,边缘应整齐,色泽应一致。吊顶四周水平允许偏差±5mm 。纸面石膏面板一般用镀锌螺钉固定在木龙骨干,钉头应涂防锈漆,石膏板连接处应留缝2mm,在缝口处粘贴纤维材料工艺处理,避免石膏板连接部位出现膨账裂口。吊顶内的灯槽、斜撑的安装,根据工程情况适用当布置,轻型吊灯应吊在龙骨和附龙骨,重型吊顶灯或电扇不得与吊顶龙骨连接,应另设吊钩,吊顶置面板工程质量允许偏差(见表一)吊顶材料应符合防火要求。表一:吊顶置面板工程质量允许偏差项次项目允许偏差( mm)检验方法无机纤维本质胶合板贴塑板塑料板,聚 氯 乙烯不透明 、半透明玻璃板矿棉板超细玻璃棉板1表面平整22用 2M 靠尺和楔形塞尺检查,观感平整2接缝平直3333拉通线检查3接缝高低10.510.5用直尺和楔形塞尺检查地面工程木地板的材质品种、等级和铺设时的含水率应符合国家有关标准,达到合格要求。铺设地面应做防潮处理。木搁栅、毛地板和垫木等应作防腐处理。木搁栅(地龙骨)必须安...

1、当您付费下载文档后,您只拥有了使用权限,并不意味着购买了版权,文档只能用于自身使用,不得用于其他商业用途(如 [转卖]进行直接盈利或[编辑后售卖]进行间接盈利)。
2、本站所有内容均由合作方或网友上传,本站不对文档的完整性、权威性及其观点立场正确性做任何保证或承诺!文档内容仅供研究参考,付费前请自行鉴别。
3、如文档内容存在违规,或者侵犯商业秘密、侵犯著作权等,请点击“违规举报”。

碎片内容

家庭装修工程质量验收标准

您可能关注的文档

确认删除?
VIP
微信客服
  • 扫码咨询
会员Q群
  • 会员专属群点击这里加入QQ群
客服邮箱
回到顶部