电脑桌面
添加小米粒文库到电脑桌面
安装后可以在桌面快捷访问

地下室底板抗浮锚杆施工方案VIP免费

地下室底板抗浮锚杆施工方案_第1页
1/14
地下室底板抗浮锚杆施工方案_第2页
2/14
地下室底板抗浮锚杆施工方案_第3页
3/14
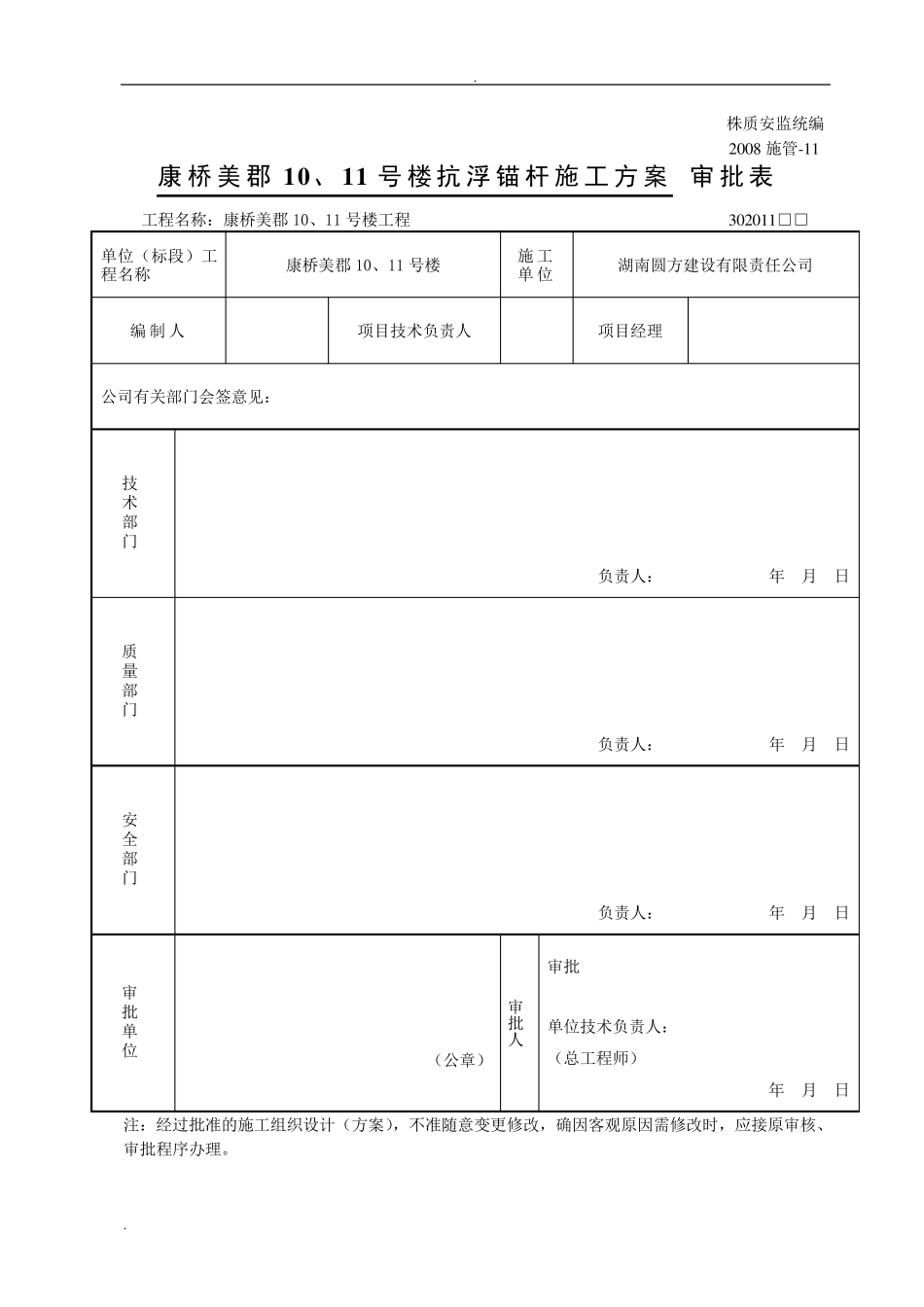
. . 湘质监统编 施2 0 1 5 -3 1 康桥美郡10、11 号楼抗浮锚杆施工方案报审表 工程名称:康桥美郡1 0 、1 1 号楼 编号: 致: 株洲建设监理咨询有限责任公司 (项目监理机构) 我方已完成 康桥美郡10、11 号楼抗浮锚杆 工程施工组织设计/(专项)施工方案的编制和审批,请予以审查。 附: □ 施工组织设计 □ 专项施工方案 □ 施工方案 □ 单位工程分部分项工程划分方案 □ 工程试验检测方案 施工项目经理部(盖章) 项目经理(签字) 年 月 日 审查意见: 专业监理工程师(签字) 年 月 日 审核意见: 项目监理机构(盖章) 总监理工程师(签字、加盖执业印章) 年 月 日 审批意见(仅对超过一定规模的危险性较大的分部分项工程专项施工方案): 建设单位(盖章) 建设单位代表(签字) 年 月 日 . . 株质安监统编 2 0 0 8 施管-1 1 康桥美郡1 0 、 1 1 号 楼 抗 浮 锚 杆 施 工 方 案 审 批 表 工程名称:康桥美郡10、11 号楼工程 3 0 2 0 1 1 □□ 单位(标段)工程名称 康桥美郡10、11 号楼 施工 单 位 湖南圆方建设有限责任公司 编制 人 项目技术负责人 项目经理 公司有关部门会签意见: 技术部门 负责人: 年 月 日 质量部门 负责人: 年 月 日 安全部门 负责人: 年 月 日 审批单位 (公章) 审批人 审批 单位技术负责人: (总工程师) 年 月 日 注:经过批准的施工组织设计(方案),不准随意变更修改,确因客观原因需修改时,应接原审核、审批程序办理。 . . 目 录 第一章 施工条件 ·1 一、 编 制 依 据 ·· 1 二 、 工程 概 况 ·· 1 第二 章 抗 浮 桩 (锚 杆 )设 计 ··1 一、 抗 浮 锚 杆 结 构 设 计 主 要 参 数 ·· 1 二 、 抗 浮 锚 杆 拉 力 设 计 参 数 ·· 1 第三 章 施工组 织 和 措 施 ·1 一、 施工准 备 ·1 二 、 施工进 度 安 排 ·3 三 、 抗 浮 桩 锚 杆 施工工艺 流 程 、 技 术 参 数 ·· 3 第四 章 工程 施工质 量 保 证 措 施 ·5 一、 质 量 控 制 措 施 ·5 二 、 质 量 保 证 具 体 内 容 ·· 5 三 、 材 料 质 量 要 求 及 节 约 措 施·· 5 第五 章 季 节 性 施工措 施·· 7 一、 季 节 性 施工...

1、当您付费下载文档后,您只拥有了使用权限,并不意味着购买了版权,文档只能用于自身使用,不得用于其他商业用途(如 [转卖]进行直接盈利或[编辑后售卖]进行间接盈利)。
2、本站所有内容均由合作方或网友上传,本站不对文档的完整性、权威性及其观点立场正确性做任何保证或承诺!文档内容仅供研究参考,付费前请自行鉴别。
3、如文档内容存在违规,或者侵犯商业秘密、侵犯著作权等,请点击“违规举报”。

碎片内容

地下室底板抗浮锚杆施工方案

您可能关注的文档

确认删除?
VIP
微信客服
  • 扫码咨询
会员Q群
  • 会员专属群点击这里加入QQ群
客服邮箱
回到顶部