电脑桌面
添加小米粒文库到电脑桌面
安装后可以在桌面快捷访问

地下防水工程施工质量监理实施细则(手册)728VIP免费

地下防水工程施工质量监理实施细则(手册)728_第1页
1/11
地下防水工程施工质量监理实施细则(手册)728_第2页
2/11
地下防水工程施工质量监理实施细则(手册)728_第3页
3/11
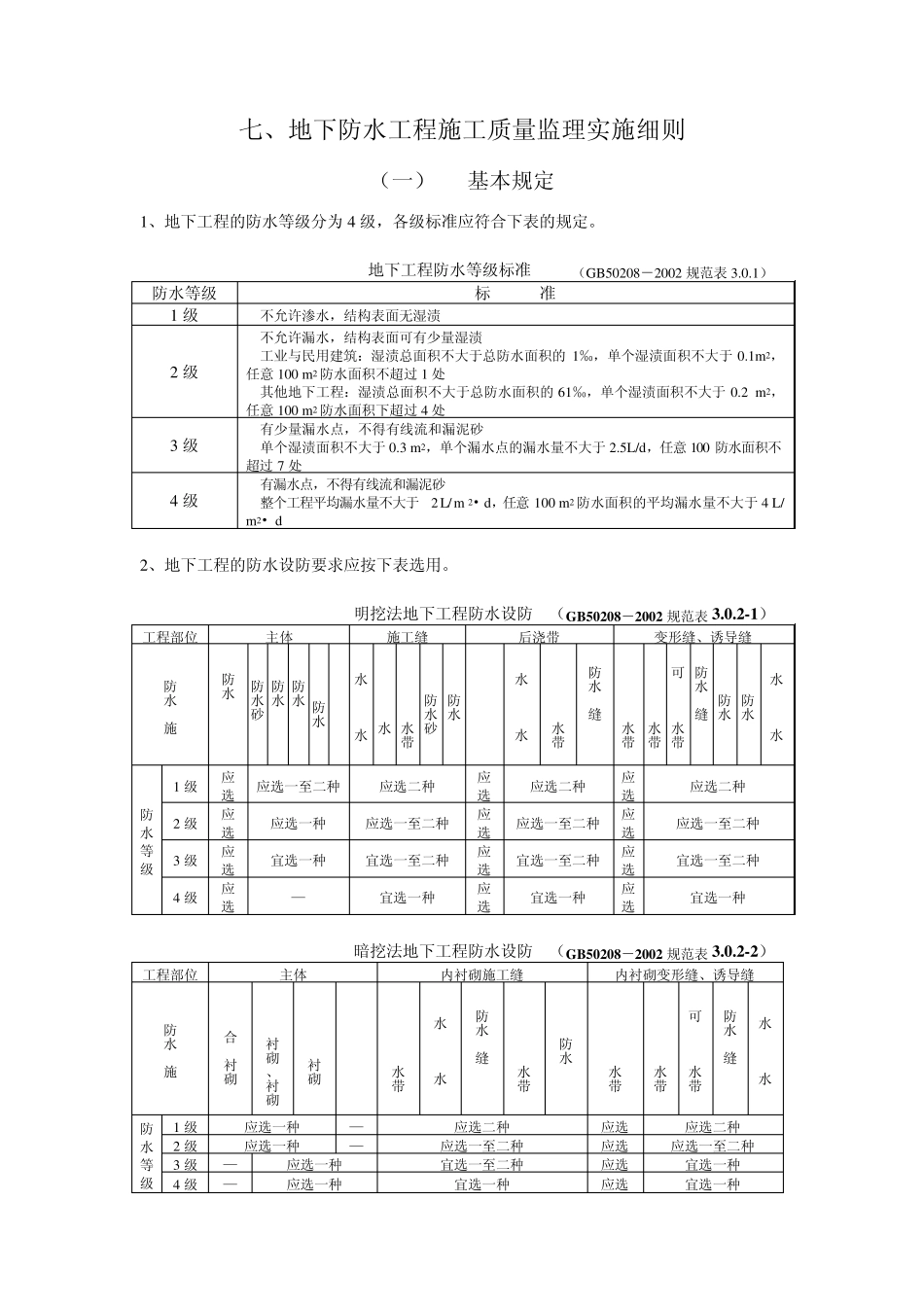
七、地下防水工程施工质量监理实施细则 (一) 基本规定 1、地下工程的防水等级分为4 级,各级标准应符合下表的规定。 地下工程防水等级标准 (GB50208-2002 规范表3.0.1) 防水等级 标 准 1 级 不允许渗水,结构表面无湿渍 2 级 不允许漏水,结构表面可有少量湿渍 工业与民用建筑:湿渍总面积不大于总防水面积的1‰,单个湿渍面积不大于0.1m 2,任意100 m 2 防水面积不超过1 处 其他地下工程:湿渍总面积不大于总防水面积的61‰,单个湿渍面积不大于0.2 m 2,任意100 m 2 防水面积下超过4 处 3 级 有少量漏水点,不得有线流和漏泥砂 单个湿渍面积不大于0.3 m 2,单个漏水点的漏水量不大于2.5L/d,任意100 防水面积不超过7 处 4 级 有漏水点,不得有线流和漏泥砂 整个工程平均漏水量不大于2 L/ m 2• d,任意100 m 2 防水面积的平均漏水量不大于4 L/ m 2• d 2、地下工程的防水设 防要 求 应按 下表选 用。 明 挖 法 地下工程防水设 防 (GB50208-2002 规范表3.0.2-1) 工程部 位 主 体 施工缝 后 浇 带 变 形 缝 、诱 导 缝 防水措施 防水混凝土 防水砂浆 防水卷材 防水涂料 塑料防水板 金属板 遇水膨胀止水条 中埋式止水条 外贴式止水带 外抹防水砂浆 外涂防水涂料 膨胀混凝土 遇水膨胀止水条 外贴式止水带 防水嵌缝材料 中埋式止水带 外贴式止水带 可卸式止水带 防水嵌缝材料 外贴防水卷材 外涂防水涂料 遇水膨胀止水条 防水等级 1 级 应选 应选 一至二种 应选 二种 应选 应选 二种 应选 应选 二种 2 级 应选 应选 一种 应选 一至二种 应选 应选 一至二种 应选 应选 一至二种 3 级 应选 宜选 一种 宜选 一至二种 应选 宜选 一至二种 应选 宜选 一至二种 4 级 应选 — 宜选 一种 应选 宜选 一种 应选 宜选 一种 暗挖 法 地下工程防水设 防 (GB50208-2002 规范表3.0.2-2) 工程部 位 主 体 内衬砌施工缝 内衬砌变 形 缝 、诱 导 缝 防水措施 复合式衬砌 离壁式衬砌、衬砌 贴壁式衬砌 喷射混凝土 外贴式止水带 遇水膨胀止水条 防水嵌缝材料 中埋式止水带 外涂防水涂料 中埋式止水带 外贴式止水带 可卸式止水带 防水嵌缝材料 遇水膨胀止水条 防水等级 1 级 应选 一种 — 应选 二种 应选 应选 二种 2 级 应选 一种 — 应选 一...

1、当您付费下载文档后,您只拥有了使用权限,并不意味着购买了版权,文档只能用于自身使用,不得用于其他商业用途(如 [转卖]进行直接盈利或[编辑后售卖]进行间接盈利)。
2、本站所有内容均由合作方或网友上传,本站不对文档的完整性、权威性及其观点立场正确性做任何保证或承诺!文档内容仅供研究参考,付费前请自行鉴别。
3、如文档内容存在违规,或者侵犯商业秘密、侵犯著作权等,请点击“违规举报”。

碎片内容

地下防水工程施工质量监理实施细则(手册)728

小辰5+ 关注
实名认证
内容提供者

出售各种资料和文档

相关文档

确认删除?
VIP
微信客服
  • 扫码咨询
会员Q群
  • 会员专属群点击这里加入QQ群
客服邮箱
回到顶部