电脑桌面
添加小米粒文库到电脑桌面
安装后可以在桌面快捷访问

工程实体移交书VIP免费

工程实体移交书_第1页
1/12
工程实体移交书_第2页
2/12
工程实体移交书_第3页
3/12
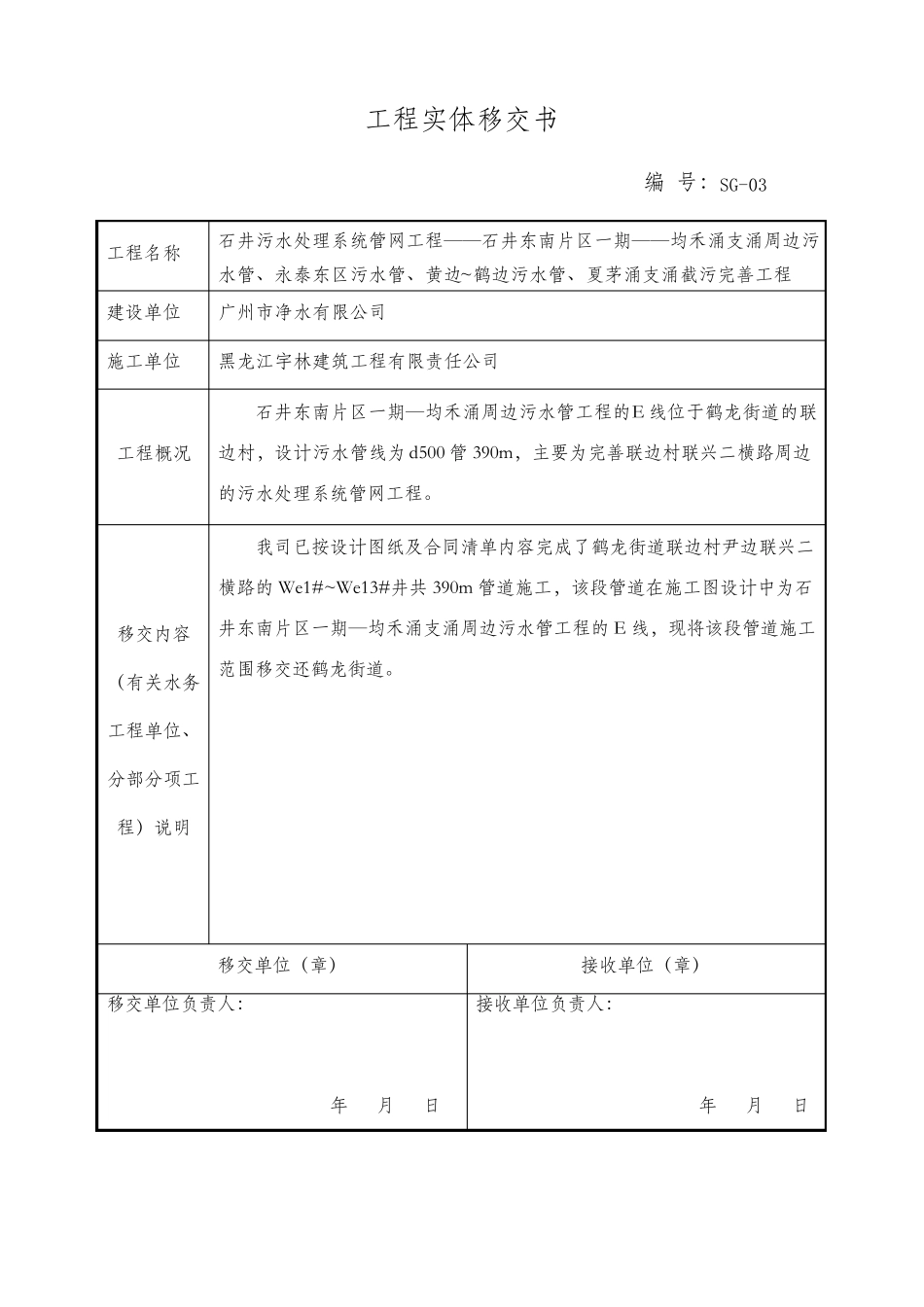
工 程 实 体 移 交 书 编 号 : SG-01 工 程 名 称 石 井 污 水 处 理 系 统 管 网 工 程 — — 石 井 东 南 片 区 一 期 — — 均 禾 涌 支 涌 周 边 污水 管 、 永 泰 东 区 污 水 管 、 黄 边 ~鹤 边 污 水 管 、 夏 茅 涌 支 涌 截 污 完 善 工 程 建 设 单 位 广 州 市 净 水 有 限 公 司 施 工 单 位 黑 龙 江 宇 林 建 筑 工 程 有 限 责 任 公 司 工 程 概 况 石 井 东 南 片 区 一 期 — 黄 边 ~鹤 边 污 水 管 工 程 位 于 鹤 龙 街 道 的 鹤 边 村 和联 边 村 , 设 计 污 水 管 线 为 A 线 d500~d600 管 1671m, B 线 d500 管 899m, C线 d500 管 263m, D 线 d400~d600 管 1094m, E 线 d800 管 1060m, 主 要 为完 善 鹤 边 村 及 联 边 村 的 污 水 处 理 系 统 管 网 工 程 。 移 交 内 容( 有 关 水 务工 程 单 位 、分 部 分 项 工程 ) 说 明 我 司 已 按 设 计 图 纸 及 合 同 清 单 内 容 完 成 了 鹤 龙 街 道 鹤 边 村 ( 细 松 园 工业 区 ) 的 Wa1#~Wa17#井 共 1238.4m 管 道 施 工 , 该 段 管 道 在 施 工 图 设 计 中为 石 井 东 南 片 区 一 期 — 黄 边 ~鹤 边 污 水 管 工 程 的 A 线 , 现 将 该 段 管 道 施 工范 围 移 交 还 鹤 龙 街 道 。 移 交 单 位 ( 章 ) 接 收 单 位 ( 章 ) 移 交 单 位 负 责 人 : 年 月 日 接 收 单 位 负 责 人 : 年 月 日 工 程 实 体 移 交 书 编 号 : SG-02 工 程 名 称 石 井 污 水 处 理 系 统 管 网 工 程 — — 石 井 东 南 片 区 一 期 — — 均 禾 涌 支 涌 周 边 污水 管 、 永 泰 东 区 污 水 管 、 黄 边 ~鹤 边 污 水 管 、 夏 茅 涌 支 涌 截 污 完 善 工 程 建 设 单 位 广 州 市 净 水 有 限 公 司 施 工 单 位 黑 龙 江 宇 林 建 筑 工 程 有 限 责 任 公 司 工 程 概 况 石 井 东 南 片 区 一 期 — 黄 边 ~鹤 边 污 水 管 工 程 位 于 鹤 龙...

1、当您付费下载文档后,您只拥有了使用权限,并不意味着购买了版权,文档只能用于自身使用,不得用于其他商业用途(如 [转卖]进行直接盈利或[编辑后售卖]进行间接盈利)。
2、本站所有内容均由合作方或网友上传,本站不对文档的完整性、权威性及其观点立场正确性做任何保证或承诺!文档内容仅供研究参考,付费前请自行鉴别。
3、如文档内容存在违规,或者侵犯商业秘密、侵犯著作权等,请点击“违规举报”。

碎片内容

工程实体移交书

确认删除?
VIP
微信客服
  • 扫码咨询
会员Q群
  • 会员专属群点击这里加入QQ群
客服邮箱
回到顶部