电脑桌面
添加小米粒文库到电脑桌面
安装后可以在桌面快捷访问

工程竣工验收报告(消防)范本VIP免费

工程竣工验收报告(消防)范本_第1页
1/7
工程竣工验收报告(消防)范本_第2页
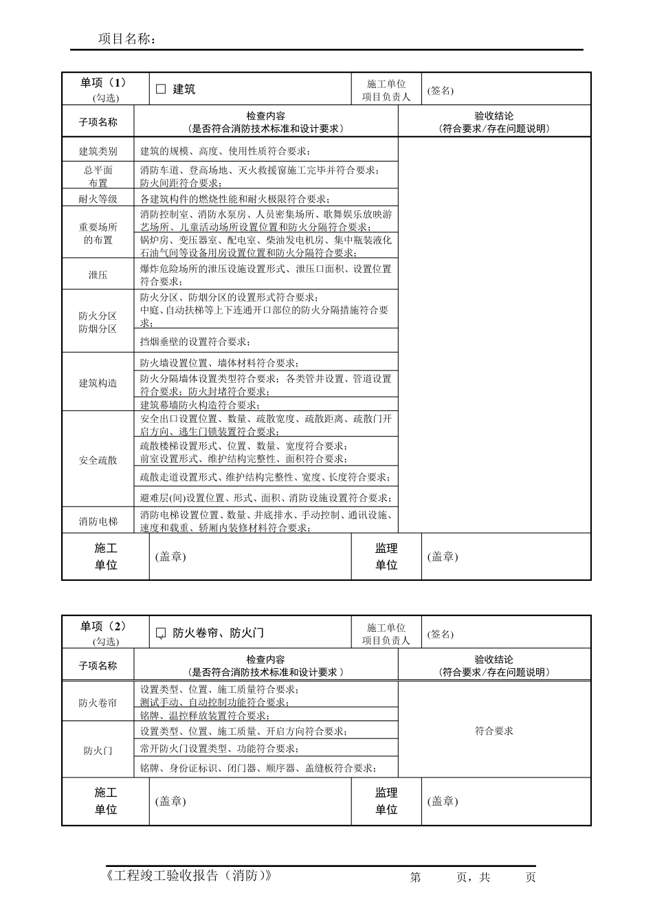
2/7
工程竣工验收报告(消防)范本_第3页
3/7
《 工 程 竣 工 验 收 报 告 ( 消 防 )》 第 页 , 共 页 工 程 竣 工 验 收 报 告(消防) 项目 名称 xxxx 装修工程 项目 地址 xxx 路xxx 号地下一层xx 室 项目 联系人 xxx 联系 电话 xxxxx 工程 基本 概况 [建 (构 )筑 物 单 体 名 称 、 使 用 性 质 、 面 积 、 层 数 、 高 度 、 装 修 部 位 、 工 程 竣 工 验 收 范 围 等 内 容]: 1. 该 工 程 所 在 建 筑 物 xxx 大 厦 高 60.2 米 , 地 下 3 层 地 上 15 层 , 为 商 业 用 房 , 已 通 过 建 设 工程 消 防 设 计 审 核 和 验 收 。 2. 该 工 程 位 于 地 下 1 层 , 工 程 面 积 xxx 平 方 米 , 未 增 设 或 改 动 原 有 的 自 动 消 防 设 施 。 3. 工 程 主 要 是 顶 棚 、 地 面 、 线 路 的 装 修 及 灭 火 器 、 应 急 照 明 灯 、 应 急 指 示 灯 的 安 装 , 工 程 竣工 验 收 主 要 针 对 以 上 部 分 进 行 。 建设工程竣工消防验收要求 一 、 验 收 形 式 : 建 设 单 位 应 当 组 织 设 计 、 施 工 、 监 理 等 单 位 进 行 竣 工 消 防 验 收 , 依 据 国 家 和 本 市 工程 建 设 消 防 技 术 标 准 、 消 防 部 门 审 核 意 见 , 重点对 建 设 工 程 中涉及 本 报 告 所 列各单 项中的 子项进 行 核 查自 验 , 并做出单 项验 收 、 综合评定的 结论, 填写本 报 告 , 方 可提请公安 机关消 防 机构 验 收 或 者备案。 二、 过 程 控制: 建 设 、 设 计 、 施 工 、 监 理 等 单 位 , 应 当 按照 消 防 法规、 建 设 工 程 质 量管理 法规、 国家 和 本 市 工 程 建 设 消 防 技 术 标 准 , 完善施 工 质 量过 程 控制体 系, 落实施 工 组 织 、 设 计 变更、 施 工 工 艺、材料检验 、 档案管理 等 的 各项制度 。 三、 单 项验 收 : 重点核 查单 项中各子项,“符合要 求”是 指 符合国 家 和 本 市 工 程 建 设 消 防 技 术 标 准 、消 防 部 门 审 核 意 见 、 审 查通 过 的 设 计 图纸...

1、当您付费下载文档后,您只拥有了使用权限,并不意味着购买了版权,文档只能用于自身使用,不得用于其他商业用途(如 [转卖]进行直接盈利或[编辑后售卖]进行间接盈利)。
2、本站所有内容均由合作方或网友上传,本站不对文档的完整性、权威性及其观点立场正确性做任何保证或承诺!文档内容仅供研究参考,付费前请自行鉴别。
3、如文档内容存在违规,或者侵犯商业秘密、侵犯著作权等,请点击“违规举报”。

碎片内容

工程竣工验收报告(消防)范本

小辰7+ 关注
实名认证
内容提供者

出售各种资料和文档

确认删除?
VIP
微信客服
  • 扫码咨询
会员Q群
  • 会员专属群点击这里加入QQ群
客服邮箱
回到顶部