电脑桌面
添加小米粒文库到电脑桌面
安装后可以在桌面快捷访问

工程设计费收费标准VIP免费

工程设计费收费标准_第1页
1/28
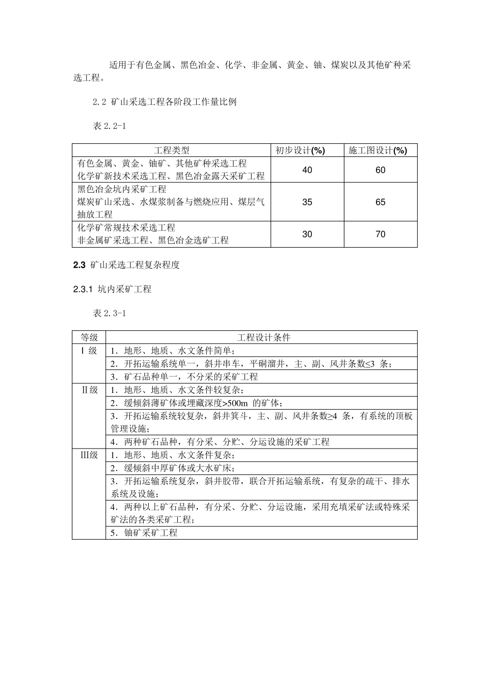
工程设计费收费标准_第2页
2/28
工程设计费收费标准_第3页
3/28
工程设计费收费标准 1 .0 .1 工程设计收费是指设计人根据发包人的委托,提供编制建设项目初步设计文件、施工图设计文件、非标准设备设计文件、施工图预算文件、竣工图文件等服务所收取的费用。 1 .0 .2 工程设计收费采取按照建设项目单项工程概算投资额分档定额计费方法计算收费。 铁道工程设计收费计算方法,在交通运输工程一章中规定。 1 .0 .3 工程设计收费按照下列公式计算 1、工程设计收费=工程设计收费基准价×(1±浮动幅度值) 2、工程设计收费基准价=基本设计收费+其他设计收费 3、基本设计收费=工程设计收费基价×专业调整系数×工程复杂程度调整系数×附加调整系数 1 .0 .4 工程设计收费基准价 工程设计收费基准价是按照本收费标准计算出的工程设计基准收费额,发包人和设计人根据实际情况,在规定的浮动幅度内协商确定工程设计收费合同额。 1 .0 .5 基本设计收费 基本设计收费是指在工程设计中提供编制初步设计文件、施工图设计文件收取的费用,并相应提供设计技术交底、解决施工中的设计技术问题、参加试车考核和竣工验收等服务。 1 .0 .6 其他设计收费 其他设计收费是指根据工程设计实际需要或者发包人要求提供相关服务收取的费用,包括总体设计费、主体设计协调费、采用标准设计和复用设计费、非标准设备设计文件编制费、施工图预算编制费、竣工图编制费等。 1 .0 .7 工程设计收费基价 工程设计收费基价是完成基本服务的价格。工程设计收费基价在《工程设计收费基价表》(附表一)中查找确定,计费额处于两个数值区间的,采用直线内插法确定工程设计收费基价。 1 .0 .8 工程设计收费计费额 工程设计收费计费额,为经过批准的建设项目初步设计概算中的建筑安装工程费、设备与工器具购置费和联合试运转费之和。 工程中有利用原有设备的,以签订工程设计合同时同类设备的当期价格作为工程设计收费的计费额;工程中有缓配设备,但按照合同要求以既配设备进行工程设计并达到设备安装和工艺条件的,以既配设备的当期价格作为工程设计收费的计费额;工程中有引进设备的,按照购进设备的离岸价折换成人民币作为工程设计收费的计费额。 1 .0 .9 工程设计收费调整系数 工程设计收费标准的调整系数包括:专业调整系数、工程复杂程度调整系数和附加调整系数。 1、专业调整系数是对不同专业建设项目的工程设计复杂程度和工作量差异进行调整的系数。计算工程设计收费时,专业调整系数在《工...

1、当您付费下载文档后,您只拥有了使用权限,并不意味着购买了版权,文档只能用于自身使用,不得用于其他商业用途(如 [转卖]进行直接盈利或[编辑后售卖]进行间接盈利)。
2、本站所有内容均由合作方或网友上传,本站不对文档的完整性、权威性及其观点立场正确性做任何保证或承诺!文档内容仅供研究参考,付费前请自行鉴别。
3、如文档内容存在违规,或者侵犯商业秘密、侵犯著作权等,请点击“违规举报”。

碎片内容

工程设计费收费标准

确认删除?
VIP
微信客服
  • 扫码咨询
会员Q群
  • 会员专属群点击这里加入QQ群
客服邮箱
回到顶部