电脑桌面
添加小米粒文库到电脑桌面
安装后可以在桌面快捷访问

工艺管道类检测工艺VIP免费

工艺管道类检测工艺_第1页
1/14
工艺管道类检测工艺_第2页
2/14
工艺管道类检测工艺_第3页
3/14
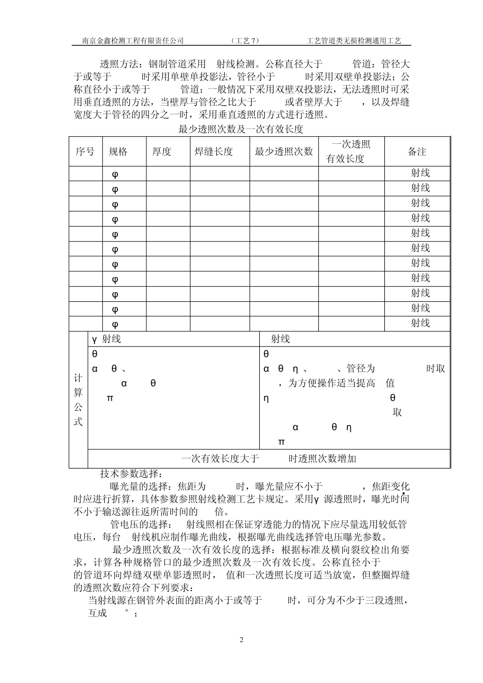
南京金鑫检测工程有限责任公司 (工艺 7 ) 工艺管道类无损检测通用工艺 0 无损检测通用工艺 工艺管道类无损检测 南京金鑫检测工程有限责任公司 2 0 1 1 年 4 月 5 日 南京金鑫检测工程有限责任公司 (工艺7) 工艺管道类无损检测通用工艺 1 一、主题内容: 1.1 本工艺规定了工艺管道类工程无损检测的基本要求。 1.2 本工艺编制依据: 《压力管道安全技术监察规程》 SH3501-2002——《石油化工有毒、可燃介质管道工程施工及验收规范》 GB50235-2010——《工业金属管道工程施工及验收规范》 JB/T4730-2005——《承压设备无损检测》 《特种设备无损检测人员资格考试规则》 《特种设备无损检测人员资格考试规则》 无损检测工艺规程——《射线检测工艺规程》、《超声波检测工艺规程》 《磁粉检测工艺规程》、《渗透检测工艺规程》 1.3 工程概况: 二、检测项目、数量及工艺准备: 三、现场安全管理 3.1 项目经理和责任工程师要高度重视检测现场的安全工作,要以身作则,学习贯彻各项安全规章制度;在进入现场前,必须对现场检测人员进行安全教育,向检测人员详细介绍现场情况,使检测人员检测前做到心中有数,然后按照部署,有步骤地进入检测现场。 3.2 检测人员必须严格遵守各项安全操作规程,进入现场前,必须穿戴好防护用品,不准喝酒,不准打闹,做到安全检测。 3.3 注意用电安全。 四、射线安全管理规定 4.1 从事射线检测人员必须经过防护培训,并取得环保部门颁发的《放射性工作人员》培训证,操作前应佩带好个人计量牌。 4.2 注意用电安全。 4.3 射线检测前,必须先与甲方取得联系,通知射线探伤时间。 4.4 每次检测前,必须划定警戒区域,悬挂警告标志(夜间挂红灯、出入路口设置明显的警戒标志)。 4.5 确认警戒区内无其他人员后才可开机作业。 4.6 操作人员应尽量利用现场建筑物屏蔽射线,使所受的辐射剂量尽可能达到最小。 五、设备、器材和人员配备 5.1设备、器材配备 射线机(或管道爬行器)、移动式发电机、超声波探伤仪、磁粉探伤仪、工业用X光胶片、显定影药品、电脑、合格套装渗透剂、超声波探头、超声波探伤耦合剂、磁膏、射线探伤用观片灯、暗室设备、射线检测警示标志、底片密度计、超声波探伤试块、磁粉探伤灵敏度试片、渗透探伤灵敏度试片及射线探伤辅助物品(铅字、透度计等)等。 5.2人员配备 检测责任师(至少项目中每项检测项目有一人,可兼项)、项目负责人...

1、当您付费下载文档后,您只拥有了使用权限,并不意味着购买了版权,文档只能用于自身使用,不得用于其他商业用途(如 [转卖]进行直接盈利或[编辑后售卖]进行间接盈利)。
2、本站所有内容均由合作方或网友上传,本站不对文档的完整性、权威性及其观点立场正确性做任何保证或承诺!文档内容仅供研究参考,付费前请自行鉴别。
3、如文档内容存在违规,或者侵犯商业秘密、侵犯著作权等,请点击“违规举报”。

碎片内容

工艺管道类检测工艺

您可能关注的文档

确认删除?
VIP
微信客服
  • 扫码咨询
会员Q群
  • 会员专属群点击这里加入QQ群
客服邮箱
回到顶部