电脑桌面
添加小米粒文库到电脑桌面
安装后可以在桌面快捷访问

消防工程竣工验收表格VIP免费

消防工程竣工验收表格_第1页
1/18
消防工程竣工验收表格_第2页
2/18
消防工程竣工验收表格_第3页
3/18
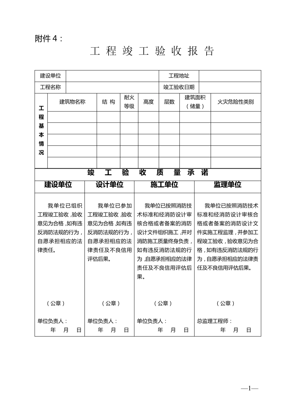
—1 — 附 件 4: 工 程 竣 工 验 收 报 告 建 设 单 位 工 程 地 址 工 程 名 称 竣 工 验 收 日 期 工程基本情况 建 筑 物 名 称 结 构 耐 火等 级 高 度 层 数 建 筑 面 积( 储 量 ) 火 灾 危 险 性 类 别 竣 工 验 收 质 量 承 诺 建 设 单 位 设 计单 位 施工 单 位 监理单 位 我 单 位 已 组 织工 程 竣 工 验 收 ,验 收意 见 为 合 格 ,如 有 违反 消 防 法 规 的 行 为 ,自 愿 承 担 相 应 的 法律 责 任 。 ( 公章) 单 位 负责 人: 年 月 日 我 单 位 已 参加工 程 竣 工 验 收 ,验 收意 见 为 合 格 ,如 有 违反 消 防 法 规 的 行 为 ,自 愿 承 担 相 应 的 法律 责 任 及不良信用评估后果。 ( 公章) 单 位 负责 人: 年 月 日 我 单 位 已 按照消 防 技术标准和经消 防 设 计审核合 格 或者备案的 消 防设 计文件 组 织 施工 ,并对消 防 施工 质量 终身负责 ,如 有 违 反 消 防 法 规 的 行为 ,自 愿 承 担 相 应 的 法 律责 任 及不良信用评估后果。 ( 公章) 单 位 负责 人: 年 月 日 我 单 位 已 按照消 防 技术标准和经消 防 设 计审核合格 或者备案的 消 防 设 计文件 实施工 程 监理, 并参加工程 竣 工 验 收 , 验 收 意 见 为 合格 , 如 有 违 反 消 防 法 规 的 行为 , 自 愿 承 担 相 应 的 法 律 责任 及不良信用评估后果。 ( 公章) 总监理工 程 师: 年 月 日 —2— 附 件 6 建设工程竣工验收消防备案申报表 建 设 单 位 ( 印 章 ) : 填 表 日 期 年 月 日 建 设 单 位 法 定 代 表 人 /主 要 负 责 人 联 系 电 话 工 程 名 称 联 系 人 联 系 电 话 工 程 地 址 竣 工 验 收 完 成 日 期 类 别 □新 建 □扩 建 □改 建 ( □装 修 □建 筑 保 温 □改 变 用 途 ) 使 用 性 质 建 设 工 程 质 量 监 督 机 构 消 防 设 计 备 案 凭 证 文 号 单 位 类 别 单 位 名 称 资 质 等 级 法 定 代 表 人 / 主 要 负 责 人 联 系 人 联 系 电 话...

1、当您付费下载文档后,您只拥有了使用权限,并不意味着购买了版权,文档只能用于自身使用,不得用于其他商业用途(如 [转卖]进行直接盈利或[编辑后售卖]进行间接盈利)。
2、本站所有内容均由合作方或网友上传,本站不对文档的完整性、权威性及其观点立场正确性做任何保证或承诺!文档内容仅供研究参考,付费前请自行鉴别。
3、如文档内容存在违规,或者侵犯商业秘密、侵犯著作权等,请点击“违规举报”。

碎片内容

消防工程竣工验收表格

您可能关注的文档

小辰8+ 关注
实名认证
内容提供者

出售各种资料和文档

相关文档

确认删除?
VIP
微信客服
  • 扫码咨询
会员Q群
  • 会员专属群点击这里加入QQ群
客服邮箱
回到顶部