电脑桌面
添加小米粒文库到电脑桌面
安装后可以在桌面快捷访问

消防水管道检验批VIP免费

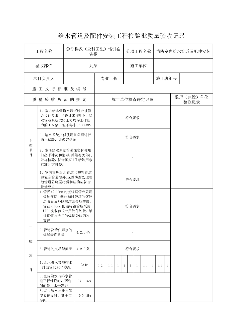
消防水管道检验批_第1页
1/14
消防水管道检验批_第2页
2/14
消防水管道检验批_第3页
3/14
JL—A001 工 程 开 工 报 审 表 工程名称: 编号: 致 (监理单位): 我方承担的 工程,已完成了以下各项工作: 一、施工组织设计(方案)已审批 □ 二、劳动力按计划已就绪 □ 三、机械设备已就绪 □ 四、管理人员全部到位 □ 五、开工前各种手续已办妥(见附件) □ 六、质量管理、技术管理制度已制定 □ 七、智能建筑质量保证、技术措施已制定 □ 附:开工报告 特此申报 2004 年 12 月 20 日开工,请批准。 承包单位(公章): 项目(副)经理(签字): 日 期: 年 月 日 总监理工程师审查意见: 项目监理机构(公章): 总监理工程师(签字): 日 期: 年 月 日 本表由施工单位填写,一式三份,建设、监理、施工单位各留一份。 四川省建设厅制SG— A009 室 内 消 火 栓 系 统 安 装 工 程 检 验 批 质 量 验 收 记 录 工 程 名 称 分 项 工 程 名 称 验 收 部 位 施 工 单 位 项 目 负 责 人 专 业 工 长 施 工 班 组 长 施 工 执 行 标 准 及 编 号 质 量 验 收 规 范 的 规 定 施 工 单 位 检 查 评 定 记 录 监 理 ( 建 设 ) 单 位 验 收 记 录 主 控 项 目 室 内 消 火 栓 系 统 安 装 完 成 后 应 取屋 顶 层 ( 或 水 箱 间 内 ) 试 验 消 火 栓 和首 层 取 二 处 消 火 栓 做 试 射 试 验 , 且 应达 到 设 计 要 求 一 般 项 目 1、 水 龙 带 与 水 枪 和 快 速 接 头 绑 扎 牢固 紧 密 , 根 据 箱 内 构 造 将 水 龙 带 挂 放在 箱 内 的 挂 钉 、 托 盘 或 支 架 上 2. 箱 式 消 火 栓安装 栓 口 朝 外 , 且 不应 安 装 在 门 轴 侧 ,栓 口 中 心 距 地 在1.1m, 允许偏差为 ±20mm 阀门 中 心 距 箱侧 面为140mm, 距箱后内表面为100mm, 允许偏差为 ±5mm 箱 体安 装 的 垂直度允许偏差为 3mm 共实测 点, 其中 合格 点、 不 合格 点, 合格点率 % 施 工 单 位 检 查 评 定 结果 项 目 专 业 质 量 检 查 员: 项 目 专 业 质 量 ( 技术) 负 责 人 : 年 月 日 监 理 ( 建 设 ) 单 位 验 收 结论 监 理 工 程 师( 建 设 单 位 项 目 技...

1、当您付费下载文档后,您只拥有了使用权限,并不意味着购买了版权,文档只能用于自身使用,不得用于其他商业用途(如 [转卖]进行直接盈利或[编辑后售卖]进行间接盈利)。
2、本站所有内容均由合作方或网友上传,本站不对文档的完整性、权威性及其观点立场正确性做任何保证或承诺!文档内容仅供研究参考,付费前请自行鉴别。
3、如文档内容存在违规,或者侵犯商业秘密、侵犯著作权等,请点击“违规举报”。

碎片内容

消防水管道检验批

您可能关注的文档

确认删除?
VIP
微信客服
  • 扫码咨询
会员Q群
  • 会员专属群点击这里加入QQ群
客服邮箱
回到顶部