电脑桌面
添加小米粒文库到电脑桌面
安装后可以在桌面快捷访问

消防调试报告模板VIP免费

消防调试报告模板_第1页
1/8
消防调试报告模板_第2页
2/8
消防调试报告模板_第3页
3/8
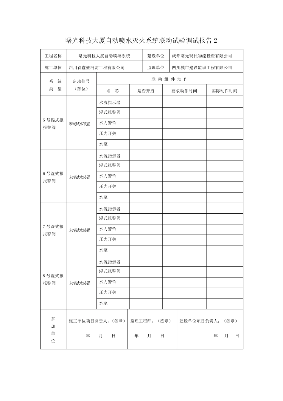
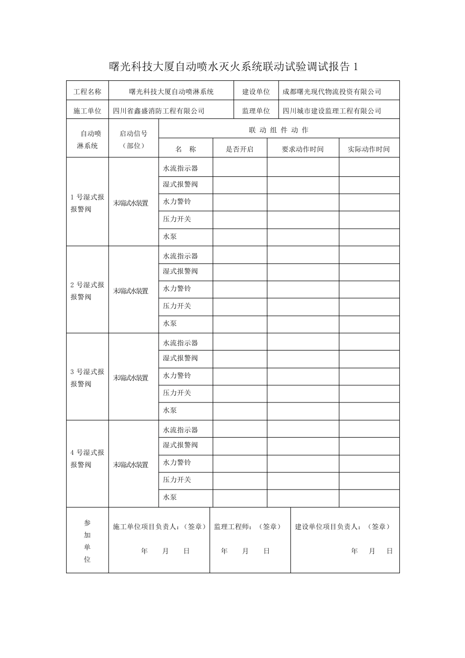
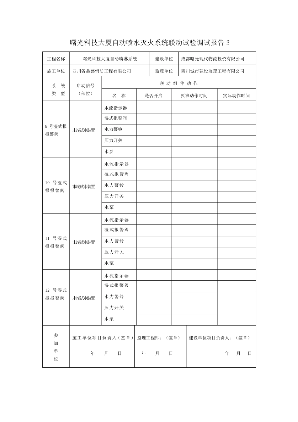
曙光科技大厦自动喷水灭火系统联动试验调试报告1 工程名称 曙光科技大厦自动喷淋系统 建设单位 成都曙光现代物流投资有限公司 施工单位 四川省鑫盛消防工程有限公司 监理单位 四川城市建设监理工程有限公司 自动喷淋系统 启动信号 (部位) 联 动 组 件 动 作 名 称 是否开启 要求动作时间 实际动作时间 1 号湿式报报警阀 末端试水装置 水流指示器 湿式报警阀 水力警铃 压力开关 水泵 2 号湿式报报警阀 末端试水装置 水流指示器 湿式报警阀 水力警铃 压力开关 水泵 3 号湿式报报警阀 末端试水装置 水流指示器 湿式报警阀 水力警铃 压力开关 水泵 4 号湿式报报警阀 末端试水装置 水流指示器 湿式报警阀 水力警铃 压力开关 水泵 参 加 单 位 施工单位项目负责人:(签章) 年 月 日 监理工程师:(签章) 年 月 日 建设单位项目负责人:(签章) 年 月 日 曙光科技大厦自动喷水灭火系统联动试验调试报告2 工程名称 曙光科技大厦自动喷淋系统 建设单位 成都曙光现代物流投资有限公司 施工单位 四川省鑫盛消防工程有限公司 监理单位 四川城市建设监理工程有限公司 系 统 类 型 启动信号 (部位) 联 动 组 件 动 作 名 称 是否开启 要求动作时间 实际动作时间 5 号湿式报报警阀 末端试水装置 水流指示器 湿式报警阀 水力警铃 压力开关 水泵 6 号湿式报报警阀 末端试水装置 水流指示器 湿式报警阀 水力警铃 压力开关 水泵 7 号湿式报报警阀 末端试水装置 水流指示器 湿式报警阀 水力警铃 压力开关 水泵 8 号湿式报报警阀 末端试水装置 水流指示器 湿式报警阀 水力警铃 压力开关 水泵 参 加 单 位 施工单位项目负责人:(签章) 年 月 日 监理工程师:(签章) 年 月 日 建设单位项目负责人:(签章) 年 月 日 曙光科技大厦自动喷水灭火系统联动试验调试报告3 工程名称 曙光科技大厦自动喷淋系统 建设单位 成都曙光现代物流投资有限公司 施工单位 四川省鑫盛消防工程有限公司 监理单位 四川城市建设监理工程有限公司 系 统 类 型 启动信号 (部位) 联 动 组 件 动 作 名 称 是否开启 要求动作时间 实际动作时间 9 号湿式报报警阀 末端试水装置 水流指示器 湿式报警阀 水力警铃 压力开关 水泵 10 号湿式报报警阀 末端试水装置 水流指示器 湿式报警阀 水力...

1、当您付费下载文档后,您只拥有了使用权限,并不意味着购买了版权,文档只能用于自身使用,不得用于其他商业用途(如 [转卖]进行直接盈利或[编辑后售卖]进行间接盈利)。
2、本站所有内容均由合作方或网友上传,本站不对文档的完整性、权威性及其观点立场正确性做任何保证或承诺!文档内容仅供研究参考,付费前请自行鉴别。
3、如文档内容存在违规,或者侵犯商业秘密、侵犯著作权等,请点击“违规举报”。

碎片内容

消防调试报告模板

您可能关注的文档

确认删除?
VIP
微信客服
  • 扫码咨询
会员Q群
  • 会员专属群点击这里加入QQ群
客服邮箱
回到顶部