电脑桌面
添加小米粒文库到电脑桌面
安装后可以在桌面快捷访问

屋面工程施工记录VIP免费

屋面工程施工记录_第1页
1/9
屋面工程施工记录_第2页
2/9
屋面工程施工记录_第3页
3/9
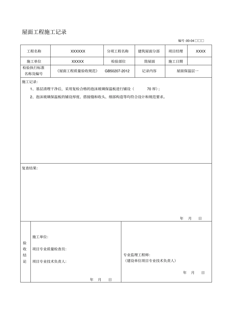
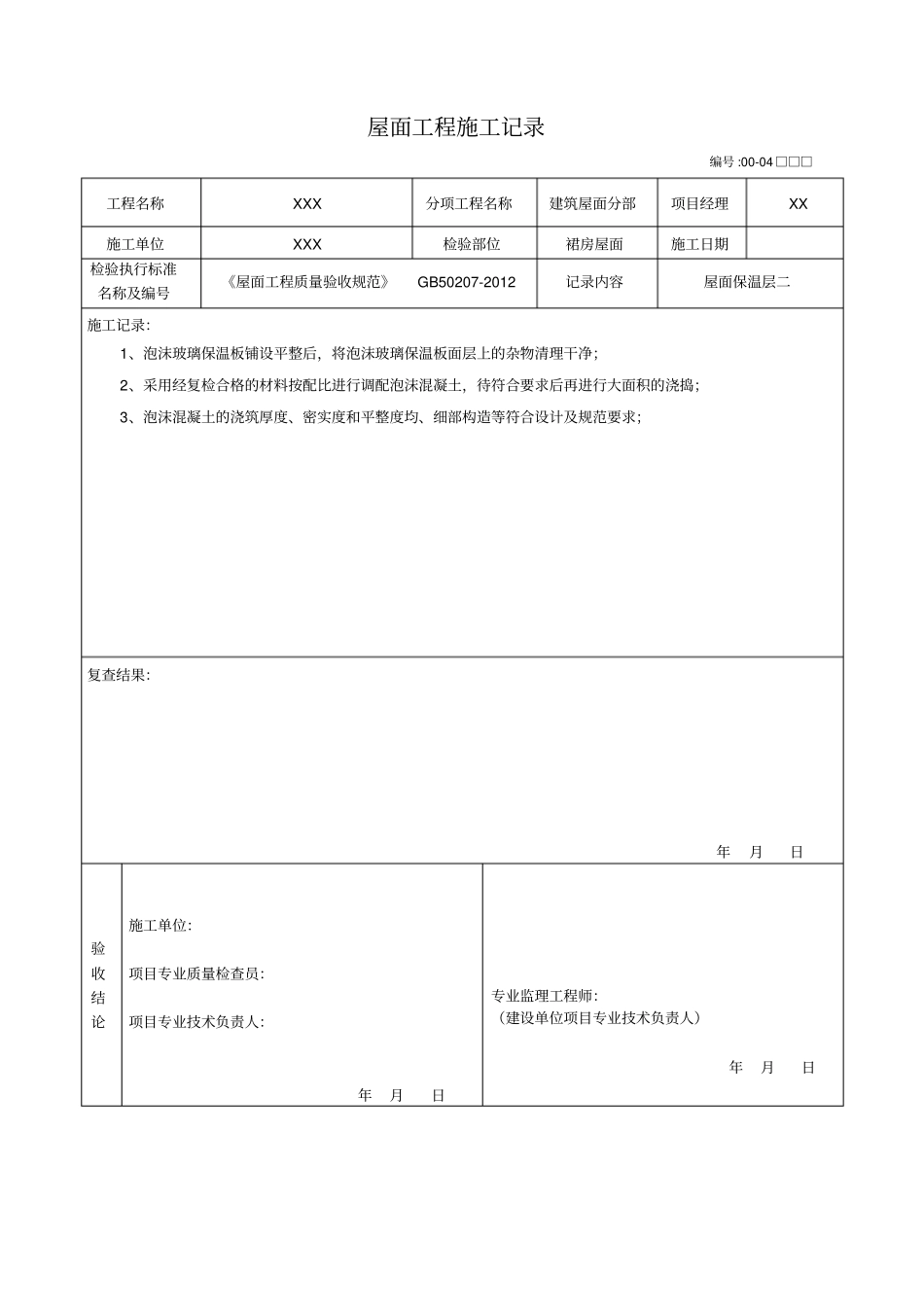
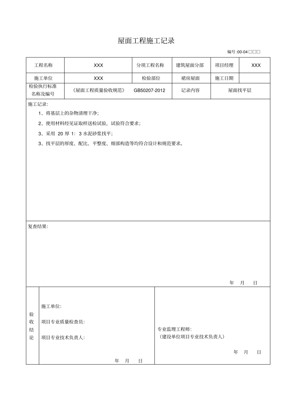
屋面工程施工记录编号 :00-04 □□□工程名称XXXXXX 分项工程名称建筑屋面分部项目经理XXXX 施工单位XXXXX 检验部位筒屋面施工日期检验执行标准名称及编号《屋面工程质量验收规范》GB50207-2012 记录内容屋面保温层一施工记录:1、基层清理干净后,采用复检合格的泡沫玻璃保温板进行铺设(70 厚);2、泡沫玻璃保温板的铺设厚度、搭接缝和收头、细部构造等均符合设计和规范要求。复查结果:年月日验收结论施工单位:项目专业质量检查员:项目专业技术负责人:年月日专业监理工程师:(建设单位项目专业技术负责人)年月日屋面工程施工记录编号 :00-04 □□□工程名称XXX 分项工程名称建筑屋面分部项目经理XX 施工单位XXX 检验部位裙房屋面施工日期检验执行标准名称及编号《屋面工程质量验收规范》GB50207-2012 记录内容屋面保温层二施工记录:1、泡沫玻璃保温板铺设平整后,将泡沫玻璃保温板面层上的杂物清理干净;2、采用经复检合格的材料按配比进行调配泡沫混凝土,待符合要求后再进行大面积的浇捣;3、泡沫混凝土的浇筑厚度、密实度和平整度均、细部构造等符合设计及规范要求;复查结果:年月日验收结论施工单位:项目专业质量检查员:项目专业技术负责人:年月日专业监理工程师:(建设单位项目专业技术负责人)年月日屋面工程施工记录编号 :00-04 □□□工程名称XXX 分项工程名称建筑屋面分部项目经理XXX 施工单位XXX 检验部位裙房屋面施工日期检验执行标准名称及编号《屋面工程质量验收规范》GB50207-2012 记录内容屋面找平层施工记录:1、将基层上的杂物清理干净;2、使用材料经见证取样送检试验,试验符合要求;3、采用 20 厚 1:3 水泥砂浆找平;3、找平层的厚度、配比、平整度、细部构造等均符合设计和规范要求。复查结果:年月日验收结论施工单位:项目专业质量检查员:项目专业技术负责人:年月日专业监理工程师:(建设单位项目专业技术负责人)年月日屋面工程施工记录编号 :00-04 □□□工程名称XXX 分项工程名称建筑屋面分部项目经理XXX 施工单位XXX 检验部位裙房屋面施工日期检验执行标准名称及编号《屋面工程质量验收规范》GB50207-2012 记录内容屋面涂抹防水层施工记录:1、将水泥砂浆找平层上的杂物等清理干净后,采用经复试合格的防水涂料材料进行施工;2、将防水涂料按配比搅拌均匀后,均匀得涂抹在水泥砂浆找平层上;3、1.5 厚 JS 涂料防水层厚度、平整度、细部构造等符合设计和规范要求,...

1、当您付费下载文档后,您只拥有了使用权限,并不意味着购买了版权,文档只能用于自身使用,不得用于其他商业用途(如 [转卖]进行直接盈利或[编辑后售卖]进行间接盈利)。
2、本站所有内容均由合作方或网友上传,本站不对文档的完整性、权威性及其观点立场正确性做任何保证或承诺!文档内容仅供研究参考,付费前请自行鉴别。
3、如文档内容存在违规,或者侵犯商业秘密、侵犯著作权等,请点击“违规举报”。

碎片内容

屋面工程施工记录

您可能关注的文档

确认删除?
VIP
微信客服
  • 扫码咨询
会员Q群
  • 会员专属群点击这里加入QQ群
客服邮箱
回到顶部