电脑桌面
添加小米粒文库到电脑桌面
安装后可以在桌面快捷访问

屋面彩钢板施工专业技术方案VIP免费

屋面彩钢板施工专业技术方案_第1页
1/19
屋面彩钢板施工专业技术方案_第2页
2/19
屋面彩钢板施工专业技术方案_第3页
3/19
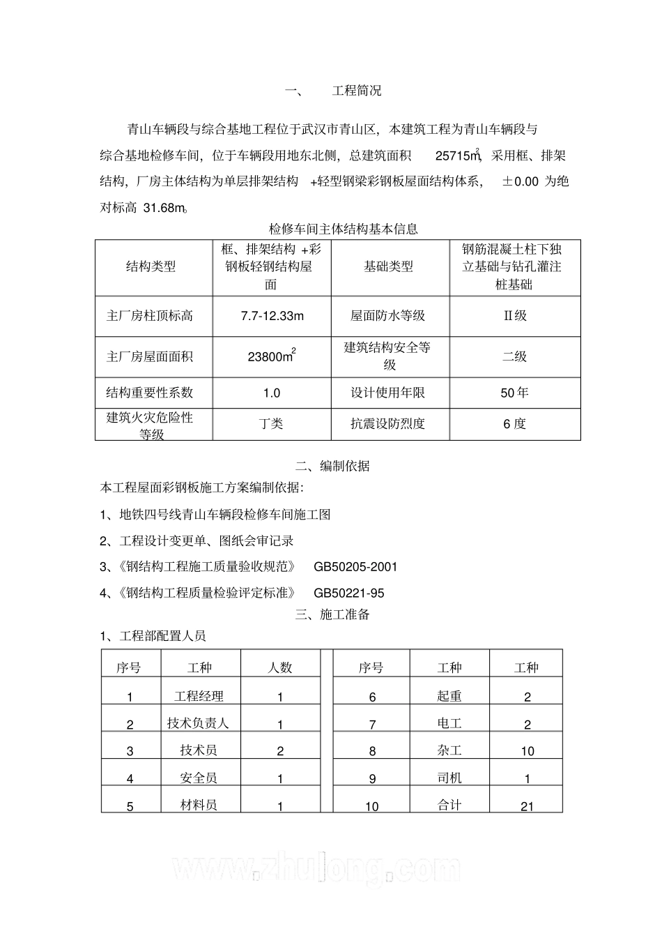
目录一、工程简况 2 二、编制依据 2 三、施工准备 2 1、工程部配置人员2 2、主要设备3 3、材料进场检验及现场的堆放、搬运3 四、彩钢板生产工艺4 五、主要施工工艺6 1、施工部署6 2、屋面彩钢板安装步骤7 3、内、外天沟节点9 4、彩钢板与山墙及屋脊、变形缝的节点11 5、屋面采光板及通风天窗与彩钢板的连接节点11 6、彩钢板施工质量验收标准13 7、彩钢板安装过程中的注意事项13 六、质量保证措施15 七、彩钢板安装高空作业安全防护措施16 八、成品保护 20 附图:彩钢板与采光带平面布置图彩钢板吊装详图屋面板安装施工进度计划表一、工程简况青山车辆段与综合基地工程位于武汉市青山区,本建筑工程为青山车辆段与综合基地检修车间,位于车辆段用地东北侧,总建筑面积25715m2,采用框、排架结构,厂房主体结构为单层排架结构+轻型钢梁彩钢板屋面结构体系, ±0.00 为绝对标高 31.68m。检修车间主体结构基本信息结构类型框、排架结构 +彩钢板轻钢结构屋面基础类型钢筋混凝土柱下独立基础与钻孔灌注桩基础主厂房柱顶标高7.7-12.33m 屋面防水等级Ⅱ级主厂房屋面面积23800m2建筑结构安全等级二级结构重要性系数1.0 设计使用年限50 年建筑火灾危险性等级丁类抗震设防烈度6 度二、编制依据本工程屋面彩钢板施工方案编制依据:1、地铁四号线青山车辆段检修车间施工图2、工程设计变更单、图纸会审记录3、《钢结构工程施工质量验收规范》GB50205-2001 4、《钢结构工程质量检验评定标准》GB50221-95 三、施工准备1、工程部配置人员序号工种人数序号工种工种1 工程经理1 6 起重2 2 技术负责人1 7 电工2 3 技术员2 8 杂工10 4 安全员1 9 司机1 5 材料员1 10 合计21 2、主要设备序号名称规格数量单位备注1 吊车20 t 1 台2 吊车20 t 1 台3 导链5t 4 只4 导链2t 4 只5 导链1t 6 只6 电动扳手2 把(高强螺栓用)7 切割机φ 4002 台8 砂轮机φ 100 4 只9 砂轮机φ 150 4 只10 台钻1 台11 拉铆枪4 把12电动扳手2 把(彩板专用)13 手枪钻2 把14 开口剪CD型1 把15 千斤顶5T 2 台16 跳板2M 200 块17 脚手管φ 50*6 50 根18 钢丝绳φ 15.5 100 M (胀线)3、材料进场检验及现场的堆放、搬运a、安装前的存放屋面板通常被捆扎成束,然后送到施工现场。如果钢板不是立即使用,必须保证捆束或钢板被整齐的叠放。如果是露天存放,必须离开地面,并用防雨布遮盖,...

1、当您付费下载文档后,您只拥有了使用权限,并不意味着购买了版权,文档只能用于自身使用,不得用于其他商业用途(如 [转卖]进行直接盈利或[编辑后售卖]进行间接盈利)。
2、本站所有内容均由合作方或网友上传,本站不对文档的完整性、权威性及其观点立场正确性做任何保证或承诺!文档内容仅供研究参考,付费前请自行鉴别。
3、如文档内容存在违规,或者侵犯商业秘密、侵犯著作权等,请点击“违规举报”。

碎片内容

屋面彩钢板施工专业技术方案

文库当当响+ 关注
实名认证
内容提供者

该用户很懒,什么也没介绍

确认删除?
VIP
微信客服
  • 扫码咨询
会员Q群
  • 会员专属群点击这里加入QQ群
客服邮箱
回到顶部