电脑桌面
添加小米粒文库到电脑桌面
安装后可以在桌面快捷访问

屋顶分布式光伏电站设计及施工专业技术方案VIP免费

屋顶分布式光伏电站设计及施工专业技术方案_第1页
1/28
屋顶分布式光伏电站设计及施工专业技术方案_第2页
2/28
屋顶分布式光伏电站设计及施工专业技术方案_第3页
3/28
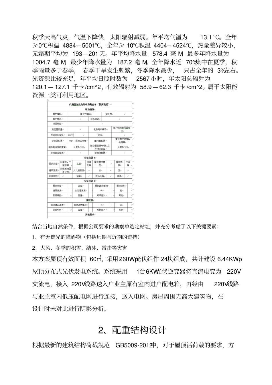
设计方案恒阳2017年 6 月1、工程简况一、工程选址本工程处于山东省聊城市, 位于北纬 35° 47’~37° 02’ 和东经 115°16’~116° 32 ‘之间。地处黄河冲击平原,地势西南高、东北低。平均坡降约 1/7500,海拔高度 27.5-49.0M 。属于温带季风气候区,具有显著的季节变化和季风气候特征,属半干旱大陆性气候。年干燥度为1.7-1.9 。春季干旱多风,回暖迅速,光照充足,太阳辐射强;夏季高温多雨,雨热同季;秋季天高气爽,气温下降快,太阳辐射减弱。年平均气温为13.1 ℃。全年≥0℃积温 4884— 5001℃,全年≥ 10℃积温 4404— 4524℃,热量差异较小,无霜期平均为 193— 201天。年平均降水量578.4 毫 M,最多年降水量为1004.7 毫 M,最少年降水量为187.2 毫 M。全年降水近 70%集中在夏季,秋季雨量多于春季, 春季干旱发生频繁,冬季降水最少,只占全年的 3%左右。光资源比较充足,年平均日照时数为2567 小时,年太阳总辐射为120.1 — 127.1 千卡/cm^2,有效辐射为 58.9 — 62.3 千卡 /cm^2。属于太阳能资源三类可利用地区。结合当地自然条件,根据公司要求的勘察单选定站址,并充分考虑了以下关键要素:1、有无遮光的障碍物(包括远期与近期的遮挡)2、大风、冬季的积雪、结冰、雷击等灾害本方案屋顶有效面积 60m2,采用260Wp光伏组件 24块组成,共计建设 6.44KWp屋顶分布式光伏发电系统。系统采用1台6KW光伏逆变器将直流电变为220V交流电,接入 220V线路送入户业主原有室内进户配电箱,再经由220V线路与业主室内低压配电网进行连接,送入电网。房屋周围无高大建筑物,在设计时未对此进行阴影分析。2、配重结构设计根据最新的建筑结构荷载规范GB5009-2012中,对于屋顶活荷载的要求,方阵基础采用 C30混凝土现浇,预埋安装地角螺栓,前后排水泥基础中心间距0.5m 。每横排之间间距为0.5m,便于组件后期的安装和维护。方便根据实际需要设计安装角度。3、光伏系统设计一、光伏最佳方阵倾斜角与方位为了保证本工程收益最大化,并且也为了组件安装简便与效果美观,最佳太阳能倾斜角度为 30 度,即朝正南向倾斜 30度安装。二、光伏方阵前后最佳间距为了实现全年的最佳发电量并提高屋面利用率,按冬至日当天9:00 至15:00 为依据,光伏方阵列不会互相遮挡,此时的前后间距即为最佳间距。组件阵列与阵列间最低点间距保持在5M,光伏方阵列基本不会互相遮挡。三、方阵串并联设计分布式光伏发电系统中太阳...

1、当您付费下载文档后,您只拥有了使用权限,并不意味着购买了版权,文档只能用于自身使用,不得用于其他商业用途(如 [转卖]进行直接盈利或[编辑后售卖]进行间接盈利)。
2、本站所有内容均由合作方或网友上传,本站不对文档的完整性、权威性及其观点立场正确性做任何保证或承诺!文档内容仅供研究参考,付费前请自行鉴别。
3、如文档内容存在违规,或者侵犯商业秘密、侵犯著作权等,请点击“违规举报”。

碎片内容

屋顶分布式光伏电站设计及施工专业技术方案

您可能关注的文档

确认删除?
VIP
微信客服
  • 扫码咨询
会员Q群
  • 会员专属群点击这里加入QQ群
客服邮箱
回到顶部