电脑桌面
添加小米粒文库到电脑桌面
安装后可以在桌面快捷访问

110kV变电站开工前期资料报审汇总VIP专享VIP免费

110kV变电站开工前期资料报审汇总_第1页
1/16
110kV变电站开工前期资料报审汇总_第2页
2/16
110kV变电站开工前期资料报审汇总_第3页
3/16
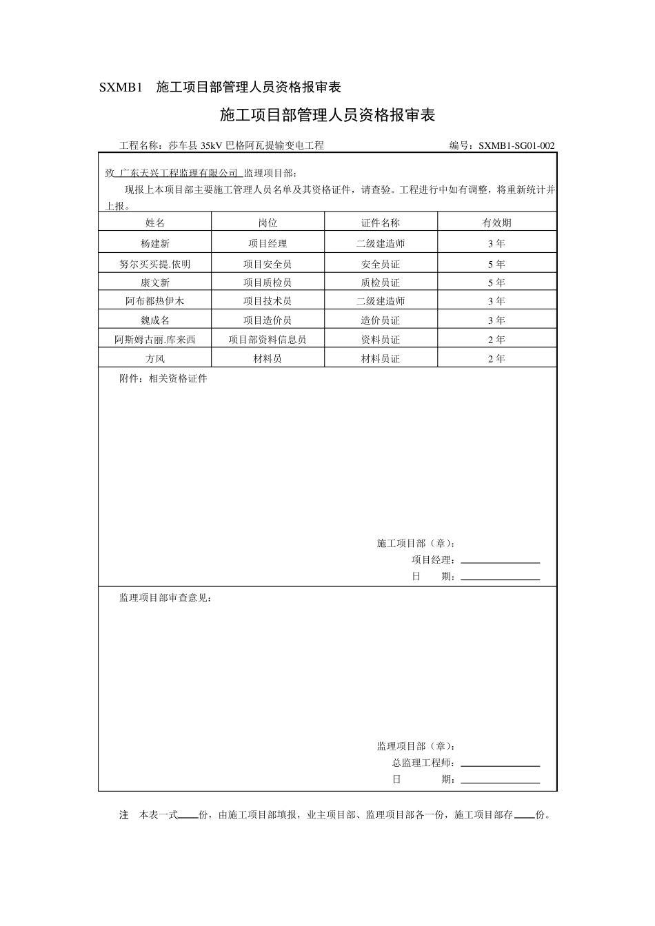
SXMB10/SGK4 工程开工报审表 工程开工报审表 工程名称:莎车县35kV 巴格阿瓦提输变电工程 编号:SXMB10-SG01-001 致 广东天兴工程监理有限公司 监理项目部: 我方承担的 莎车县35kV 巴格阿瓦提输变电 工程,已完成了开工前的各项准备工作,特申请于 年 月 日开工,请审查。  项目管理实施规划(施工组织设计)已审批;  施工图会检已进行;  各项施工管理制度和相应的作业指导书已制定并审查合格;  输变电工程施工安全管理及风险控制方案满足要求;  施工技术交底已进行;  施工人力和机械已进场,施工组织已落实到位;  物资、材料准备能满足连续施工的需要;  计量器具、仪表经法定单位检验合格;  特殊工种作业人员能满足施工需要。 施工项目部(章): 项目经理: 日 期: 监理项目部审查意见: 监理项目部(章): 总监理工程师: 日 期: 业主项目部审批意见:  工程已经核准。 业主项目部(章): 项目经理: 日 期: 注 本表一式 份,由施工项目部填报,业主项目部、监理项目部各一份,施工项目部 份。 工 程 开 工 报 告 工 程 名 称 莎车县35kV 巴格阿瓦提输变电工程 建 设 单 位 国网新疆疆南供电有限责任公司 设 计 单 位 喀什天路电力设计咨询有限公司 监 理 单 位 广东天兴工程监理有限公司 施 工 单 位 新疆喀什电盛有限责任公司 工程概算或承包价值(元):¥ 元 开 工 日 期 2015 年 4 月 10 日 计划竣工日期 2015 年10 月30 日 主要工程内容及工程量:变 电 部 分 : 新 建 35kV 变 电 站 一 座 , 主 变 容 量 为 10MVA, 屋 外 布 置 。35kV 电 气 主 接 线 本 期 建 成 单 母 线 接 线 ,预 留 1 回 出 线 位 置 , 35kV 进 出 线 本 期 建 成 1 回 , 至 110kV河 东 变 。 10kV 电 气 主 接 线 本 期 建 成 单 母 线 接 线 , 建 设 4 回 出 线 。 10kV 配 电 装 置 采 用 户 内 移 开 式开 关 柜 , 户 内 单 列 布 置 。 无 功 补 偿 按 照 主 变 容 量 的 20%配 置 , 本 期 在 10kV Ⅰ段 母 线 配 置 1 组TBB10/√3-2000/334-3AKW 框 架 式 电 容 补 偿 装 置 。 本 期 在 巴 格 阿 瓦 提 变 配 置 STM-4 光 传 输 设...

1、当您付费下载文档后,您只拥有了使用权限,并不意味着购买了版权,文档只能用于自身使用,不得用于其他商业用途(如 [转卖]进行直接盈利或[编辑后售卖]进行间接盈利)。
2、本站所有内容均由合作方或网友上传,本站不对文档的完整性、权威性及其观点立场正确性做任何保证或承诺!文档内容仅供研究参考,付费前请自行鉴别。
3、如文档内容存在违规,或者侵犯商业秘密、侵犯著作权等,请点击“违规举报”。

碎片内容

110kV变电站开工前期资料报审汇总

确认删除?
VIP
微信客服
  • 扫码咨询
会员Q群
  • 会员专属群点击这里加入QQ群
客服邮箱
回到顶部