电脑桌面
添加小米粒文库到电脑桌面
安装后可以在桌面快捷访问

18粗骨料检测实施细则VIP免费

18粗骨料检测实施细则_第1页
1/13
18粗骨料检测实施细则_第2页
2/13
18粗骨料检测实施细则_第3页
3/13
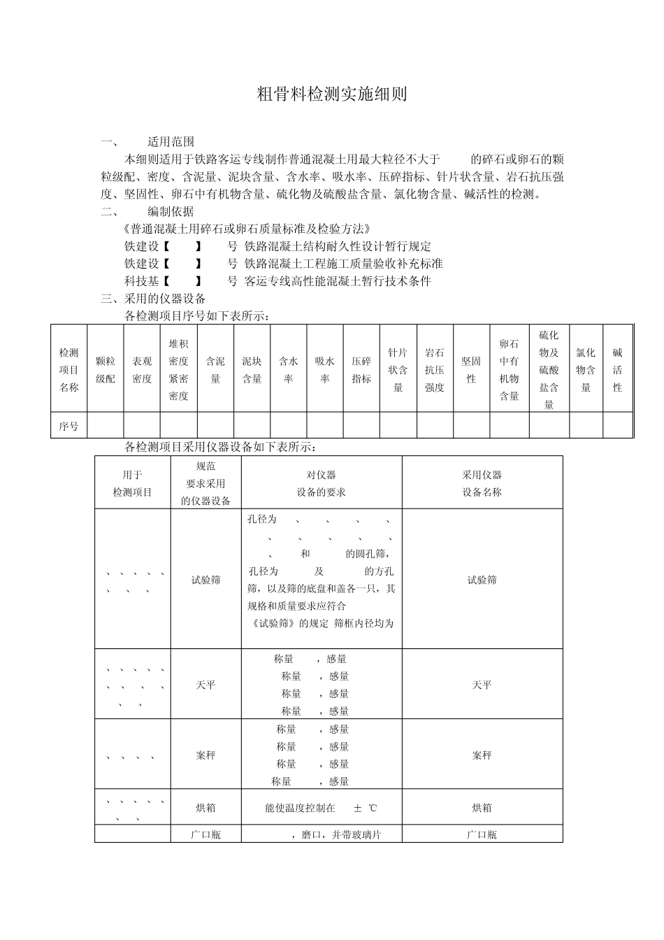
粗骨料检测实施细则 一、 适用范围 本细则适用于铁路客运专线制作普通混凝土用最大粒径不大于 80mm的碎石或卵石的颗粒级配、密度、含泥量、泥块含量、含水率、吸水率、压碎指标、针片状含量、岩石抗压强度、坚固性、卵石中有机物含量、硫化物及硫酸盐含量、氯化物含量、碱活性的检测。 二、 编制依据 1. 《普通混凝土用碎石或卵石质量标准及检验方法》JGJ52-2006 2. 铁建设【2005】157号 铁路混凝土结构耐久性设计暂行规定 3. 铁建设【2005】160号 铁路混凝土工程施工质量验收补充标准 4. 科技基【2005】101号 客运专线高性能混凝土暂行技术条件 三、采用的仪器设备 各检测项目序号如下表所示: 检测项目名称 颗粒级配 表观密度 堆积密度紧密密度 含泥量 泥块含量 含水率 吸水率 压碎指标 针片状含量 岩石抗压强度 坚固性 卵石中有机物含量 硫化物及硫酸盐含量 氯化物含量 碱活性 序号 1 2 3 4 5 6 7 8 9 10 11 12 13 14 15 各检测项目采用仪器设备如下表所示: 用于 检测项目 规范 要求采用 的仪器设备 对仪器 设备的要求 采用仪器 设备名称 1、2、4、5、7、9、11、12、15 试验筛 孔径为100、80.0、63.0、50.0、40.0、31.5、25.0、20.0、16.0、10.0、5.00和2.50mm的圆孔筛,孔径为1.25mm及 0.080mm的方孔筛,以及筛的底盘和盖各一只,其规格和质量要求应符合GB6003-85《试验筛》的规定(筛框内径均为300mm) 试验筛 1、2、4、5、6、7、9、11、12、13、14、15 天平 称量 100g,感量 0.1g 称量 2Kg,感量 2g 称量 5Kg,感量 1g 称量 5Kg,感量 5g 天平 1、3、4、5、9 案秤 称量 10Kg,感量 10g 称量 20Kg,感量 20g 称量 50Kg,感量 50g 称量 100Kg,感量 100g 案秤 1、2、3、4、6、7、11、15 烘箱 能使温度控制在105±5℃ 烘箱 2 广口瓶 1000mL,磨口,并带玻璃片 广口瓶 3 容量筒 见试验备注 容量筒 8、10 压力试验机 荷载 300KN 荷载 1000KN 压力试验机 8 压碎指标 值测定仪 / 压碎指标 值测定仪 9 针状规准仪 片状规准仪 / 针状规准仪 片状规准仪 10 游标卡尺 / 游标卡尺 11 三脚网篮 网篮的外径为 100mm,高为 150mm,采用孔径不大于2.5mm的网和铜丝制成。检验40-80mm的颗粒时,应采用外径和高均为 150mm的网篮 三脚网篮 12 量筒 100mL、250mL、1000mL 量筒 13、14 三角瓶、容量瓶 300mL、5...

1、当您付费下载文档后,您只拥有了使用权限,并不意味着购买了版权,文档只能用于自身使用,不得用于其他商业用途(如 [转卖]进行直接盈利或[编辑后售卖]进行间接盈利)。
2、本站所有内容均由合作方或网友上传,本站不对文档的完整性、权威性及其观点立场正确性做任何保证或承诺!文档内容仅供研究参考,付费前请自行鉴别。
3、如文档内容存在违规,或者侵犯商业秘密、侵犯著作权等,请点击“违规举报”。

碎片内容

18粗骨料检测实施细则

确认删除?
VIP
微信客服
  • 扫码咨询
会员Q群
  • 会员专属群点击这里加入QQ群
客服邮箱
回到顶部