电脑桌面
添加小米粒文库到电脑桌面
安装后可以在桌面快捷访问

2002年工程勘察设计收费标准VIP免费

2002年工程勘察设计收费标准_第1页
1/6
2002年工程勘察设计收费标准_第2页
2/6
2002年工程勘察设计收费标准_第3页
3/6
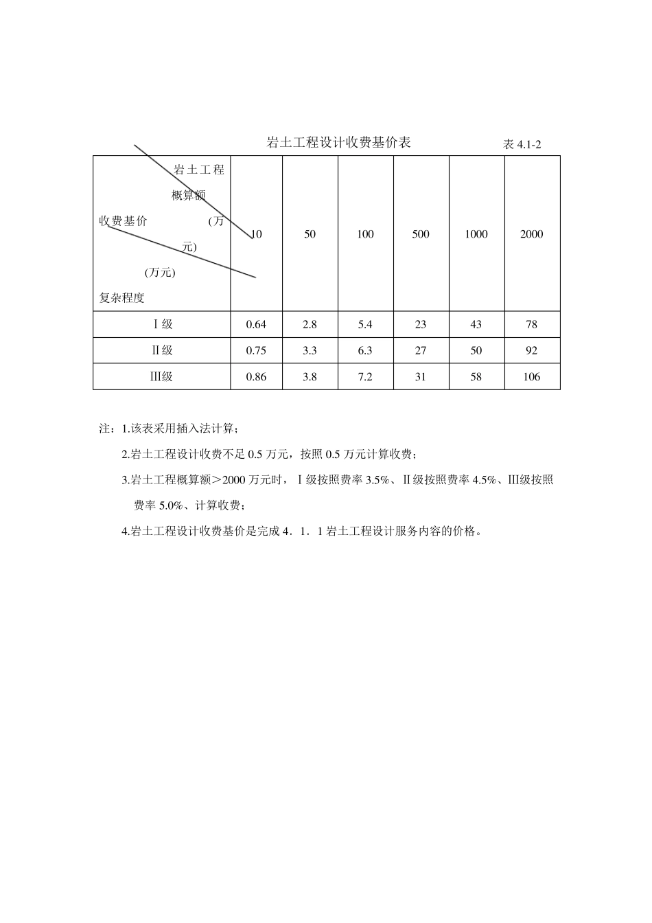
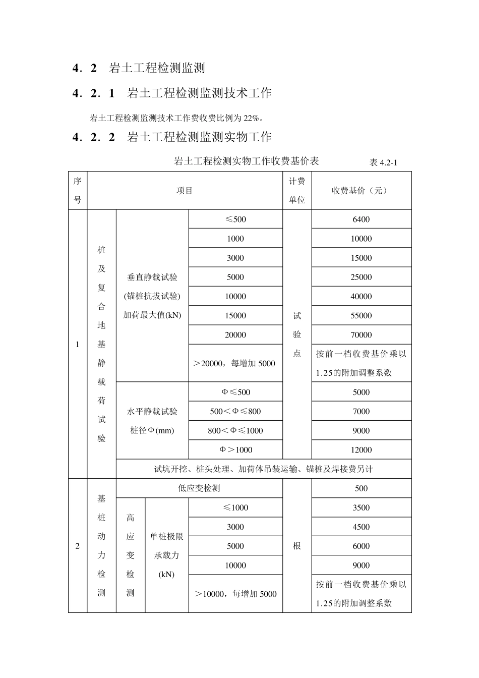
4 岩土工程设计与检测监测 4 .1 岩土工程设计 4 .1 .1 岩土工程设计服务内容 根据工程性质和技术要求,现场踏勘,收集分析已有资料,调查周边建筑物及地下管线情况;编制岩土设计文件,绘制施工图,提出试验、检测和监测方案;配合施工,解决施工中的设计问题。 4 .1 .2 岩土工程设计收费 岩土工程设计复杂程度表 表4.1-1 类别 Ⅰ级 Ⅱ级 Ⅲ级 地基处理 对地基基础变形无严格要求的建筑物,工程地质条件简单,地下水条件简单,对施工影响轻微 对地基基础变形有一定要求的建筑物,工程地质条件较复杂,地下水条件较复杂,对施工影响较严重 对地基基础变形有严格要求的建筑物,工程地质条件复杂,地下水条件复杂,对施工影响严重 基坑支护 基坑深度H≤6.0m ,破坏后果不严重,工程地质条件简单,地下水条件简单,对施工影响轻微 基 坑 深 度6.0m < H ≤12.0m ,破坏后果严重,工程地质条件较复杂,地下水条件较复杂,对施工影响较严重 基坑深度H>12.0m ,破坏后果很严重,工程地质条件复杂,地下水条件复杂,对施工影响严重 施工降水 外墙轴线内包面积 F≤1000m2,单层地下水,渗透系数 0.5m /d<K≤20m /d,降水深度S△≤7.0m,对工程环境的影响无严格要求,辅助工程措施简单 外 墙 轴 线内包 面 积1000m 2<F≤2000m 2,双层 地下水 ,渗 透 系 数0.5m /d<K≤50m /d,降水深度7.0m <S△≤13.0m ,对工程环境的影响有一定要求,辅助工程措施较复杂 外墙轴线内包面积 F>2000m2,多层地下水,渗透系数 K≤0.5m /d 或 K>50m /d,降水深度S△>13.0m,对工程环境的影响有严格要求,辅助工程措施复杂 岩土工程设计收费基价表 表4 .1 -2 岩土工程概算额 收费基价 (万元) (万元) 复杂程度 1 0 5 0 1 0 0 5 0 0 1 0 0 0 2 0 0 0 Ⅰ级 0 .6 4 2 .8 5 .4 2 3 4 3 7 8 Ⅱ级 0 .7 5 3 .3 6 .3 2 7 5 0 9 2 Ⅲ级 0 .8 6 3 .8 7 .2 3 1 5 8 1 0 6 注:1 .该表采用插入法计算; 2 .岩土工程设计收费不足 0 .5 万元,按照 0 .5 万元计算收费; 3 .岩土工程概算额>2 0 0 0 万元时,Ⅰ级按照费率 3 .5 %、Ⅱ级按照费率 4 .5 %、Ⅲ级按照费率 5 .0 %、计算收费; 4 .岩土工程设计收费基价是完成 4 .1 .1 岩土工程设计服务内容的价格。 4 .2 岩土工程检测监测 4 .2 ....

1、当您付费下载文档后,您只拥有了使用权限,并不意味着购买了版权,文档只能用于自身使用,不得用于其他商业用途(如 [转卖]进行直接盈利或[编辑后售卖]进行间接盈利)。
2、本站所有内容均由合作方或网友上传,本站不对文档的完整性、权威性及其观点立场正确性做任何保证或承诺!文档内容仅供研究参考,付费前请自行鉴别。
3、如文档内容存在违规,或者侵犯商业秘密、侵犯著作权等,请点击“违规举报”。

碎片内容

2002年工程勘察设计收费标准

您可能关注的文档

确认删除?
VIP
微信客服
  • 扫码咨询
会员Q群
  • 会员专属群点击这里加入QQ群
客服邮箱
回到顶部