电脑桌面
添加小米粒文库到电脑桌面
安装后可以在桌面快捷访问

岩土工程勘察规范gb5002—2002009年版水土腐蚀性判定部分VIP免费

岩土工程勘察规范gb5002—2002009年版水土腐蚀性判定部分_第1页
1/5
岩土工程勘察规范gb5002—2002009年版水土腐蚀性判定部分_第2页
2/5
岩土工程勘察规范gb5002—2002009年版水土腐蚀性判定部分_第3页
3/5
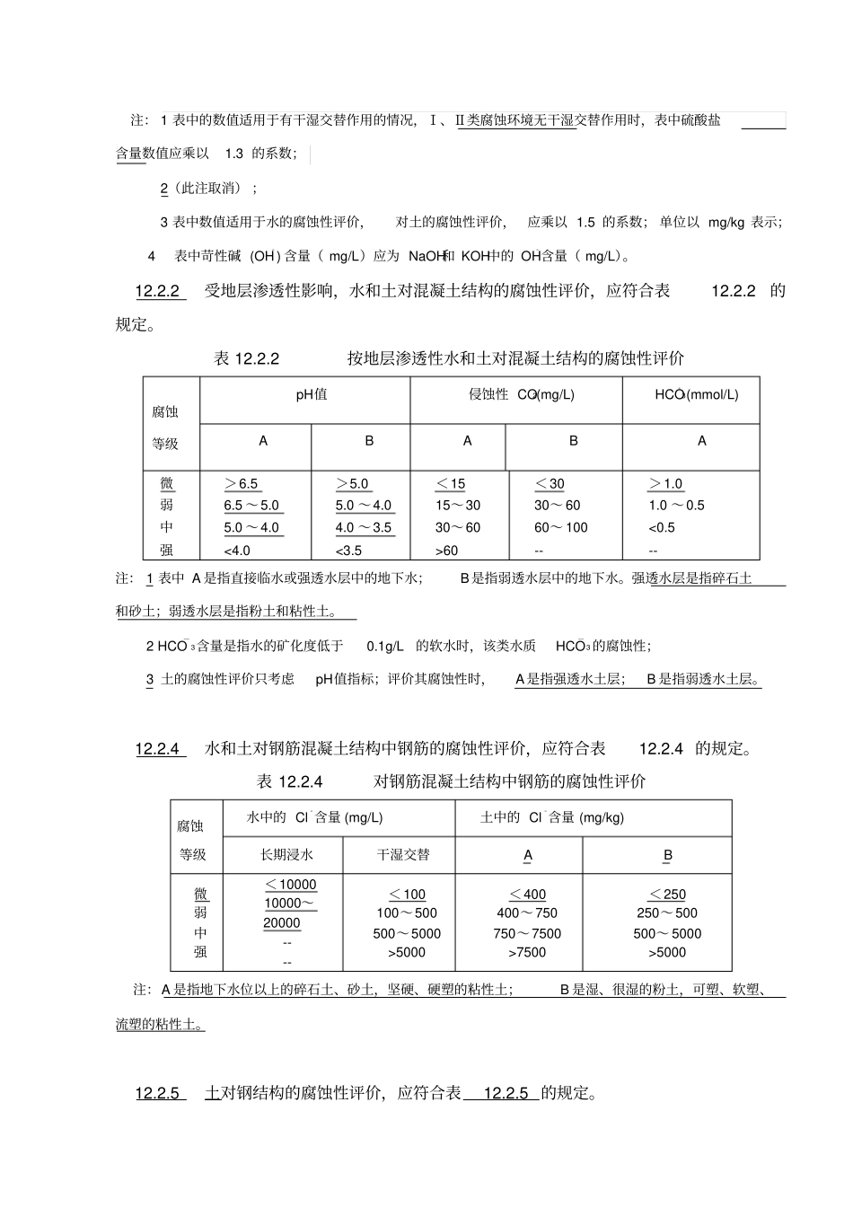
中 华 人 民 共 和 国 住 房 和 城 乡 建 设 部 公 告第3 1 4号《岩土工程勘察规范》(GB50021-2001)局部修订版现批准《岩土工程勘察规范》GB50021-2001局部修订的条文,自2009 年 7 月1 日起实施。 其中,第 1.0.3 、4.1.18(1 、2、3、4) 、4.1.20(1 、2、3) 、4.8.5 、5.7.2 、7.2.2 条(款)为强制性条文,必须严格执行。经此次修改的原条文同时废止。局部修订的条文及具体内容,将在近期出版的《工程建设标准化》刊物上登载。二○○九年五月十九日12.1.1 当有足够经验或充分资料, 认定工程场地及其附近的土或水 (地下水或地表水)对建筑材料不具腐蚀性时,可不取样进行腐蚀性评价。否则,应取水试样或土试样进行试验,并按本章评定其对建筑材料的腐蚀性。土对钢结构腐蚀性的评价可根据任务要求进行。12.1.2 采取水试样和土试样应符合下列规定:1混凝土结构处于地下水位以上时,应取土试样做土的腐蚀性测试;2混凝土结构处于地下水或地表水中时,应取水试样做水的腐蚀性测试;3混凝土结构部分处于地下水位以上、部分处于地下水位以下时,应分别取土试样和水试样做腐蚀性测试;4水试样和土试样应在混凝土结构所在的深度采取,每个场地不应少于2 件。当土中盐类成分和含量分布不均匀时,应分区、分层取样,每区、每层不应少于2 件。12.1.3 水和土腐蚀性的测试项目和试验方法应符合下列规定:1水对混凝土结构腐蚀性的测试项目包括:pH值、Ca2+、Mg2+、Cl- 、SO42-、HCO3-、CO32-、侵蚀性 CO2、游离 CO2、NH4+、OH-、总矿化度;2 土对混凝土结构腐蚀性的测试项目包括:pH值、Ca2+、Mg2+、Cl-、SO42-、HCO3- 、CO32-的易溶盐(土水比1:5)分析;3 土对钢结构的腐蚀性的测试项目包括:pH 值、氧化还原电位、极化电流密度、电阻率、质量损失;4腐蚀性测试项目的试验方法应符合表12.1.3 的规定。12.1.4 水和土对建筑材料的腐蚀性,可分为微、弱、中、强 四个等级,并可按本规范第 12.2 节进行评价。12.2.1受环境类型影响,水和土对混凝土结构的腐蚀性,应符合表12.2.1的规定;环境类型的划分按本规范附录G执行。表 12.1.3 腐蚀性试验方法序号试 验 项 目试验方法1 2 3 4 5 6 7 8 9 10 11 12 13 14 15 16 pH值Ca2+Mg2+Cl-SO2-4 HCO-3 CO2-3 侵蚀性 CO2游离 CO2 NH+4OH-总矿化度氧化还原电位极化电流密度电阻率质量损失电位法或锥形玻璃电极法EDTA容量法EDTA容量法...

1、当您付费下载文档后,您只拥有了使用权限,并不意味着购买了版权,文档只能用于自身使用,不得用于其他商业用途(如 [转卖]进行直接盈利或[编辑后售卖]进行间接盈利)。
2、本站所有内容均由合作方或网友上传,本站不对文档的完整性、权威性及其观点立场正确性做任何保证或承诺!文档内容仅供研究参考,付费前请自行鉴别。
3、如文档内容存在违规,或者侵犯商业秘密、侵犯著作权等,请点击“违规举报”。

碎片内容

岩土工程勘察规范gb5002—2002009年版水土腐蚀性判定部分

确认删除?
VIP
微信客服
  • 扫码咨询
会员Q群
  • 会员专属群点击这里加入QQ群
客服邮箱
回到顶部