电脑桌面
添加小米粒文库到电脑桌面
安装后可以在桌面快捷访问

SD卡引脚定义及命令VIP免费

SD卡引脚定义及命令_第1页
1/17
SD卡引脚定义及命令_第2页
2/17
SD卡引脚定义及命令_第3页
3/17
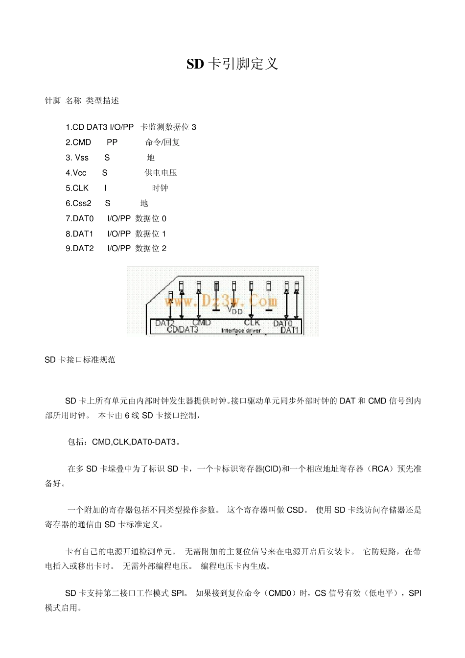
SD 卡引脚定义 针脚 名称 类型描述 1.CD DAT3 I/O/PP 卡监测数据位3 2.CMD PP 命令/回复 3. Vss S 地 4.Vcc S 供电电压 5.CLK I 时钟 6.Css2 S 地 7.DAT0 I/O/PP 数据位0 8.DAT1 I/O/PP 数据位1 9.DAT2 I/O/PP 数据位2 SD 卡接口标准规范 SD 卡上所有单元由内部时钟发生器提供时钟。接口驱动单元同步外部时钟的 DAT 和 CMD 信号到内部所用时钟。 本卡由6 线 SD 卡接口控制, 包括:CMD,CLK,DAT0-DAT3。 在多 SD 卡垛叠中为了标识 SD 卡,一个卡标识寄存器(CID)和一个相应地址寄存器(RCA)预先准备好。 一个附加的寄存器包括不同类型操作参数。 这个寄存器叫做 CSD。 使用 SD 卡线访问存储器还是寄存器的通信由SD 卡标准定义。 卡有自己的电源开通检测单元。 无需附加的主复位信号来在电源开启后安装卡。 它防短路,在带电插入或移出卡时。 无需外部编程电压。 编程电压卡内生成。 SD 卡支持第二接口工作模式 SPI。 如果接到复位命令(CMD0)时,CS 信号有效(低电平),SPI模式启用。 SD 卡接口规范(完整规范标准) 特性: ◎容量:32MB/64MB/128MB/256MB/512MB/1GBy te ◎兼容规范版本 1.01 ◎卡上错误校正 ◎支持 CPRM ◎两个可选的通信协议:SD 模式和 SPI 模式 ◎可变时钟频率 0-25MHz ◎通信电压范围:2.0-3.6V 工作电压范围:2.0-3.6V ◎低电压消耗:自动断电及自动睡醒,智能电源管理 ◎无需额外编程电压 ◎卡片带电插拔保护 ◎正向兼容 MMC 卡 ◎高速串行接口带随即存取---支持双通道闪存交叉存取---快写技术:一个低成本的方案,能够超高速闪存访问和高可靠数据存储---最大读写速率:10Mby te/s ◎最大 10 个堆叠的卡(20MHz ,Vcc=2.7-3.6V) ◎数据寿命:10 万次编程/擦除 ◎CE 和 FCC 认证 ◎PIP 封装技术 ◎尺寸:24mm 宽×32mm 长×1.44mm 厚本 SD 卡高度集成闪存,具备串行和随机存取能力。 可以通过专用优化速度的串行接口访问,数据传输可靠。接口允许几个卡垛叠,通过他们的外部连接。接口完全符合最新的消费者标准,叫做 SD 卡系统标准,由 SD 卡系统规范定义。 SD 卡系统是一个新的大容量存储系统,基于半导体技术的变革。它的出现,提供了一个便宜的、结实的卡片式的存储媒介,为了消费多媒体应用。 SD 卡可以设计出便宜的播放器和驱动器而没有可移动的部分。一个低耗电和广供电电压的可...

1、当您付费下载文档后,您只拥有了使用权限,并不意味着购买了版权,文档只能用于自身使用,不得用于其他商业用途(如 [转卖]进行直接盈利或[编辑后售卖]进行间接盈利)。
2、本站所有内容均由合作方或网友上传,本站不对文档的完整性、权威性及其观点立场正确性做任何保证或承诺!文档内容仅供研究参考,付费前请自行鉴别。
3、如文档内容存在违规,或者侵犯商业秘密、侵犯著作权等,请点击“违规举报”。

碎片内容

SD卡引脚定义及命令

您可能关注的文档

确认删除?
VIP
微信客服
  • 扫码咨询
会员Q群
  • 会员专属群点击这里加入QQ群
客服邮箱
回到顶部