电脑桌面
添加小米粒文库到电脑桌面
安装后可以在桌面快捷访问

凝结水泵检修规程VIP免费

凝结水泵检修规程_第1页
1/14
凝结水泵检修规程_第2页
2/14
凝结水泵检修规程_第3页
3/14
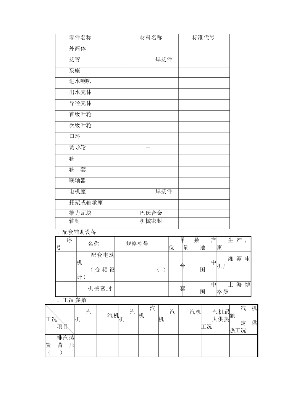
一、凝结水泵型式 1、 型式(或型号)及用途: 型式: 立式筒袋式多级离心泵 型号: NLT350-400X7 用途: 凝结水泵在高度真空的条件下将排汽装置热井中的凝结水抽出,输送接近于排汽装置压力的饱和温度的水。 主要技术参数: (1) 型 号:NLT350-400×7 (2) 型 式:筒袋型立式多级离心泵 (3) 泵型号意义: NLT ——筒型立式凝结水泵 350——泵出口名义直径(mm) 400——叶轮名义直径(mm) 7 —— 表示叶轮级数 (4) 电动机型号意义: Y L KK 500-4 Y ——Y 型 L——立式布置 KK——空-空冷 500——机座号 4——表示极数 概述 对应汽轮机最大凝汽量工况的凝结水量的110%(凝结水量应为以下各项的和:汽轮机最大进汽工况的凝汽量、进入排汽装置的经常疏水量、低压加热器可能排入排汽装置的事故疏水、进入排汽装置的正常补给水量及其它)作为凝结水泵组的最大运行工况点即铭牌工况点,此工况点下,应保证流量和扬程等凝结水泵的各方面的性能要求。 对应汽轮机额定负荷(即主机负荷 330MW对应的工况下,根据主机制造厂提供的热平衡图的工况下的凝汽量,另加补给水量),所对应凝结水泵运行时间概率最长的流量和扬程范围,作为凝结水泵运行高效区域,在该区域内运行,效率应予保证。合理选定该区域的一个工作点作为凝结水泵经济运行工况点,以此工况点作为凝结水泵效率考核工况点。 2、参数性能 序号 参数名称 单位 铭牌工况 经济运行工况 1 流量 t/h 1038.2 826.12 2 扬程 mH2O 305 354 3 转速 rpm 1480 1480 4 首级叶轮中心线处需要吸入净正压头(NPSHr) mH2O 3.8 3.16 5 泵的效率 % 79.5 82.2 6 运行水温 ℃ 54 54 7 泵体设计压力/试验压力 MPa 4.0/5.16 8 最小流量 t/h 216 9 最小流量下的扬程 mH2O 404 10 关闭压头 mH2O 409 11 制动功率 kW 1086 12 正常轴承座振动(双振幅值) mm 0.05 3、结构尺寸/配置情况表 序号 结构/配置名称 单位 尺寸/配置情况 1 外筒体尺寸(长、直径) m 4.895/0.762 2 泵轴长 m 3.708 3 首级叶轮型式 单吸加装诱导轮 4 首级叶轮直径 mm 400 5 叶轮尺寸(最大/最小) mm 400/375 6 叶轮级数 7 7 转子直径 mm 400 8 轴承形式/数量 径向水导轴承/8 9 推力额定负荷/推力最大值 kN 24/38 10 联轴器传递功率 kW 1250 11 密封形式/密封水流量 机械密封/ 0.8-1.2 m3/h,水质为除...

1、当您付费下载文档后,您只拥有了使用权限,并不意味着购买了版权,文档只能用于自身使用,不得用于其他商业用途(如 [转卖]进行直接盈利或[编辑后售卖]进行间接盈利)。
2、本站所有内容均由合作方或网友上传,本站不对文档的完整性、权威性及其观点立场正确性做任何保证或承诺!文档内容仅供研究参考,付费前请自行鉴别。
3、如文档内容存在违规,或者侵犯商业秘密、侵犯著作权等,请点击“违规举报”。

碎片内容

凝结水泵检修规程

您可能关注的文档

确认删除?
VIP
微信客服
  • 扫码咨询
会员Q群
  • 会员专属群点击这里加入QQ群
客服邮箱
回到顶部