电脑桌面
添加小米粒文库到电脑桌面
安装后可以在桌面快捷访问

06-行政部ISO9001检查表VIP免费

06-行政部ISO9001检查表_第1页
1/3
06-行政部ISO9001检查表_第2页
2/3
06-行政部ISO9001检查表_第3页
3/3
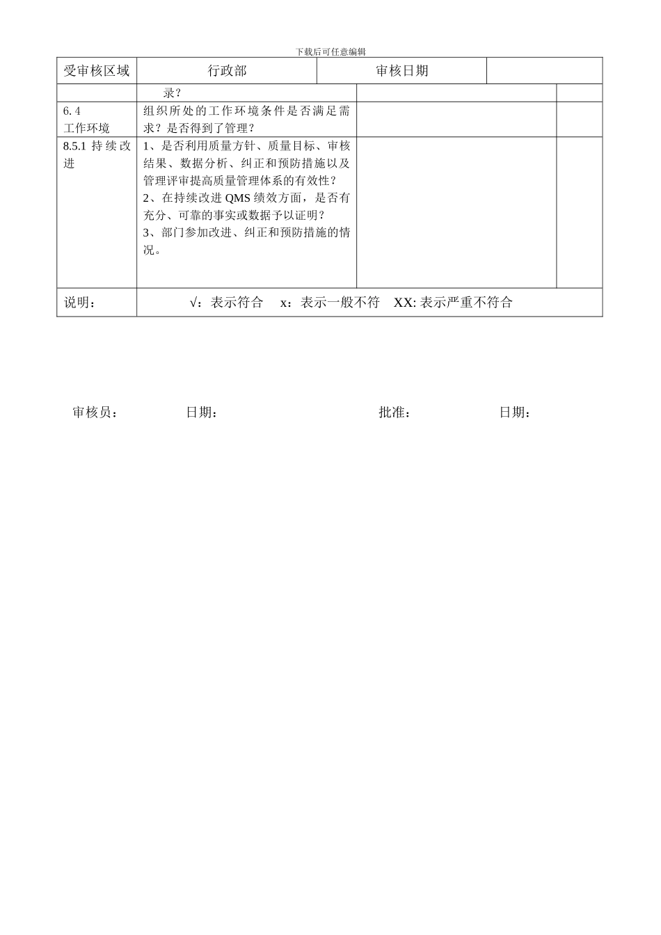
下载后可任意编辑受审核区域行政部审核日期审核组长审核人员陪同人员审核范围检 查 项 目检 查 记 录判定4.2.3文件控制1、 组织是否制订了文件的控制程序?2、 文件发布前是否得到批准?文件修订是否及时?修订后是否被重新批准?3、 识别文件现行修订状态的方法是什么?能否满足要求?4、 使用处是否得到有效版本的适用文件?作废文件是否从发出场所及时撤出?5、 外来文件是否得到识别?发放如何控制?6、 保留作废文件的标识是否清楚?4.2.4记录控制1、 是否制定了记录的控制程序?2、 记录的标识是否清楚?检索是否方便?3、 是否规定了记录的保存期?检查程序内容是否符合标准的要求,是否与质量手册相协调。了解是否对记录的标识、储存、检索、保护、保存期限的处置作了明确的规定,其适用性和有效性如何。5.4.1质量目标1、 质量目标的设定是否在相关层次上得到分解?分解是否适宜?2、 质量目标是否与质量方针给定的框架一致?3、 质量目标是否具有可测量性?测量方法是否明确?5.5.1职责和权限各部门负责人及各岗位员工是否明确自己的职责、权限及相互关系?5.5.3内部沟通1、 组织内部沟通工具有哪些?2、 各类人员是否了解组织的质量管理体系的运行状况?6.2人力资源1、 组织是否识别了从事影响质量活动的各类人员的能力?2、 是否对人员能力的胜任情况进行了考核?人员的安排是否满足需求?3、 是否按需求安排了培训?4、 是否评价了培训的有效性?5、 员工的质量意识如何?6、 是否保持了教育、培训、技能的记下载后可任意编辑受审核区域行政部审核日期录?6.4工作环境组织所处的工作环境条件是否满足需求?是否得到了管理?8.5.1 持 续 改进1、是否利用质量方针、质量目标、审核结果、数据分析、纠正和预防措施以及管理评审提高质量管理体系的有效性?2、在持续改进 QMS 绩效方面,是否有充分、可靠的事实或数据予以证明?3、部门参加改进、纠正和预防措施的情况。说明: √:表示符合 x:表示一般不符 XX: 表示严重不符合 审核员: 日期: 批准: 日期: 个人工作业务总结本人于 2024 年 7 月进入新疆中正鑫磊地矿技术服务有限公司(前身为“西安中正矿业信息咨询有限公司”),主要从事测量技术工作,至今已有三年。在这宝贵的三年时间里,我边工作、边学习测绘相专业书籍,遇到不懂得问题积极的请教工程师们,在他们耐心的教授和指导下,我的专业知识水平得到了很到的提高,并在实地测量...

1、当您付费下载文档后,您只拥有了使用权限,并不意味着购买了版权,文档只能用于自身使用,不得用于其他商业用途(如 [转卖]进行直接盈利或[编辑后售卖]进行间接盈利)。
2、本站所有内容均由合作方或网友上传,本站不对文档的完整性、权威性及其观点立场正确性做任何保证或承诺!文档内容仅供研究参考,付费前请自行鉴别。
3、如文档内容存在违规,或者侵犯商业秘密、侵犯著作权等,请点击“违规举报”。

碎片内容

06-行政部ISO9001检查表

您可能关注的文档

确认删除?
VIP
微信客服
  • 扫码咨询
会员Q群
  • 会员专属群点击这里加入QQ群
客服邮箱
回到顶部