电脑桌面
添加小米粒文库到电脑桌面
安装后可以在桌面快捷访问

刚性屋面做法VIP免费

刚性屋面做法_第1页
1/29
刚性屋面做法_第2页
2/29
刚性屋面做法_第3页
3/29
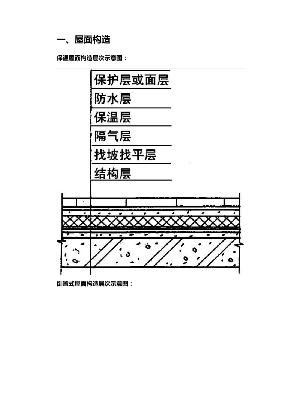
一 、屋面构造 保温屋面构造层次示意图: 倒置式屋面构造层次示意图: 二 、找平层施工 一 般 采 用 水 泥 砂 浆 、 细 石 砼 或 沥 青 砂 浆 作 屋 面 的 整 体 找 平 层 。 1 厚度及技术要求 ⑴ 水 泥 砂 浆 找 平 层 :当结构层 为现浇砼 整 体 板时,厚度为 15~20mm;当有整 体 或 块状材料保温层 时,厚度为20~25mm;当结构层 为装配式砼 板且保温层 为松散材料时,厚度为 20~30mm。 水 泥 砂 浆 采 用 1:2.5~1:3(水 泥 :砂 )体 积比,水 泥 强度等级不低于 32.5级。 ⑵ 细 石 砼 找 平 层 :厚度为 30~35mm,砼 强度等级不低于 C20。 ⑶ 沥青砂浆找平层:当结构层为现浇砼整体板时,厚度为 15~20mm;当结构层为装配式砼板且保温层为整体或块状材料时,厚度为20~25mm。沥青砂浆采用 1:8(沥青:砂)质量比。 2 找 平 层 的 排 水 坡 度 平屋面采用结构找坡时不应小于 3%,材料找坡时宜为 2%;天沟、檐沟纵向找坡不应小于 1%,沟底水落差不得超过 200mm。 3 节 点 处 理 找平层在突出屋面结构(女儿墙、山墙、变形缝、烟囱)的交接处和转角处应作成园弧形,园弧半径当防水层为沥青防水卷材时 R=100~150mm,高聚物改性沥青防水卷材时 R=50mm,合成高分子防水卷材时 R=20mm。内部排水的落水口周围,找平层应做成略低的凹坑。 高 低跨变形缝处 理 : 伸出屋面管道防水处理: 直 式 水 落 口: 4 找 平 层 的 分格缝 找 平 层 宜 设 分 格 缝 , 并 嵌 填 密 封 材 料 。分 格 缝 应留设 在板端缝 处, 其纵横缝 的最大间距, 水泥砂浆或细石砼找 平 层 不宜 大于 6m, 沥青砂浆不宜 大于4m。 屋 面 分 格 缝 的 面 层 处 理 : 三 、保温层 施工 1 保温层 材料 保 温 材 料 可 分 为 三 类 : 一 是 松 散 材 料 , 如 炉 渣 、膨胀蛭石、膨胀珍珠岩等, 目前已较少使用。二是 板状材 料 , 如 膨胀蛭石、膨胀珍珠岩块, 泡沫水泥、加气砼块, 岩棉板、EPS 聚笨板、XPS 挤塑板。三 是 整体现浇(喷)保 温 层, 如沥青膨胀蛭石、沥青膨胀珍珠岩、聚胺酯硬泡防水保 温 一 体化系统 等。 目前较多使用的是 岩棉板、EPS 聚笨板、XPS 挤塑板等板状材 料 。聚胺酯硬泡防水保 温 等一 体化系统发展迅速。...

1、当您付费下载文档后,您只拥有了使用权限,并不意味着购买了版权,文档只能用于自身使用,不得用于其他商业用途(如 [转卖]进行直接盈利或[编辑后售卖]进行间接盈利)。
2、本站所有内容均由合作方或网友上传,本站不对文档的完整性、权威性及其观点立场正确性做任何保证或承诺!文档内容仅供研究参考,付费前请自行鉴别。
3、如文档内容存在违规,或者侵犯商业秘密、侵犯著作权等,请点击“违规举报”。

碎片内容

刚性屋面做法

您可能关注的文档

小辰7+ 关注
实名认证
内容提供者

出售各种资料和文档

确认删除?
VIP
微信客服
  • 扫码咨询
会员Q群
  • 会员专属群点击这里加入QQ群
客服邮箱
回到顶部