电脑桌面
添加小米粒文库到电脑桌面
安装后可以在桌面快捷访问

地网接地电阻的测量VIP免费

地网接地电阻的测量_第1页
1/7
地网接地电阻的测量_第2页
2/7
地网接地电阻的测量_第3页
3/7
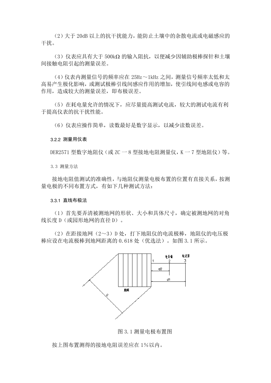
第三章 地网接地电阻的测量 通信局、站接地系统多采用联合接地方式,该接地系统主要有接地体、接地汇集线、接地连接线等几部分组成。接地系统的接地电阻每年应定期测量,始终保持接地电阻符合指标要求。 3.1 接地电阻的定义 工频电流从接地体向周围大地散流时,土壤呈现的电阻值叫接地电阻R。接地电阻的数值等于接地体的电位U。于通过接地体流入大地中电流Id 的比值。用公式表示为: Uo Ro= ——— Id 当冲击电流或雷电流通过接地体向大地散流时,不再用工频接地电阻而是用冲击接地电阻来量度冲击接地的作用。 冲击接地电阻RCH 等于接地体对地冲击电压的幅值与冲击电流幅值之比。 冲击接地电阻RCH 与工频接地电阻Ro的关系是: RCH= Ro 式中 为冲击系数  的大小与大地电阻率有关,它们的关系是: 当大地电阻率100·m 时 1 500·m 时 0.667 1000·m 时 0.5 1000·m 时 0.333 3.2 测量仪表 3 .2 .1 对测量仪表的要求 (1)接地电阻的测量工作有时在野外进行,因此,测量仪表应坚固可靠,机内自带电源,重量轻、体积小,并对恶劣环境有较强的适应能力。 ( 2) 大 于 20dB 以 上 的 抗 干 扰 能 力 , 能 防 止 土 壤 中 的 杂 散 电 流 或 电 磁 感 应 的干 扰 。 ( 3) 仪 表 应 具 有 大 于 500k 的 输 入 阻 抗 , 以 便 减 少 因 辅 助 极 棒 探 针 和 土 壤间 接 触 电 阻 引 起 的 测 量 误 差 。 ( 4) 仪 表 内 测 量 信 号 的 频 率 应 在25Hz~ 1kHz 之 间 , 测 量 信 号 频 率 太 低 和 太高 易 产 生 极 化 影 响 , 或 测 试 极 棒 引 线 间 感 应 作 用 的 增 加 , 使 引 线 间 电 感 或 电 容 的作 用 , 造 成 较 大 的 测 量 误 差 , 即 布 极 误 差 。 ( 5) 在 耗 电 量 允 许 的 情 况 下 , 应 尽 量 提 高 测 试 电 流 , 较 大 的 测 试 电 流 有 利于 提 高 仪 表 的 抗 干 扰 性 能 。 ( 6) 仪 表 应 操 作 简 单 , 读 数 最 好 是 数 字 显 示 , 以 减 少 读 数 误 差 。 3 .2 .2 测量用仪表 DER2571 型 数 字 地 阻 仪 ( 或 ZC 一 8 型 接 地 电 阻 ...

1、当您付费下载文档后,您只拥有了使用权限,并不意味着购买了版权,文档只能用于自身使用,不得用于其他商业用途(如 [转卖]进行直接盈利或[编辑后售卖]进行间接盈利)。
2、本站所有内容均由合作方或网友上传,本站不对文档的完整性、权威性及其观点立场正确性做任何保证或承诺!文档内容仅供研究参考,付费前请自行鉴别。
3、如文档内容存在违规,或者侵犯商业秘密、侵犯著作权等,请点击“违规举报”。

碎片内容

地网接地电阻的测量

小辰7+ 关注
实名认证
内容提供者

出售各种资料和文档

相关文档

确认删除?
VIP
微信客服
  • 扫码咨询
会员Q群
  • 会员专属群点击这里加入QQ群
客服邮箱
回到顶部