电脑桌面
添加小米粒文库到电脑桌面
安装后可以在桌面快捷访问

山东省建筑施工企业安全生产许可证动态考核办法附件VIP免费

山东省建筑施工企业安全生产许可证动态考核办法附件_第1页
1/14
山东省建筑施工企业安全生产许可证动态考核办法附件_第2页
2/14
山东省建筑施工企业安全生产许可证动态考核办法附件_第3页
3/14
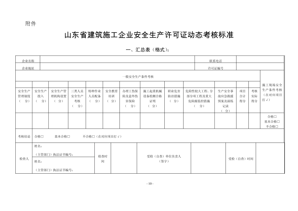
- 1 0 - 附件1: 山 东 省 建 筑 施 工 企 业安全生产许可证动态考核标准 一、汇总表(格式): 企业名称 联系电话 企业地址 许可证编号 一般安全生产条件考核 施工现场安全生产条件考核(在对应项目打√) 1 2 3 4 5 6 7 8 9 10 11 安全生产管理制度 (10分) 安全生产投入 (15分) 安全生产管理机构设置 (5分) 三类人员安全生产考核 (20分) 特种作业人员配备 (10分) 安全教育培训 (5分) 办理工伤保险及意外伤害保险 (10分) 施工起重机械设备检测合格证明 (5分) 职业危害防治措施 (5分) 危险性较大工程、分部分项工程及重大危险源监控措施 (10分) 生产安全事故应急救援预案及演练记录 (5分) 项目合计得分 考核实际得分 100 合格□ 基本合格□ 不合格□ 考核结论 合格□ 基本合格□ 不合格□(在对应项目打√) 检查人 姓名: (主管部门)执法证书编号: 检查时间 受检(自查)单位负责人 (签字) 受检(自查)时间 姓名: (主管部门)执法证书编号: - 1 1 - 考核评分说明 1、此表及以下表格可作为企业自查使用,也可作为主管部门抽查使用。企业一般安全生产条件动态考核对应11个分表,考核结果汇总所得分值,作为企业一般安全生产条件考核的依据。结合施工现场安全生产条件动态考核结果,确定企业安全生产许可证动态考核结果。 2、一般安全生产条件动态考核汇总分值计算方法(考核计分采用百分制) (1)各分表中 20分(含)以上项目为主要评价项目,20分以下项目为一般评价项目。每个分表中有 2项主要评价项目或 3项一般评价项目得分为0,该分表不得分。汇总表单项得0分,一般安全生产条件动态考核为0分。 (2)汇总表中各分项实得分=该分项在考核分表中实得分之和乘以汇总表该分项应得分值/100。 (3)汇总表中企业考核实际得分=汇总表中分项合计总分。 (4)各分表中每项扣减分数总和超出该项应得分后,该项实得分数为零。 - 1 2 - 二、企业一般安全生产条件动态考核分表(格式) 2-1:安全生产管理制度 序号 评 价 项 目 检查评价方法 应得分 评 分 标 准 扣减分数 实得分数 1 本企业部门设置及管理人员花名册 查有关文件 5 未根据企业管理特点设置部门的,扣5分; 未建立管理人员档案的,扣5分。 2 建立安全生产责任制度 查有关文件和责任书文本 20 未按规定建立安全生产责任制度的,扣20分;...

1、当您付费下载文档后,您只拥有了使用权限,并不意味着购买了版权,文档只能用于自身使用,不得用于其他商业用途(如 [转卖]进行直接盈利或[编辑后售卖]进行间接盈利)。
2、本站所有内容均由合作方或网友上传,本站不对文档的完整性、权威性及其观点立场正确性做任何保证或承诺!文档内容仅供研究参考,付费前请自行鉴别。
3、如文档内容存在违规,或者侵犯商业秘密、侵犯著作权等,请点击“违规举报”。

碎片内容

山东省建筑施工企业安全生产许可证动态考核办法附件

您可能关注的文档

确认删除?
VIP
微信客服
  • 扫码咨询
会员Q群
  • 会员专属群点击这里加入QQ群
客服邮箱
回到顶部