电脑桌面
添加小米粒文库到电脑桌面
安装后可以在桌面快捷访问

岩土等级分类VIP免费

岩土等级分类_第1页
1/18
岩土等级分类_第2页
2/18
岩土等级分类_第3页
3/18
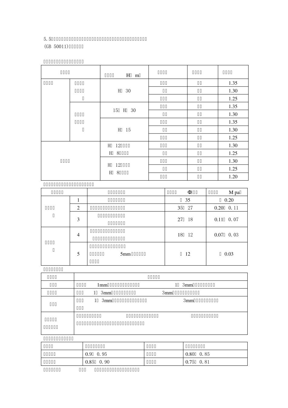
1.1、 根据工程的规模和特征,以及由于岩土工程问题造成工程破坏或影响正常使用的后果,可分为三个工程重要性等级: 1 一级工程:重要工程,后果很严重; 2 二级工程:一般工程,后果严重; 3 三级工程:次要工程,后果不严重; 1.2、根据场地的复杂程度,可按下列规定分为三个场地等级: 1、符合下列条件之一者为一级场地(复杂场地): 1)对建筑抗震危险的地段; 2)不良地质作用强烈发育; 3)地质环境已经或可能受到强烈破坏; 5)有影响工程的多层地下水,岩溶裂隙水或其他水文地质条件复杂,需专门研究的场地。 1.3、符合下列条件之一者为二级场地(中等复杂场地): 1)对建筑抗震不利的地段; 2)不良地质作用一般发育; 3)地质环境已经或可能受到一般破坏; 4)地形地貌较复杂; 5)基础位于地下水位以下的场地; 1.4、符合下列条件者为三级场地(简单场地): 1)抗震设防烈度等于或小于6 度,或对建筑抗震有利的地段; 2)不良地质作用不发育; 3)地质环境基本未受破坏; 4)地形地貌简单; 5)地下水对工程无影响; 1.5、根据地基的复杂程度,可按下列规定分为三个地基等级: 1、符合下列条件之一者为一级地基(复杂地基): 1)岩土种类多,很不均匀,性质变化大,需特殊处理; 2)严重湿陷、膨胀、盐渍、污染的特殊性岩土,以及其他情况复杂,需作专门处理的岩土。 2、符合下列条件之一者为二级地基(中等复杂地基): 1)岩土种类较多,不均匀,性质变化较大; 2)除本条第1 款规定以外的特殊性岩土。 3、符合下列条件者为三级地基(简单地基): 1)岩土种类单一,均匀,性质变化不大; 2)除本条第1 款规定以外的特殊性岩土。 1.6、根据工程重要性等级、场地复杂程度等级和地基复杂程度等级、可按下列条件划分岩土工程勘察等级。 甲级、在工程重要性、场地复杂程度和地基复杂程度等级中,有一项或多项为一级; 乙级、除勘察等级为甲级和丙级以外的勘察项目; 丙级、工程重要性、场地复杂程度和地基复杂程度等级均为三级。 注 :建筑在岩质地基上的一级工程,当场地复杂程度等级和地基复杂程度等级均为三级时,岩土工程勘察等级可定为乙级。 1.7、岩石坚硬程度、岩体完整程度和岩体基本质量等级的划分,应分别按表3.2.21~表3.2.23 执行。 表 3.2.2-1 岩石坚硬程度分类 坚硬程度 坚硬岩 较硬岩 较软岩 软岩 极软岩 饱和单轴抗压强度(Mpa) fr>60 60≥fr>30 30≥fr>15 15≥fr>5 fr≤r<5 标准工程岩...

1、当您付费下载文档后,您只拥有了使用权限,并不意味着购买了版权,文档只能用于自身使用,不得用于其他商业用途(如 [转卖]进行直接盈利或[编辑后售卖]进行间接盈利)。
2、本站所有内容均由合作方或网友上传,本站不对文档的完整性、权威性及其观点立场正确性做任何保证或承诺!文档内容仅供研究参考,付费前请自行鉴别。
3、如文档内容存在违规,或者侵犯商业秘密、侵犯著作权等,请点击“违规举报”。

碎片内容

岩土等级分类

您可能关注的文档

小辰+ 关注
实名认证
内容提供者

出售各种文档和资料

确认删除?
VIP
微信客服
  • 扫码咨询
会员Q群
  • 会员专属群点击这里加入QQ群
客服邮箱
回到顶部