电脑桌面
添加小米粒文库到电脑桌面
安装后可以在桌面快捷访问

工业产品设计CAD试题VIP免费

工业产品设计CAD试题_第1页
1/8
工业产品设计CAD试题_第2页
2/8
工业产品设计CAD试题_第3页
3/8
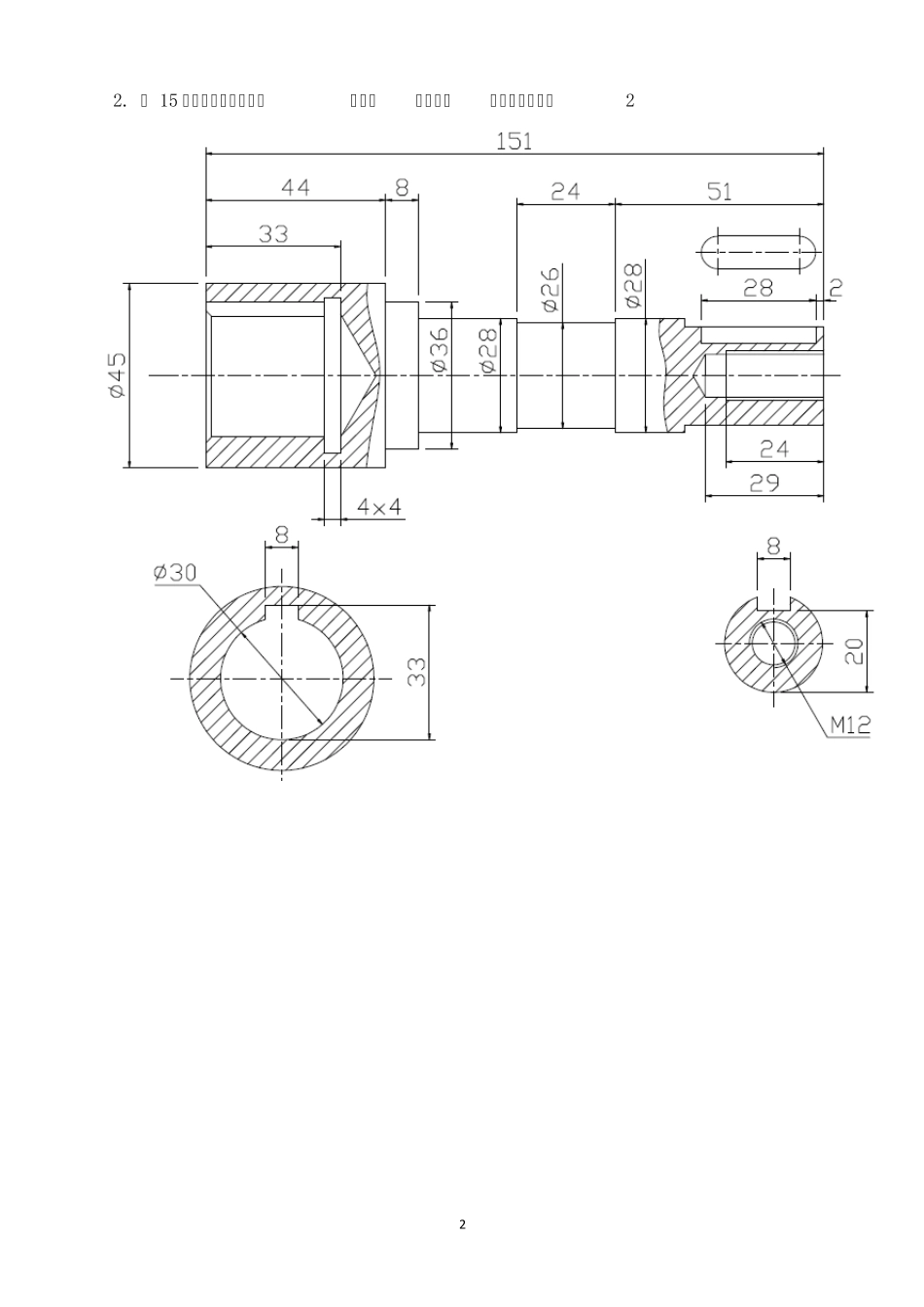
1 2011 年漳州市中职计算机技能大赛试题 工业产品设计CAD ( 240 分钟) 请在C 盘根目录下新建文件夹,文件夹命名为:抽签号(即机号);然后在该文件夹下分别新建三个文件夹:第一题 建模基础、第二题 综合应用、第三题 创意设计;图中尺寸以cm 做单位。 第一题、建模基础:根据工程图样建立零件的三维模型。( 30 分) 1. ( 15 分)存盘至文件夹“第一题 建模基础”命名为:零件1 ` 40cm 15cm 2 2. ( 15 分)存盘至文件夹“第一题 建模基础”命名为:零件2 3 第二题、综合应用(55 分) 图 2-1 是一个回油阀模型的装配工程示意图。回油阀的所有零部件都在图2-1 里所体现。按照下面各小题完成作答,将完成的文件存盘至文件夹“第二题 综合应用”。 图 2-1 装配工程示意图 4 1、根据给出的零件图样(图 2-2 ~图 2-5)所注尺寸生成以下零件模型(包括阀体、阀门、弹簧、压盖、阀盖、阀罩、阀杆、螺母M10、紧定螺钉、垫圈、螺母6、螺柱、垫片)。注意:生成的零件模型以明细栏所给名称存盘(30 分 ) 图 2-2 阀体 5 图 2-3 弹簧、阀门、阀盖 6 图 2-4 阀罩、螺母M6、紧定螺钉、阀杆、螺母M10、垫圈 7 图 2-5 压盖、螺柱、垫圈 2、根据题1 中的图2-3 的工程图,创建阀盖和阀门的工程图文件。(5 分 ) 3、根据所完成的零件模型,创建回油阀的装配图文件。(10 分 ) 4、根据题3 完成的装配图文件,创建部件回油阀的爆炸图(表达视图)。 (5 分 ) 5、根据题3 完成的装配图文件,对部件回油阀进行简单的效果渲染。(5 分 ) 8 第三题、创意设计(15 分 ) “嫦娥奔月”,这是一个中国古老的而又浪漫的神话。它寄托着几千年来中华民族飞天揽月的梦想。为了这样一个梦想,无数的先辈们前仆后继。尤其是近几年来,我国航天事业飞速发展,在载人航天领域,中华民族在2005 年实现了飞天的梦想。在完成飞天梦以后,在党中央和国务院的高度重视下,我国制定了在2020 之前实现宏伟的登月大业! 请发挥灵感创意,为中国即将实现的登月梦想创作月球车的三维模型(10 分 )并进行简单的效果渲染(5 分 )。

1、当您付费下载文档后,您只拥有了使用权限,并不意味着购买了版权,文档只能用于自身使用,不得用于其他商业用途(如 [转卖]进行直接盈利或[编辑后售卖]进行间接盈利)。
2、本站所有内容均由合作方或网友上传,本站不对文档的完整性、权威性及其观点立场正确性做任何保证或承诺!文档内容仅供研究参考,付费前请自行鉴别。
3、如文档内容存在违规,或者侵犯商业秘密、侵犯著作权等,请点击“违规举报”。

碎片内容

工业产品设计CAD试题

确认删除?
VIP
微信客服
  • 扫码咨询
会员Q群
  • 会员专属群点击这里加入QQ群
客服邮箱
回到顶部