电脑桌面
添加小米粒文库到电脑桌面
安装后可以在桌面快捷访问

2025年汽车吊验收表VIP免费

2025年汽车吊验收表_第1页
1/5
2025年汽车吊验收表_第2页
2/5
2025年汽车吊验收表_第3页
3/5
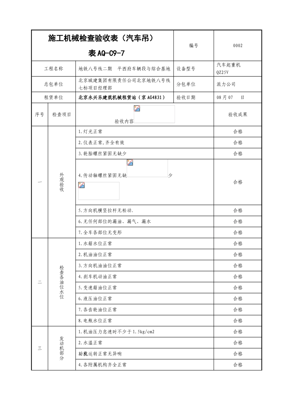
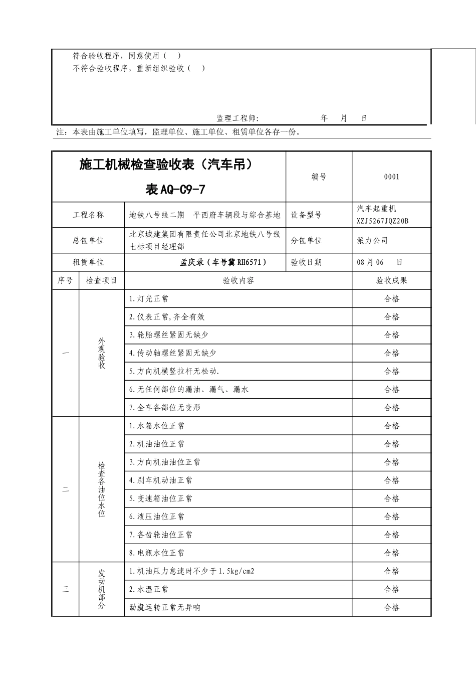
施工机械检查验收表(汽车吊) 表 AQ-C9-7编号0002工程名称地铁八号线二期 平西府车辆段与综合基地设备型号 汽车起重机 QZ25V总包单位北京城建集团有限责任公司北京地铁八号线七标项目经理部分包单位 派力公司租赁单位北京永兴乐建筑机械租赁站(京 AG4831)验收日期08 月 07 日序号检查项目验收内容验收成果一外观验收1.灯光正常合格2.仪表正常,齐全有效合格3.轮胎螺丝紧固无缺少合格4.传动轴螺丝紧固无缺少合格5.方向机横竖拉杆无松动.合格6.无任何部位的漏油、漏气、漏水合格7.全车各部位无变形合格二检查各油位水位1.水箱水位正常合格2.机油油位正常合格3.方向机油油位正常合格4.刹车机动油正常合格5.变速箱油位正常合格6.液压油位正常合格7.各齿轮油位正常合格8.电瓶水位正常合格三发动机部分1.机油压力怠速时不少于 1.5kg/cm2合格2.水温正常合格3.发动机运转正常无异响合格4.各附属机构齐全正常合格四液压传动部分1.液压泵压力正常合格2.支腿正常伸缩,无下滑脱滞现象。合格3.主臂伸缩油缸正常无下滑合格4. 回转正常合格5.液压油温无异常合格五底盘部分1.离合器正常无打滑合格2.变速箱正常合格3.刹车系统正常合格4.各操控机构正常合格5.行走系统正常合格六安全防护有产品合格证合格起重钢丝绳无断丝、断股、润滑良好、直径缩径不不不大于10℅合格吊钩及滑轮无裂纹,危险断面磨损不不不大于原尺寸的 10℅合格起重量幅度批示器正常合格力矩限制器(安全载荷限制器)装置敏捷可靠合格起升高度限位器的报警切断动力功效正常合格水平仪的批示正常合格防过绳装置的功效正常合格卷筒无裂纹无乱绳现象合格吊钩防脱装置工作可靠合格操作人员持证上岗合格驾驶室内挂设安全技术操作规程合格验收结论验收人签字总包单位分包单位租赁单位 监理单位意见: 符合验收程序,同意使用( )不符合验收程序,重新组织验收( ) 监理工程师: 年 月 日注:本表由施工单位填写,监理单位、施工单位、租赁单位各存一份。施工机械检查验收表(汽车吊) 表 AQ-C9-7编号0001工程名称地铁八号线二期 平西府车辆段与综合基地设备型号 汽车起重机 XZJ5267JQZ20B总包单位北京城建集团有限责任公司北京地铁八号线七标项目经理部分包单位 派力公司租赁单位孟庆录(车号冀 RH6571)验收日期08 月 06 日序号检查项目验收内容验收成果一外观验收1.灯光正常合格2.仪表正常,齐全有效合格3.轮胎螺丝紧固无缺少合格4.传动轴螺丝紧固无缺少合格5.方向...

1、当您付费下载文档后,您只拥有了使用权限,并不意味着购买了版权,文档只能用于自身使用,不得用于其他商业用途(如 [转卖]进行直接盈利或[编辑后售卖]进行间接盈利)。
2、本站所有内容均由合作方或网友上传,本站不对文档的完整性、权威性及其观点立场正确性做任何保证或承诺!文档内容仅供研究参考,付费前请自行鉴别。
3、如文档内容存在违规,或者侵犯商业秘密、侵犯著作权等,请点击“违规举报”。

碎片内容

2025年汽车吊验收表

您可能关注的文档

确认删除?
VIP
微信客服
  • 扫码咨询
会员Q群
  • 会员专属群点击这里加入QQ群
客服邮箱
回到顶部