1 井下变电所630 变压器供电设计说明书 一、供电电压等级 井下两路10KV 高压电源来自地面变电所,井下低压供电设备额定电压为660V。 ...
1 中煤第五建设公司第一工程处 王家岭煤矿 井下主变电所通道防火栅栏两用门、密闭门 混凝土浇筑施工安全技术措施 编号: 工程名称:...
山西高平科兴平泉煤业有限公司 井下中央变电所设备安装施工组织方案 一、工程安装概况: 中央变电所土建工程已结束,近日将开始安装电气...
中央变电所检修安全技术措施 一、施工概况: 为保证我矿井下供电系统的可靠性及设备的正常运行,消除供电隐患,根据五星煤矿煤矿检修计划...
地面 10kV 变电所高压开关柜技术规格书编制:审核:二 0 一九年元月十六日审查表矿机电科:年月日矿机电矿长:年月日矿总工程师:年月...
洛阳理工学院毕业设计(论文)I 某水泥厂 110kV 总降压变电所的设计摘 要该论文主要阐述了某水泥厂110kv 总降压变电所供配电系统的设...
下载后可任意编辑变电所电气技术员工作总结 变电所电气技术员工作总结我叫***,从事电气设备维修工作已有 5 年时间。自***年*月来到哈**...
下载后可任意编辑变电所现场定置管理制度 现场定置管理制度 为进一步落实双达标工作,实现文明生产,使生产现场达到科学化、标准化和制度...
分区亭综合自动化、交、直流电源系统技术要求编制: 审核: 复核:神华准格尔能源有限责任公司2024 年 1 月 11 日第一节 货物需求...
目录某电机修造厂总降压变电所以及高压配电系统设计摘要电力行业作为国家经济的命脉之一, 无论在工农业建设还是普通民用都扮演着中流砥柱...
西南科技大学自动化专业方向设计报告设计名称:某电机修造厂变电所设计姓名:学号: 班级:指导教师:起止日期: 2012.10.15--_2012.11.15...
某用户 35kV 变电所及其综合自动化系统设计摘要 : 35kV 变电所综合自动化系统主要为无人值班形式,其设计应服从电网调度自动化的总体...
目录一.中央变电所概况...............................................................................................................
任 务 书内容和要求:完成某机械厂10/0.4kV 变电所电气一次部分设计,其要求如下:(1)厂内用电负荷情况见附表。(2)与系统接线情况:...
一、设计任务书(一)设计题目某机械厂降压变电所电气一次设计(二)设计要求要求根据本厂所能取得的电源及本厂用电负荷的实际情况,并考虑...
1 / 31 1 绪论工厂供电 , 就是指工厂所需电能地供应和分配, 亦称工厂配电 . 电能是现代工业生产地主要能源和动力. 电能既易于由...
第 1 章 任务书1.1 设计题目某机械厂总降压变电所的电气设计1.2 设计目的(1)通过该厂变电所的设计培养学生综合运用所学的基础理论知...
毕业设计成果Graduation practice achievement说明书题目 某机械厂 10KV降压变电所电气设计助学单位:专业:班级:准考证号:设 计 ...
35kV 变电所高压柜改造施工组织设计编 制:***审 核:批 准:日 期:2024 年 6 月**日目 录一、 编制依据二、 工程概况三、 施...
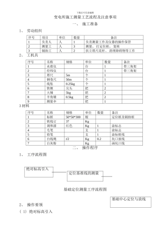
下载后可任意编辑牵引变电所二次接线施工工艺本指导适用于新建铁路牵引变电所及分区所的二次接线施工,改造所施工可参照执行。施工流程:开...

