图形目录图 23.1 企业发卖办理业务的第一层数据流图 3图 23.2 发卖根底数据办理业务数据流图〔第二层数据流〕4图 23.3 发卖方案办理...
精品文档---下载后可任意编辑目录一、流程图符号说明:________________________________________________4二、K/3 系统基础操作流程图:_...
湿敷法操作流程图穴位贴敷法操作流程图面膜法操作流程图拔火罐法操作流程图艾条灸法操作流程图针刺操作流程图熏洗法操作流程图涂药法操作流...
1二、设计思路1、从化工词典中对氢氧化亚铁的说明开始引课,使学生对氢氧化亚铁有一个概括性的认识,并认识工具书的使用在学习中的重要意义...
公司运作流程图Companynumber[1089WT-1898YT-1W8CB-9UUT-92108]整体运作流程图简述主要生产车间流程图炼胶车间生产流程图销售订单技术部III...
. . Word 完美格式 公 司 接 待 标 准 及 流 程 一、目的 为树立公 司 良好形象,扩大公 司 对外联系和交流 ,本着“热...
目 录 1 . 范围 .................................................................................................................
4.5 业务流程图 业务部 总经办 财务、商务 仓管 否 否 是 否 是 是 是 是 否 否 是 否 否 是 业务员及时报备商机 清...
公司各部门工作流程图1
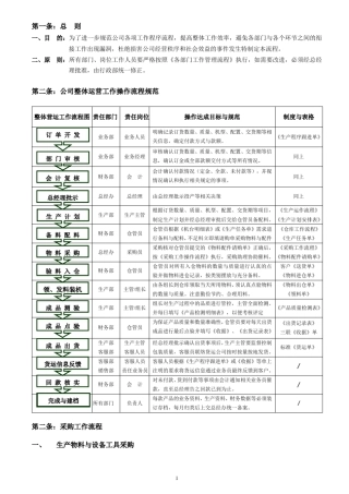
1 公 司 各 部 门 工 作流程图 2 目 录 1、人力资源工作流程图………………………………………………… 3 2、软件工作流程图...
公司内部审计制度与审计流程图 公司内部审计制度 第一章 总 则 第一条 为了加强本公司的内部审计工作,根据《中华人民共和国审计法》...
目 录 一 需求分析 ............................................................. 1 1.1 程序的功能: ..........................
路基填筑施工工艺流程图 施工测量 施工放样 清除场地 临时排水设施 汽车便道铺筑 厚度检查 宕渣技术指标检测 基底处理 填前压实 ...
全过程工程咨询最完整的全流程图 工程建设项目一直以来都是众人眼中的“老大难”,文中四大流程中的24 张图带你全面了解工程建设项目的全...
全过程工程咨询最完整的全流程图(24 张图) 一、工程建设项目前期工作流程 1.1 工程建设项目基本流程 1.2 工程建设项目建设项目投资...
全过程工程咨询最完整的全流程图 工程建设项目一直以来都是众人眼中的“老大难”,文中四大流程中的24 张图带你全面了解工程建设项目的全...
“全过程”咨询涉及建设工程全生命周期内的投资决策、招标代理、勘察设计、造价咨询、工程监理、项目管理、竣工验收及运营保修等各个阶段的...
市场调查 市场分析 投资分析 项目融资 项目招商 项目规划 项目施工 项目产品设计 项目定位、定价 项目营销 项目营运 营运管理 ...
1.根据甲方提供的资料及项目委托容:1)用地红线图(注:应有明确的坐标)2)原始地形图(最好甲方已将红线图落于地形图上)3)相应区域城...
施工准备阶段施工阶段竣工阶段工程项目检查验收竣工验收项目进度管理主要工作流程质量管理主要工作流程技术管理主要工作流程现场管理主要制...

