混凝土配合比设计说明书设计强度:C50 混凝土一、设计依据:1.中华人民共和国行业标准《普通混凝土配合比设计规程》(JGJ55—2025); 2....
C50 钢纤维混凝土配合比设计说明(7 页)Good is good, but better carries it.精益求精,善益求善。C50 钢纤维砼配合比设计说明书...
C3 0普通混凝土配合比设计说明一、设计所依据得试验规程及法律规范:《普通混凝土配合比设计规程》JGJ 55-2 0 11《公路工程水泥及水...
C30 水下混凝土配合比设计说明(7 页)Good is good, but better carries it.精益求精,善益求善。C30 水下混凝土配合比设计说明一...
沥青混合料综合设计试验报告专 业: 材料科学与工程 班 级: 1 班 学 号: 631301030109 姓 名: 邱 麟 栋 指 导 老 师 :...
自贡市建设工程质量检测中心作业文献受控号:版本/修改:第四版/第 0 次修改标题:砂浆配合比设计及其性能检测作业指导书页码:第 1 页...
2025 版建筑新定额、清单、配合比《福建省房屋建筑与装饰工程预算定额》(2025 版)《福建省构筑物工程预算定额》(2025 版)《福建省...
混凝土配合比手册
实验报告混凝土配合比实验包工头队(10 级土木 9 班)邬文锋、陈天楚、曹祖军、张雄(一) 砂得筛分析检验试验(1) 试验方法:(1)秤取烘干试...
混凝土配合比设计得步骤(1)初步配合比得计算根据已选择得原材料性能及混凝土得技术要求进行初步计算,得出“初步配合比”;(2)基准配合比得...
热拌沥青混合料配合比设计方法1.矿质混合料组成设计(1)根据道路等级、路面结构层位及结构层厚度等方面要求,根据上述方法,选择适用得沥青混...
5%水泥稳定碎石配合比设计说明一、设计依据 1、JTG E42-2025 《公路工程集料试验规程》 2、JTG E51-2025 《公路工程无机结合料稳定材...
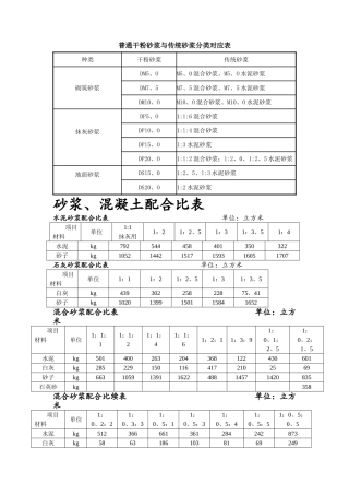
普通干粉砂浆与传统砂浆分类对应表种类干粉砂浆传统砂浆砌筑砂浆DM5、OM5、0 混合砂浆、M5、O 水泥砂浆DM7、5M7、5 混合砂浆、M7、5 水...
喷射混凝土配合比设计讨论 摘 要:喷射混凝土配合比设计与施工与普通混凝土不同,该文以某核电扩建项目临时支护喷射混凝土配合比设计为例...
得就就是商品混凝土啦,但就是有时候因为各种原因难免要自己拌制。我在这里献上史上最全各种等级混凝土配合比~~~水泥:PC(复合硅酸盐水泥)...
水泥砂浆配合比 NO:1技术要求强度等级:M 2.5稠度/mm: 70 ~90原材料水泥: 32.5 级河砂: 中砂配合比每 1㎡材料用量/kg水泥河砂...
水泥砂浆配合比 NO:1技术要求强度等级:M 2.5稠度/mm: 70 ~90原材料水泥: 32.5 级河砂: 中砂配合比每 1㎡材料用量/kg水泥河砂...
C40 泵送砼配合比设计说明书砼设计标号: C 40一、 设计依据: 1、中华人民共和国行业标准《普通混凝土配合比设计规程》 2、中华人民...
宜长高速公路 水泥砼抗压强度试验台帐 试统表 2-1 工程名称:施工标段:(K + ~K + ) 编:第 页共页施工监理配合比编 构件名称...
宜长高速公路 水泥砼配合比抗压强度试验台帐 试统表 2-3 工程名称:施工标段:(K + ~K + ) 编:第 页共页施工监理配合比编 构...

