实用标准文档API 产品螺栓螺母基本技术条件1范围规定了螺栓和螺母的尺寸规格、要求、试验方法、验收规则、标志、包装、储存和运输要求。2...
路灯基础锚固螺栓制作与安装报验申请表工程名称:双牌县双电路提质工程致:湖南中湘建设工程监理咨询有限公司 (监理单位)我单位已完成了...
公制外六角螺栓和套筒(梅花)扳手对边尺寸对照表螺栓尺寸对应扳手或套筒对边尺寸M35.5MMM47MMM58MMM610MMM813MM(14MM)M1016MM(17MM)M1218M...
实用标准文案2015 年常用螺钉与螺栓命名标准1. 目的:自公司成立以来,常用螺钉与螺栓的中文名称与规格型号没有明确的标准规定,造成管理...
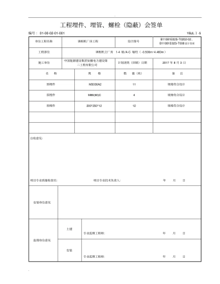
. . 工程埋件、埋管、螺栓(隐蔽)会签单编号 : 01-00-02-01-001YBJLⅠ-5单位工程名称调相机厂房工程设计图号B11081E02S-T0202-02、B1...
地脚螺栓直埋施工工法三公司朱检康杨林刖言随着装配式钢结构应用越来越越广泛,地脚螺栓的埋置是钢结构厂房施工的一大关键,对后期上部施工...
高强度螺栓连接1 高强度螺栓连接施工概况本工程使用 HS10.9 级高强度螺栓主要规格为:M30、M24、M20,其中 M24 和 M20 采用扭剪性性...
六角螺栓及螺母尺寸表编辑整理:尊敬的读者朋友们:这里是精品文档编辑中心,本文档内容是由我和我的同事精心编辑整理后发布的,发布之前我...
常用螺栓的标准及规格表国家标准规定了螺纹规格为 M3~M64,A 和 B 级的六角头螺栓.A 级用于 D<=24和 L<=10D 或 L<=150mm(按较小值...
中国石化集团第三建设公司市场经营部编制2000年10月20日公称压力标 准公称直径螺栓JB81-59HG5010-58螺栓JB81-59HG5010-58螺栓JB81-59HG501...
BOLT_TABLEBOLT_RATINGMSIZE1BOLT_NUMBOLT_DIABOLT_LENFOR ASMEB16.51500RF0.54M201151500RF0.754M201201500RF14M241351500RF1.254M241351...
压力等级公称直径 英寸 螺栓数量螺栓直径(mm) 螺栓直径(inch)150RF151/24M14U1/2150RF203/44M14U1/2150RF2514M14U1/2150RF321.1/44M14U1...
外径内径厚度高度密封面螺栓孔中心圆直径螺栓孔孔径螺栓数量15229016.511.5 483560.51642027100211352437016425341102714.5 565179.51643...
参数法兰的设计螺栓载荷计算设计压力P (Mpa)17设计温度 (℃)30螺栓材料SA-193 B7螺栓数量n20螺栓公称尺寸螺栓公称直径D (mm)1 1/2" 8...
GB/T9113 法兰标准 GB/T 9113.1-2000 PN1.0MPa(10bar)突面整体钢制管法兰 公称通经 DN 连接尺寸 密封面 法兰厚度C 法兰颈 法兰...
法兰螺栓长度(美标)
法兰螺栓力矩
焊接平式钢制法兰盘标准尺寸表(Pg=10Kg/cm2) 单位(mm) 公称直径 管子外径 (法兰内径) 法 兰 盘 焊 接 螺 栓 管子外径和...
塔里木石油勘探开发指挥部企业标准 Q/CNPC TZ Q/CNPC TZ 22-2002 代替Q/TZ 121-1996 法兰联结螺栓尺寸规范 2003-××-××发布 2...
公 称管 子法 兰法 兰法 兰通 径外 径厚 度内 径理 论DNA法 兰 管 径螺 栓 孔 中 心圆 直 径螺 栓 孔 直 径CB重 ...

