项目3创建三维实体任务4创建螺旋扫描特征(六角螺栓、螺母)螺母是机械设计中重要的紧固零件。知识点:拉伸、旋转切割、倒角、镜像、螺旋扫...
双头螺栓重量表:规格直径X长度A型(双头丝)B型(全丝)规格直径X长度A型(双头丝)B型(全丝)每千个螺栓重量(公斤)每千个螺栓重量(公...
1/1电梯导轨、层门的支架、螺栓埋设隐蔽工程检查记录工程名称GCMC隐检项目导轨、层门的支架、螺栓埋设检查部位电梯井道内填写日期施工日期...
法兰规格尺寸及螺栓螺母常识GB/T9113法兰标准GB/T(10bar)突面整体钢制管法兰公称通经DN连接尺寸密封面法兰厚度C法兰颈法兰外经D螺栓孔中心...
水工建筑物“对销螺栓孔”的防渗处理摘要:水工建筑物混凝土浇筑成型过程中,模板加固环节多且较复杂,混凝土成型拆模后,对模板起固定作用...
1D/TBD234系列柴油机重要螺纹的拧紧力矩参数表名称螺栓(母)规格力矩大小主轴承盖M18-12.0200N.m+90°(1又1/2棱面)连杆螺栓M16X1.5-12.9...
某大厦地脚螺栓施工方案编制:审核:审批:2017年4月8日2一.工程概况xxx大厦位于xxx东二环路,东四十条桥的东南侧,与现在的xxx大厦隔路相...
第八节提高螺栓连接强度的措施分析影响螺栓连接强度的因素,从而提出提高联接强度的措施。这对于螺纹联接的设计也是很重要的。螺纹联接的强...
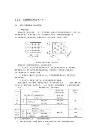
-40-§3-5普通螺栓的构造和计算3.5.1螺栓的排列和其他构造要求一、螺栓的排列螺栓在构件上排列应简单、统一、整齐而紧凑,通常分为并列和错...
螺栓连接基本要求普通螺栓作为永久性连接螺栓时应符合下列要求:1.对一般的螺栓连接,螺栓头和螺母下面应放置平垫圈,以增大承压面积。2.螺...
螺栓与螺母规格表螺栓介绍螺母介绍六角螺母—C级I型六角螺母—A和B级六角薄螺母(GB/T41-2000)(GB/T6170-2000)(GB/T6172.1-2000)标记示例...
双头螺栓重量表规格直径×长度A型(双头丝)B型(全丝)规格直径×长度A型(双头丝)B型(全丝)每千个螺栓重量(公斤)每千个螺栓重量(公斤)每千个螺...
螺母六角螺母—C级I型六角螺母—A和B级六角薄螺母(GB/T41-2000)(GB/T6170-2000)(GB/T6172.1-2000)标记示例螺纹规格D=M12、性能级别为5级...
1.各部位的尺寸单位:mm螺纹的公称直径(d)(2)M3M4M5M6M8M10M12(M14)螺栓的螺距(P)0.50.70.811.251.51.752b参考1820222428323640dk最大(基准...
0234扭剪型高强螺栓连接监理施行细那么根据:?建筑工程施工质量验收统一?GB50300-2001?钢构造工程施工质量验收?GB50205-2001?钢构造高强度...
实用标准文档大全常用螺栓的标准及规格表国家标准规定了螺纹规格为M3~M64,A和B级的六角头螺栓.A级用于D<=24和L<=10D或L<=150mm(按较小值)的...
实用标准文档大全常用螺栓的标准及规格表国家标准规定了螺纹规格为M3~M64,A和B级的六角头螺栓.A级用于D<=24和L<=10D或L<=150mm(按较小值)的...
1/10技术交底记录2008年10月15日施管表5工程名称节能大厦分部工程主体结构分项工程名称大六角高强度螺栓连接施工单位中天宝业集团交底内容:...
双膜片联轴器螺栓的正确安装方法?双膜片联轴器螺栓的正确安装方法?螺栓是双膜片联轴器的重要部件之一,它的安装正确与否直接影响到膜片联轴...
山东泉林年处理150万吨秸秆综合利用仓库项目土建工程单项施工方案编制审批表工程名称仓库地脚螺栓预埋施工方案施工单位编制编制人:日期:...

