气 缸 选 型 对 照 表精品文档收集于网络,如有侵权请联系管理员删除气缸的选型根据气缸推力拉力的大小要求,选定气缸使用压力参数以...
牛顿 / 米2( 帕斯卡 ) (N/m2)(Pa) 公斤力 / 米2(kgf/m2) 公斤力 / 厘米2(kgf/cm2) 巴(bar) 标准大气压(atm) 毫米水柱4oC (m...
课题桑塔纳 AJR 发动机气缸磨损度的测量教学目标1、学会气缸磨损检测的歩聚与方法;2、掌握游标卡尺量、外径千分尺、量缸表的使用方法;3...
气缸的选型最全资料气缸的理论输出力普通双作用气缸的理论推力(N)为:pDF204式中 , D 一缸径 (mm),p 一气缸的工作压力(MPa)。理论...
欢迎阅读气缸与磁性感应器的关系气缸磁性开关是用来检测气缸活塞位置的,即检测活塞的运动行程的。它可分为有接点型(有接点磁簧管型)和无...
气缸的结构及基本原理一、气缸 -气缸种类气压传动中将压缩气体的压力能转换为机械能的气动执行元件。气缸有作往复直线运动的和作往复摆动...
1.技术要求汽缸体与汽缸盖不应有油污、 积炭、水垢及杂物。水冷式汽缸体与汽缸盖用0.34 ~0.44Mpa 的压力作持续 5min 水压试验,不得...
1 4.1 纵向气缸的设计计算与校核: 由设计任务可以知道, 要驱动的负载大小位140N,考虑到气缸未加载时实际所能输出的力,受气缸活塞和...
I 船舶柴油机气缸套的磨损及管理对策(标题:三号黑体,可以分为1 或 2 行居中打印,题目下空一行打印摘要)[摘要] 气缸套是船舶柴油...
Instruction ER8485 6/9684/85/86 Series2The following Instructions should be thoroughly reviewed and understood prior ...
紧凑型气缸FESTO
2018 高 三 物 理 考 前 40 天 专 项 冲 刺 1 热 学 专 项 ——气 缸 模 型 班 级 : 姓 名 : 1. 如 图 ...
SMC气缸选型手册
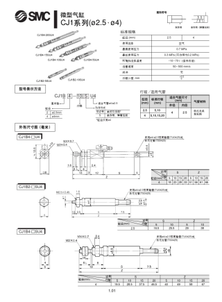
SMC气缸样本
热学计算题练习一一气缸类问题1.如图所示,导热的圆柱形汽缸固定在水平桌面上,横截面积为 S、质量为口]的活塞封闭着一定质量的气体 I ...
产 品 名 称 图号 制造编号 筒体制造工艺卡 件 号 零件编号 第 3 页 共 6 页 空气储气罐 DWG-000001-01000R0.DWG FQG-11...
SMT_FESTO气缸接近开关
SMC行程可读气缸CE1中文操作手册
SMC气缸选型手册
SMC气缸第一册(执行元件)D

