第 1 页 共 3 页 一、80%污泥桨叶干化设备,电镀污泥桨叶干燥机,市政污泥烘干机,化工污泥干化设备,造纸污泥烘干设备设计条件: 1...
热处理议文中文日文简化标注镜面抛光バフ▽▽▽光面FB抛光FCN FCA△氮化处理ガス软室化处理碳氮共渗タフトライド处理渗碳淬火浸炭焼入れ渗...
图形电镀工艺教材 一. 图形电镀简介: 在平板电镀后,板件经过干膜曝光显影后需要经过图形电镀。 图形电镀的目的在于加大线路和孔内铜...
精心整理1?目的本规范规定了零部件电镀层的选择和各镀种及化学处理的标注方法。?本规范适用于产品零部件设计时电镀层种类的选择。?2?引用...
下载后可任意编辑电镀生产线酸碱油槽事故应急处置方案与男装品牌的策划方案汇编电镀生产线酸碱油槽事故应急处置方案为有效应对电镀生产线酸...
下载后可任意编辑电镀车间年终个人工作总结与畜牧业 2024 个人工作总结汇编电镀车间年终个人工作总结一年来,我作为一名电厂电气人员,以...
下载后可任意编辑电镀生产线酸碱油槽事故应急处置方案与电鱼等非法捕捞专项整治方案汇编电镀生产线酸碱油槽事故应急处置方案为有效应对电镀...
下载后可任意编辑电镀生产线酸碱油槽事故应急处置方案与男子篮球友谊赛活动方案汇编电镀生产线酸碱油槽事故应急处置方案为有效应对电镀生产...
下载后可任意编辑电话销售述职述廉与电镀车间工作年终总结汇编电话销售述职述廉说话比较繁琐。语言组织表达能力是需要加强改进。第一:沟通...
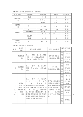
平板现行工艺参数及其控制范围、监测频次 缸名/容积 控制项目 控制范围 调整值 分析频率 酸性除油 7号 温度 25—30℃ 28℃ 1次/...
PCB 电镀工艺流程 浸酸→全板电镀铜→图形转移→酸性除油→二级逆流漂洗→微蚀→二级浸酸→镀锡→二级逆流漂洗→浸酸→图形电镀铜→二级...
PCB 电镀工艺介绍 线路板的电镀工艺,大约可以分类:酸性光亮铜电镀、电镀镍/金、电镀锡,文章介绍的是关于在线路板加工过程是,电镀工艺的技...
负极电镀就是利用电解的方式使金属或合金沉积在工件表面,以形成均匀、致密、结合力良好的金属层过程。一、ABS 塑料电镀原理塑料成型后经...
生物法处理电镀废水实验方案一、 背景概述电镀废水的的毒性大,危害性强,主要来源是镀件的前处理和电镀后的清洗工序,排放废水中的主要污...
電鍍電鍍L.H 產品設計中心目 錄第一章電鍍的定義 3 第二章電鍍的基本知識 3 第一節電鍍液 3 第二節電鍍反應 4 第三節電極與反應...
電鍍電鍍L.H 產品設計中心目 錄第一章電鍍的定義 3 第二章電鍍的基本知識 3 第一節電鍍液 3 第二節電鍍反應 4 第三節電極與反應...
平板现行工艺参数及其控制范围、监测频次缸名/容积控制项目控制范围调整值分析频率酸性除油7 号温度25—30℃28℃1 次/8hH2SO410—50 ml...
摘 要 .............................................................................................................................
毕业工程二〇一三 年 五 月 二十 日工程类别:毕业设计工程名称:基于 PLC地电镀生产线控制系统设计院系 :机电工程系专业 :机电...
****责任公司文件名称成品检验规范页次1/9文件编号版本A0成品检验规范1 范围本规范适用于本公司加工之电镀品和电镀-封漆品的最终检验和出...

