液压摆式剪板机作业指导书 车间名称: xxx班 工序名称:剪板 序号 项目 图示 说明 1 设备/工夹具列表 1.液压摆式剪板机:剪切板...
第二章 1 、为什么把液压控制阀称为液压放大元件? 答:因为液压控制阀将输入的机械信号(位移)转换为液压信号(压力、流量)输出,并...
共 4 第1 页 南京工程学院试卷(A) 2010 /2011 学年 第 1 学期 课程所属部门:机械工程学院 课程名称: 液压控制系统 考 试...
液压控制系统习题
第二章 思考题 1、为什么把液压控制阀称为液压放大元件? 答:因为液压控制阀将输入的机械信号(位移)转换为液压信号(压力、流量)输...
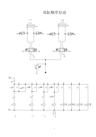
1 双缸顺序启动 F=0F=0ABPTYA1YA2PTABPTYA3YA4KP1KP4KP3KP2-->1-->2<--4<--3 +24V 0VSB1SB2K1KP1YA4YA3K1K2K3K4YA1YA2K3K4KP4K2K2K3K3K...
液压振动锤与电动锤之比较 高频液压振动锤的六大特点 在桩工机械中,许多桩工机械只具有单一的成桩作业性能,兼容性和应用领域有限,而高...
液压挖掘机工作装置铰点优化设计
1 汽车液压与气压传动技术课程设计 课程设计题目 姓 名:孙艳国 学 号:1 0 0 1 0 5 0 2 1 7 班 级:车辆工程 1 0 -2...
No.name名称name名称name名称name名称1ELEC ASSY, UPP上车架电器总成WASHER垫 圈ARM ASSY雨挂器摇 臂总 成HYD LINES, CYLINDER油缸...
- 1 - 挖掘机司机必读 第一章 液压挖掘机操作手册 第一节 人身安全注意事项 1 、挖掘机操作常识 只有经过正规挖掘机培训后的 合...
- 1 - 液压挖掘机招标书技术文件 第1 节 货物需求一览表 注:上述货物交货时间为CIF到达____港时间。 第2 节 技术规格 序号 货...
美国控制会议程序 宾夕法尼亚州费城,1998 年6 月 液压挖掘机的高性能摆动速度跟踪控制 姚斌+,乔扎恩+ +的,道格拉斯··克勒+ +,...
工程机械课程设计 液压挖掘机回转装置的设计 长沙学院 第2 章 整机性能参数的确定与计算 2.1 主要性能参数 斗容量 0.1M³ 整机使...
液压挖掘机伸缩臂CAD 设计与有限元分析 液压挖掘机是交通运输、能源开发以及城镇建设等各项工程建设的重要施工装备,它的使用也反映了这...
代表新技术的液压挖掘机一直在与机械式电铲和装载机竞争。直到上世纪的70 年代初,液压挖掘机仅用于土石方工程和道路建设,但由于与机械式...
液压实验报告 一、 液压泵拆装 (一)实验目的 液压动力元件——液压泵是液压系统的重要组成部分,通过对液压泵的拆装实训以达到下列目...
液压抓斗防渗墙 施工作业指导书 审批: 审核: 编制: 中国水利水电第七工程局有限公司 引黄灌溉龙湖调蓄工程项目经理部 二〇一三年...
液压设计技术规范 一. 液压油箱 1. 材料:采用不锈钢,分成吸油腔和回油腔,每个腔带有清洁窗口。 2. 设置油箱排放截止阀。 3. 满...
液压扳手说明书

