电脑桌面
添加小米粒文库到电脑桌面
安装后可以在桌面快捷访问

液压支架选型设计VIP专享VIP免费

液压支架选型设计_第1页
1/21
液压支架选型设计_第2页
2/21
液压支架选型设计_第3页
3/21
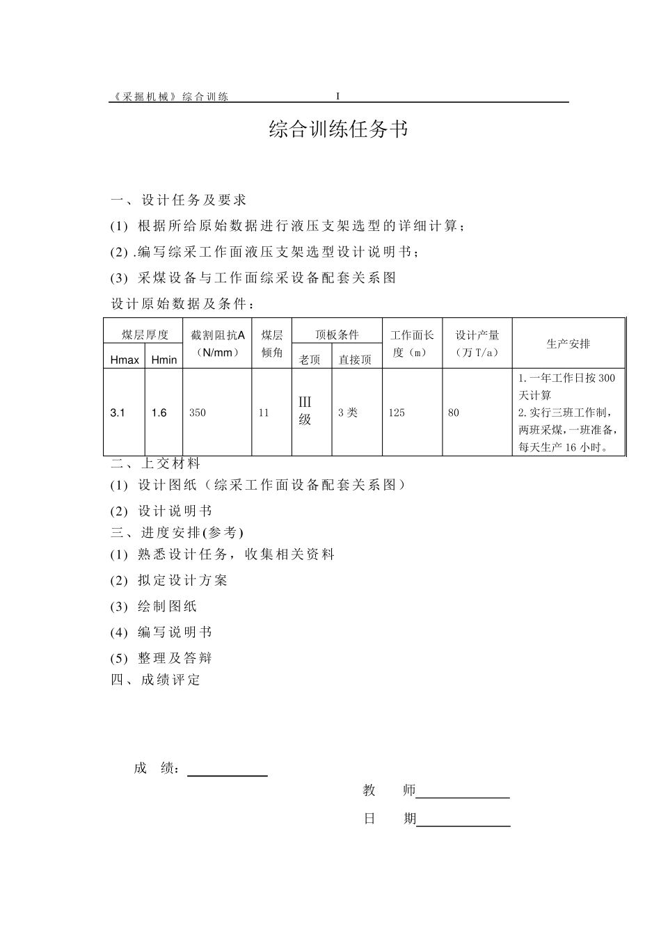
辽宁工程技术大学 《采掘机械》综合训练 题 目: 液压支架选型设计 班 级: 矿电 11- 姓 名: ***师: *** 完成日期: 2014/12/29 《采掘机械》综合训练 I 综合训练任务书 一、设计任务及要求 (1) 根据所给原始数据进行液压支架选型的详细计算; (2) .编写综采工作面液压支架选型设计说明书; (3) 采煤设备与工作面综采设备配套关系图 设计原始数据及条件: 煤层厚度 截割阻抗A(N/mm) 煤层倾角 顶板条件 工作面长度(m) 设计产量(万T/a) 生产安排 Hmax Hmin 老顶 直接顶 3.1 1.6 350 11 Ⅲ级 3 类 125 80 1.一年工作日按 300天计算 2.实行三班工作制,两班采煤,一班准备,每天生产16 小时。 二 、上 交材料 (1) 设计图纸(综采工作面设备配套关系图) (2) 设计说明书 三 、进度安排(参 考 ) (1) 熟悉设计任务, 收集 相关资 料 (2) 拟定设计方案 (3) 绘制图纸 (4) 编写说明书 (5) 整理及答辩 四 、成 绩评定 成 绩: 教 师 日 期 《 采 掘 机 械 》 综 合 训 练 I I 目 录 1 液压支架选型的基本原则 ...................... - 1 - 2 确定液压支架架型 ............................ - 1 - 2.1 顶板分类(级) ........................... - 1 - 2.2 架型与支护强度初选 ....................... - 2 - 3 主要参数计算和支架型号的确定 ................ - 2 - 3.1 支架高度 ................................. - 2 - 3.2 支架主要结构确定 ............................ 3 3.2.1 顶梁长度 .................................. 3 3.2.2 底座的宽度 ............................ - 5 - 3.2.3 支架中心距确定 ........................ - 5 - 3.2.4 支架移驾步距确定 ...................... - 5 - 3.3 支护强度和工作阻力 ....................... - 5 - 3.4 初撑力 ....................................... 7 3.5 移架阻力及推溜力 ............................. 7 3.6 确定支架类型 ................................. 7 4 性能验算 .................................... - 8 - 4.1 顶板支护形式 ................................. 8 4.2 底板比压 ..................................... 8 4.3 工作阻力(支护强度)和初撑力的...

1、当您付费下载文档后,您只拥有了使用权限,并不意味着购买了版权,文档只能用于自身使用,不得用于其他商业用途(如 [转卖]进行直接盈利或[编辑后售卖]进行间接盈利)。
2、本站所有内容均由合作方或网友上传,本站不对文档的完整性、权威性及其观点立场正确性做任何保证或承诺!文档内容仅供研究参考,付费前请自行鉴别。
3、如文档内容存在违规,或者侵犯商业秘密、侵犯著作权等,请点击“违规举报”。

碎片内容

液压支架选型设计

确认删除?
VIP
微信客服
  • 扫码咨询
会员Q群
  • 会员专属群点击这里加入QQ群
客服邮箱
回到顶部