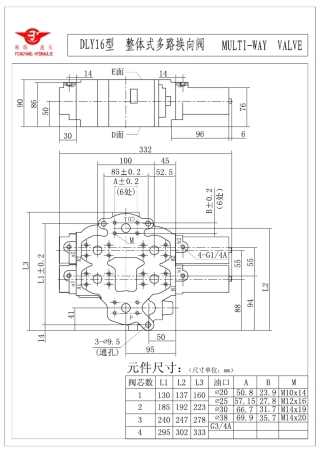
- 1 - 液压挖掘机招标书技术文件 第1 节 货物需求一览表 注:上述货物交货时间为CIF到达____港时间。 第2 节 技术规格 序号 货...
美国控制会议程序 宾夕法尼亚州费城,1998 年6 月 液压挖掘机的高性能摆动速度跟踪控制 姚斌+,乔扎恩+ +的,道格拉斯··克勒+ +,...
工程机械课程设计 液压挖掘机回转装置的设计 长沙学院 第2 章 整机性能参数的确定与计算 2.1 主要性能参数 斗容量 0.1M³ 整机使...
液压挖掘机伸缩臂CAD 设计与有限元分析 液压挖掘机是交通运输、能源开发以及城镇建设等各项工程建设的重要施工装备,它的使用也反映了这...
代表新技术的液压挖掘机一直在与机械式电铲和装载机竞争。直到上世纪的70 年代初,液压挖掘机仅用于土石方工程和道路建设,但由于与机械式...
液压实验报告 一、 液压泵拆装 (一)实验目的 液压动力元件——液压泵是液压系统的重要组成部分,通过对液压泵的拆装实训以达到下列目...
液压抓斗防渗墙 施工作业指导书 审批: 审核: 编制: 中国水利水电第七工程局有限公司 引黄灌溉龙湖调蓄工程项目经理部 二〇一三年...
液压设计技术规范 一. 液压油箱 1. 材料:采用不锈钢,分成吸油腔和回油腔,每个腔带有清洁窗口。 2. 设置油箱排放截止阀。 3. 满...
液压扳手说明书
液压扳手操作说明
- 1 - 螺栓及螺母最大扭矩推荐知值 (仅供参考) 强度区分 4.8 6.8 8.8 12.9 最小破断强度 392Mpa 588Mpa 784Mpa 1176Mpa 材...
液压扳手使用手册
液压打桩机操作方法与步骤 1. 操 作 人 员 须 经 专 业 练 习 , 了 解 所 操 作 的 桩 机 的 构 造 、原理、操 ...
73807 部 队 防 汛 墙 改 造 段 沉 桩 专 项 方 案 一 、 工 程 概 况 73807 部 队 防 汛 墙 改 造 工 程 ...
AHD 型带式输送机全自动液压张紧装置 (比例型) 徐州中国矿业大学科技发展总公司 安 装 使 用 说 明 书 AHD比例控制型带式输送...
液 压 电 梯 维 修 保 养 作 业指导书-2 4.2 电 梯 各 部 件 的 维 护 保 养 4.2.1 油 泵 及 液 压 系 统 4....
液压式启闭机检测项目、质量指标和检测方法 序号 检 测 项 目 单位 与符号 质 量 指 标 检 测 方 法 与 说 明 检测工具...
X X X X X X 有限公司 固定式升降作业平台维修检验记录 注册代码: 使用单位: 维保单位: 档案编号: 检验日期: 注意事项 1...
A ability 性能;能力 load-carrying ability 承载能力 absorber 吸收器;吸收剂;过滤器;减震器 accessories 辅件,附件,配件...
1几何排量(cm3/r)632流量(L/min)107.733几何排量(cm3/r)634轴转矩(N/m)260.82802555流量(L/min)107.736流量(L/min)107.73107.73107.737油缸...

