GD3004□□房屋建筑工程质 量 评 估 报 告〔人工挖孔桩根底工程〕 工 程 名 称: 新园华府 1 栋 监理单位〔公章〕: 深圳市...
2.1.8□□□□□□□□□□□□□□□□□□□□□□□□□□□□□□□□□□□□□□□□□a8 叮 12□□□□□DDDDDDDDDDDDD□□□□□...
砖砌护壁人工挖孔检查井施工 中铁十三局五公司黄浦路延长线项目:柳伟卓 我中铁十三局五公司施工的湖北武汉黄浦路延长线改建工程中的北侧...
尖山—华阳东 220kV 双回线路工程 掏挖式基础、挖孔桩基础施工方案 天津海能电力建设有限公司 二〇一六年八月 批 准: 年 月 日...
1 空港工业园区标准厂房项目 2#标准厂房C 段 挖 孔 桩 专 项 施 工 方 案 编制单位:重庆科技产业工程有限公司 编制: 审核...
抗滑桩施工方案 桩孔以人工开挖为主,用摇摇绞车提升出碴,钢筋笼在钢筋加工厂下料,施工现场加工并绑焊成型、吊装入孔,砼由砼拌和站集中...
精品文档---下载后可任意编辑抗滑桩人工开挖专项施工方案编制单位: 中铁十一局集团第五工程编制日期:二 O 一六年十月 1精品文档---下...
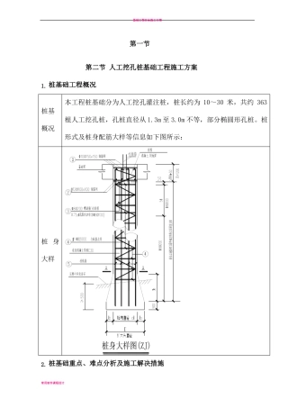
南川·新壹城 7#楼及部分地下车库挖孔桩及基础施工方案编制单位:重庆中川建设有限公司二 0 一六年十二月十日目 录第 一 章 编 制...
精品文档---下载后可任意编辑工程名称:冷水滩区花桥街镇学校公租 1#楼房 施工单位:湖南昱诚项目管理有限公司 砼设计强度:C25施 工 ...
精品文档---下载后可任意编辑人工挖孔桩、掏挖桩基础施工方案广州南方电力技术工程有限公司2024 年 06 月 28 日批 准: 日期:技术...
精品文档---下载后可任意编辑本工程为国家辽宁朝阳供电公司边杖子供电所建设项目,本工程为框架结构,生产经营用房地上 2 层,地下 1 ...
精品文档---下载后可任意编辑人工挖孔桩基础作业指导书编码:二○一○年十月作业指导书签名页项目名称作业内容批 准年 月 日审 核年 ...
张涿高速公路保定段 工程变更申请单 承包单位:中交一公局厦门工程有限公司 合同号: LJ-S9 编号: BGSQ-LJS9-001 项目名称 桥梁工...
桩基(首件制)施工方案挖孔灌注桩施工方案一、工程概况迳古潭高架桥位于信丰县小江镇迳古潭林场南侧,距迳古潭林场约 350 米。本桥位区...
绿城·千岛明月商住项目二期 11、17#楼人工挖孔桩桩芯砼浇灌方案一、工程概况本工程共计 77 根人工挖孔桩,砼强度等级为 C30,桩径共有...
..*人工挖孔灌注桩专项施工方案制 人:核 人:年日工程名称:施工单位:编审月..*..*目录1.编制依据 . ................................
摘要第 5 节人工挖孔灌注桩施工工艺1.适用范围人工成孔灌注桩一般用于桩直径 800mm 以上,无地下水或地下水较少的粘土、粉质粘土,含...
人工挖孔灌注桩基础施工工艺及方法一、工艺流程1、放线定桩位及高程→开挖第一节桩孔土方→支护壁模板放附加钢筋→浇筑第一节护壁混凝土→...
人工挖孔灌注桩技术标准一.作业条件人工开挖桩孔,井壁支护应根据该地区的土质特点、地下水分布情况,编制切实可行的施工方案,进行井壁支...
***股份有限工程扩建项目工程人工挖孔灌注桩专项施工方案山东**基础工程有限公司2020 年 03 月 01 日目 录一、 工程概况..............

