水利水电工程表 4.1 空气压缩机安装单元工程质量评定表单位工程名称单 元 工 程 量分部工程名称施 工 单 位单 元 工 程 名 ...
关于印发《药品 GMP 认证检查评定标准》的通知国食药监安[2024]648 号各省、自治区、直辖市食品药品监督管理局(药品监督管理局): 为...
分项工程质量检验评定表所属建设项目:209 国道建始县绕城公路 所属分部工程名称:洞身开挖承包单位: 中铁十八局集团有限公司 分项工程...
水利水电工程给水排水管道工程施工及验收法律规范单元工程质量评定表目录J1 沟槽开挖与地基处理单元工程质量评定表.........................
表号:管道-01XX 县水库移民后扶工程管道安装单位工程质量评定表 编号:单位工程名称工程数量分部工程名称施工单位单元工程名称评定日期...
此 表 用 A4 的 纸 打 印 学 号 :硕 士 学 位 申 请 与 评 定 书( 一 )( EMBA )申请人申 请 人 工 作 单...
大学“讨论生基本奖学金”、“讨论生新生优秀奖学金”和“讨论生优秀奖学金”评定工作实施办法(试行)第一章 总 则 第一条 为吸引优秀生...
矿 井 质 量 标 准 化 考 核 评 定 办 法为 进 一 步 推 动 矿 井 安 全 生 产 工 作 , 构 建 安全 管 理...
毕 业 论 文论文题目:电导率法评定聚环氧琥珀酸对碳酸钙结垢过程的影响电导率法评定聚环氧琥珀酸对碳酸钙结垢过程的影响摘要随着世界水...
电子制造企业安全生产标准化评定标准考评说明----------------------- -----------------------日期:电子制造企业安全生产标准化评定标准...
评定表格填写说明一、检验批表式与字体说明所有表式的表头字体为三号宋体(检验批项目名称加粗),表格实测数据为六号宋体,其它所有字体为...
陕西师范大学远程教育学院本科生(文科)毕业论文成绩评定标准评 分 依 据满分实得分学术性选 题有科学研究或实际应用价值,有新意15资 ...
全国旅游景区质量等级评定委员会公告(2024 年第 3 号)依照中华人民共和国国家标准《旅游景区质量等级的划分与评定》与《旅游景区质量...
焊接工艺评定任务书 任务书编号:HP-25任务来源焊接工艺申请单编号产品名称/产品令号/部(组)件名称/部(组)件图号/零件名称集箱焊接方...
火电施工质量检验与评定细则----------------------- -----------------------日期:水 利 电 力 部 基 本 建 设 司火电施工质量...
灌区工程施工质量评定表填表说明与示例(试行)省水利水电工程建设监理汾河灌区工程监理部二○一五年八月目录1、灌区工程施工质量验收评定...
混凝土强度检验评定标准 GB/T-50107—2024混凝土强度检验评定标准 GB/T50107—2024 关于发布国家标准《混凝土强度检验评定标准》的公...
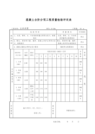
混凝土台阶分项工程质量检验评定表工程名称:主井井筒 部位:0-10m 工程量: 10 m保证项目检 验 项 目质 量 情 况评定情况1.水...
附件 2: 浙江检验检疫局出口工业产品企业分类评定基本评价标准及记录评定要素评 定 要 求标准分扣分评定记录一. 企业诚信守法和企业...
河南省水利工程外观质量评定实施办法(试行)河南省水利厅2024 年 8 月目 录1 总 则.................................................

