时间价格模型十论一2000 年 2 月 17 日,上证指数冲高1770 后出现大幅回落 ,次日探低 1583 ,振幅达 10%以上 (例 2-1 )。...
日立1、技术规格EX1200-5D 额定功率 (kW) DIN 6271, 净567 整机工作重量 (kg) 111 000 *1 正铲铲斗容量 (m3) PCSA 满斗 5.9...
无 线 AP参 数 指 标指标项技术规范要求工作模式可支持胖 /瘦 AP 两种工作模式,支持802.11n协议协议支持★同时支持 802.11a/n和...
无创呼吸机一、适应症:1. 严重通气不良2. 严重换气障碍3. 神经肌肉麻痹4. 心脏手术后 5. 颅内压增高6. 新生儿破伤风使用大剂量镇静...
平流式沉淀池的根本要求有哪些平流式沉淀池外表形状一般为长方形,水流在进水区经过消能和整流进入沉淀区后,缓 慢水平流动,水中可沉悬浮物...
概率论与数理统计教学教案第 6 章参数估计教学基 本 指 标教学课题第 6 章第 1 节点估计课的类型新知识课教学方法讲授、课堂提问...
继电器种类、参数及应用 一、继电器 1、什么是继电器? 继电器是具有隔离功能,当输入量达到一定值时,输出量发生变化的自动控制元件。...
1.线圈使用的电源及功率 它是指继电器使用的电源是直流还是交流电,以及线圈消耗的额定功率。 2.线圈电阻 它是指线圈的电阻值大小。如果...
练习题 第1 章 绪论(略) 第2 章 统计数据的描述 2.1 某家商场为了解前来该商场购物的顾客的学历分布情况,随机抽取了100 名顾客...
第 四 章 绝 缘 导 线 绝 缘 导 线 就 是 在 导 线 外 围 均 匀 而 密 封 地 包 裹 一 层 不 导 电 的 材...
1 绝 缘 子 范 本 使 用 说 明 1、本技术规范范本按产品类型分为两大类、四个部分: 1)交流架空线路用绝缘子: A. 220k V~...
给水管道泵的型号参数
1 求转换参数操作步骤 要求: 1、必须至少知道两个已知点。 2、坐标系统可以为任意坐标系统。 基准站架设在非已知点上 假设有一测区...
高频寄生参数 在设计高频磁性元件的绕制工艺时需考虑到漏感及分布电容的影响,这两个参数是分布在磁性元器件的整个绕组中,但为了简单起见...
一、钢丝绳的种类 钢丝绳是把很多根直径为0.3~3mm的高强度碳素钢钢丝先拧成股,再把若干股围绕着绳芯拧成绳的。钢丝绳种类很多,按绕捻方法...
组装电脑主要参数和品牌参考 CPU、内存和主板之间的匹配是组装电脑的核心。先举个比较简单的例子,CPU 就相当于一家工厂, 而主板总线就相...
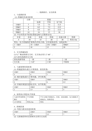
一、线路路径、安全距离 1、与道路距离 (1) 跨越时的垂直距离 公路 铁路 标准 窄轨 电气轨 110kV 7 7.5 7.5 11.5 220kV 8 ...
1 导线型号 环境温度 35℃ 40℃ LGJ-16 92 85 LGJ-25 114 105 LGJ-35 154 141 LGJ-50 184 170 LGJ-70 233 214 LGJ-95...
1、脉冲参数的选择 线切割加工一般都采用晶体管高频脉冲电源,用单个脉冲能量小、脉宽窄、频率高的脉冲参数进行正极性加工。加工时,可改...
纯钛热加工性能参数 1 . 来料牌号及化学成分 合金牌号 名义 化学成分 化学成品(质量分数)/% 主要成分 杂质,不大于 Ti Fe C...

