设 计 研 发 部 各 阶 段 图 纸 审 查 要 点 2024 年 9 月1 、 设 计 图 纸 文 件 的 审 核 流 程 :① 、...
行政法律规范性文件审核机制工作总结 行政法律规范性文件审核机制工作总结 一、开展备案审查工作的重大意义和法律依据 (一)开展备案审...
2024 年度工程建设项目年度供应商库采购项目竣工结算审计实施方案一、总则根据国家、地方有关法律法规及武汉车都建设投资有限公司有关规定...
ⅹⅹⅹⅹⅹⅹⅹⅹ主送单位: 我司接受贵单位委托,安排工程造价人员于××年××月××日至××年××日,对*****工程进行工程结算审核。...
目 录医疗核心制度一、首诊负责制度* 二、三级医师查房制度* 三、疑难病例讨论制度* 四、会诊制度* 五、危重患者抢救制度* 六、手术...
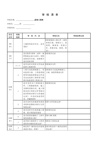
审 核 清 单审核区域: 监理工程部审核员: 组 审核时间: 涉及文件依据条款审 核 内 容审核方式审核结果记录WI4-1上墙资料是否...
年度编号:LD/JL—审核目的确定质量管理体系与标准的符合性以及实施和保持的有效性。审核范围XXXXX 产品的生产和服务全过程。审核依据a)I...
质量管理体系 2016 年内部审核报告一、内部审核的时间:2016 年 10 月 18〜19 日。二、受审核部门:总经理、管理者代表、行政人事部...
浅谈工程造价的审核方法.doc 1、1 浅谈工程造价的审核方法建设工程的生产过程是一个周期长、数量大的生产消费过程,具有多次性计价的特点...
1.施工组织及施工方案.1 工程概况本水闸位于惠安县辋川镇林辋溪上游峰崎村,全镇土地面积 54平方公里,东面为湄州湾,东南与东岭镇交界,...
水泥行业排污许可证审核要点一、审核总体要求1、企业各项申请材料和环保部门补充信息应完整、法律规范。2、复审时,除应关注是否根据前版审...
档案专项审核工作汇报 第 1 篇:档案专项审核工作专项审核工作主要是把握好以下三点: 1、把握审核重点。这次干部人事档案审核重点内容...
综合训练工程训练四:根据合同审核信用证,并根据信息制作单据。SALES CONTRACTBUYER: JAE&SONS PAPERS COMPA NY NO.ST05-0l6 BU...
校本课程审核制度校本课程是学校课程重要组成部分,重视校本课程开发,是基础教育课程改革的具体目标之一,有利于培育学生个性、发挥老师特...
结算审核与结算审计的区别以政府投资为主的工程项目结算,社会中介机构的结算审核与审计机关的结算审计,究竟有什么区别,他们之间是什么关...
前 言清洁生产是我国持续开展和科学开展的一项重要内容,也是实现我国污染控制重点由末端治理向生产过程控制转变的重要措施。面对环境污染...
林业局部门审核自查报告 市委编办: 依据市委编委关于印发《市机构编制核查工作实施方案》的通知有关要求,我局对机构编制相关状况进行了...
文件号WI(E)T2版本号1分发序号:普通机械制造行业环境管理体系审核作业指导书(适用于金属切削机床制造业)质量体系认证中心1目的和适用范2...
页脚内容 12基本建设项目竣工财务决算审核报告模板)(表内蓝色字体为固定格式不允许修改,灰色标记部分为填报部分,(括号中红色字体为说...
职业健康安全管理体系审核要点与取证方式标准条款审核要点取证方式范围组织覆盖范围和过程是否有缺失现场询问、观察,了解作业流程有无删减...

