年产十万吨啤酒厂糖化车间糖化锅设计目录一、糖化的定义 ...............................................................................
一、啤酒生产相关知识简介1.1 啤酒酿造工艺流程图 1 啤酒酿造图1:原料贮仓2:麦芽筛选机3:提升机4:麦芽粉碎机5:糖化锅6:大米筛选机...
1 目录目录. ........................................................ 1第一章总 论. .............................................
四川理工学院毕业设计年产 40 万吨啤酒厂发酵车间工艺设计四川理工学院毕业设计Ⅰ四川理 工学院毕业设计(论文)任务书设计(论文)题目...
年产 20 万吨啤酒厂糖化车间地设计摘要本设计为一个年产20 万吨啤酒厂地糖化车间设计,该设计采用三锅三槽体系并重点介绍一种名为MERLIN...
啤酒废水设计方案1 概述 1.1 工程概况 某啤酒厂位于江南某市,该地区常年主导风向为东南风。该厂以大麦为主要原料生产啤酒,年生产规模...
某啤酒厂污水处理厂工艺设计摘要本文根据前人的研究成果综述了啤酒废水的处理和利用现状,有针对性的对啤酒废水自身的特性,通过对酸化――...
r of the car came towards him. The man obviously wanted to talk. He was rather elderly with grey hair and cle...
r of the car came towards him. The man obviously wanted to talk. He was rather elderly with grey hair and cle...
一、啤酒废水地来源及特点1 . 啤酒废水地来源啤酒地废水主要来源于:麦芽生产过程地洗麦水、浸买水、麦槽水、洗涤水、凝固物洗涤水;糖化...
-- -- 目录第一章总论 ............................. 错误!未定义书签。第一节 编制的依据和原则.................... 错误!未定...
-- -- 第一章总论第一节、项目名称及项目单位1、项目名称:有限责任公司污水处理厂改造项目建设地址:有限责任公司院内项目负责人:谢胜...
个人收集整理,仅供参考学习1 / 8 啤酒厂建厂可行性研究报告1 、项目内容本可行性研究报告研究地内容是对啤酒生产地可行性地研究. 啤...
啤酒厂参观实习报告啤酒厂一、实习目的1. 了解原料的种类、成品麦汁的质量标准。2. 掌握糖化的方法及工艺流程、工艺技术条件及要求。了解...
《啤酒厂卫生规范》第1 页 共 4 页【GB 8951 — 1988】1主题内容与适用范围本规范适用于以麦芽为主要原料,加酒花,经酵母发酵酿制...
南充市燕京啤酒厂污水处理站工艺设计书四川师范大学化学与材料科学学院环境工程专业2010-2011 学年度第二学期期末《水污染控制工程》课程...
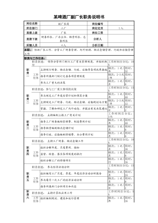
某啤酒厂副厂长职务说明书岗位名称副厂长岗岗位编号所在部门二厂岗位定员1 人直接上级厂长岗位工资直接下级财务科长、厂办主任、物资科长...
长江师范学院生命科学与技术学院学院 发酵工厂设计概论课程设计说明书项目名称:年产 20 万吨啤酒生产项目设计参加人:王斐(2008090211...
第一篇 设计说明书第一章 概述1.1 工厂概况江西某啤酒有限责任公司位于江西省吉安市,其前身为江西吉安啤酒厂。该厂年产啤酒 2~3 万...
安徽工业大学毕业设计(论文)任务书课题名称青岛啤酒厂 4500m3/d 生产废水处理工程设计学 院 能源与环境学院专业班级环***姓 名***学 ...

