护理文件书写质量标准护理文件书写是反映护理工作质量、护理人员工作态度及专业水平的重要标志之一。内容包括体温单、交班本、医嘱单、医嘱...
医院后勤服务承诺和质量标准一、环境卫生管理医院的环境对医院有重要影响。为营造宁静、优美、洁净和舒适 的治疗环境,XX 物业针对医院易...
临床护理质量标准一、责任制护理效果评价1. 定义责任制护理应以病人为中心,在护理过程中运用医学、护理、心理、社会等学科的知识,观察分...
凹印塑料薄膜质量标准与质量控制塑料软包装产品,一般都是在各种塑料薄膜上印刷,然后通过复合上阻隔层和热封层组成复合薄膜,经分切、制袋...
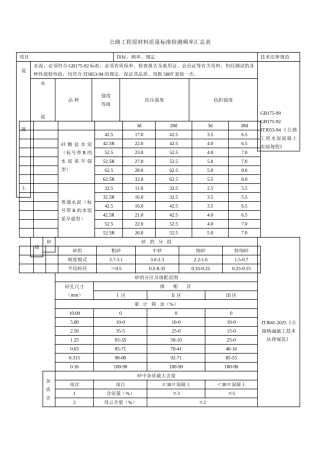
公路工程原材料质量标准检测频率汇总表项目指标、频率、规定技术法律规范混凝土水泥,必须符合 GB175-92 标准,必须有质保单、检查报告及...
全密封铅酸蓄电池检修质量标准1、检修周期和项目(1)检修周期见表 1)表 1 全密封铅酸蓄电池检修周期检修类别小 修大 修检修周期16 个...
信号设备检修作业程序及质量标准站内轨道电路检修作业程序(一)工作前准备:1、工具、材料:笔、笔记本、测试表格、万用表、大钳子、尖嘴...
保洁服务质量标准保洁项目保洁服务质量标准楼内 公共 区域楼道玻璃(窗)清洗后无明显污迹、水渍玻璃门、大堂玻璃无尘、无污物、无手印楼...
保洁服务工作质量标准一、保洁服务工作质量标准1、住宅公共区清洁标准1)地面洁净无污渍、无水渍、无杂物;无卫生死角。2)可擦洗墙面、门定...
住宅市政配套工程施工质量标准目录第一节供水配套标准第二节供电配套标准第三节燃气配套标准第四节热力配套标准第一节供水配套标准1.竣工验...
中药饮片质量标准通则(试行)一。根、根茎、藤木类项目质量标准检验方法性状1. 应符合《中国药典》2025 年版、《全国中药炮制法律规范》...
一次风机的检修工序及质量标准1、一次风机主要技术参数:型号为 1788B/1125;风量为 63.2m3/s,风压为 14.54kPa,转速为1480r/min,效率...
GMP WEN JIANBAOZHUAN CAILIAO ZHI LIANG BIAO ZHUN题 目通用纸箱纸箱内控质量标准编码:ZL—BZB-1 — 01共 1 页制 定审 核...
GB-3096-2025 声环境质量标准ICS13.140Z52中 华 人 民 共 和 国 国 家 标 准GB 3096-2025代替 GB 3096-93,GB/T 14623-...
铸钢件生产工艺规定及质量原则一、混砂工艺原则(一)材料规定:1、造型砂:符合 GB9442-88 、JB435-63 细粒砂规定,一般选用二氧化硅含...
(一)聚酯/铝/聚乙烯药品包装用复合膜、袋来源 国家药品监督管理局 YBB00 1 7 2 00 2 本品系指聚酯(PET)与铝箔(Al)及聚乙烯(PE...
1.0 合用范围本工艺原则合用于民用建筑物配管及穿线安装工程。2.0 编制根据《建筑工程施工质量验收统一原则》GB50300-《建筑电气工程施工...
质 量 手 册文件编号:lry y—1—20 17第 A 版依据 IS O 151 8 9:20 0 3(E)制定得 GB《医学实验室—质量与能力得...
专业建设工作质量标准(一)目录序一级指标二级指标质量标准一专业建设管理专业(群)开发与调整专业建设规划与专业建设计划校企合作体制机制...
施工工艺及质量原则(1)一、 纸面石膏板吊顶(平面无造型)工艺规定: 1. 水平弹线、横撑固定墙上四周,安装主龙骨并拟定吊杆位置。 2....

