楼 板 厚 度设 计 值露 筋 、 狗 洞 等重 大 缺 陷露 筋 、 烂 根 ( 长 30公 分 ) 、 狗 洞 、 裂 缝(长 1...
砂浆施工计量记录表 工程名称:蒙城县学子家园5#楼 浇筑部位:地下室墙体 砼标号:M7.5 水泥砂浆 砌筑日期: 每盘计量(kg) 序 号...
班前安全活动记录表工程名称:永安市南翔西路下穿泉三高速框架通道及连接线 B 标工程活动日期2011.3.10 地点项目部主持人参加人员项目部...
角色游戏观察记录表班级:小一班游戏主题:大象餐厅日期:2017.2.22对象:任启睿、―tm-fy.记录者:开始时间:8:30 结束时间:8:50用时:2...
2015-2016 学年度泗县特殊教育学校三年级第一学期“培优补差”记录表班级一、三年级辅导周次第一周:星期二辅导教师王俊江类另1」优等生学...
地表水体调查记录表 (水文 1) 蛟河市 煤矿 地表水体调查记录表 表1 调查日期: 年 月 日 地表水体 性质类型 名称 所处的地...
藁城区责任督学挂牌督导工作记录表 督导学校 督导日期 2017.2.15 督导主要内容 开学情况检查及环境卫生 主要成绩和特色 教师都按时...
医疗器械进货验收检验记录 购进日期 供货方 产品名称 数量 规格型号 出厂编号 生产日期 验收结果 验收日期 验收人员 医疗机械采...
各分部(分项)工程、各工种及其他安全技术交底登记表单位工程名称丽水纳爱斯·绿谷庄园关键水系及 III 标段庭院景观绿化工程分部(分项)...
官庄坝镇卫生院健康讲座活动方案计划为了提高辖区居民健康意识,增进广大居民身心健康,理旳旳解”《 》”健康知识,让健康知识宣传贴旳近...
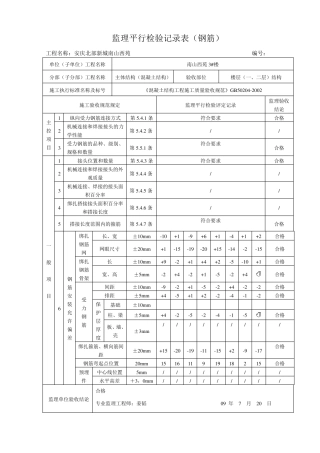
监理平行检验记录表(钢筋) 工程名称:安庆北部新城南山西苑 编号: 单位(子单位)工程名称 南山西苑3#楼 分部(子分部)工程名称 ...
百度文库 - 让每个人平等地提升自我 1 土方开挖、回填工程监理平行检验记录表 单位(子单位)工程名称 乐清市中心区B-c5 地块 监理...
武汉建设监理规范用表 III—编号 10 监理工程师检查记录表(D 1) 工程名称:南湖国色 工程 编号: 承包单位:武汉市新洲区第三建...
Ⅲ-编号 9 监理工 程 师 检 查 记 录 表 (D 1) 工程名称: 承包单位: 分项工程: 部位: 主 控 项 目 项目 质量情况...
联合安全大检查记录表 工程名称: 检查日期: 编号: 联 合 检 查 单 位 及 人 员 单位名称 参加人员 检查情况及存在隐患:...
杭州市人防工程 监理检查工作记录表 项目名称: 监督注册号: 监理公司: 证书编号: 资质等级: 总监理工程师: 人防专业监理工程...
百尺集小学德育活动记录表 时 间 地 点 主持人 参加人 活动内容 第三周 会议室门前 校长 全体师生 进见时的礼节 活 动 过 ...
1 表 1-1. 鼠密度监测记录表(夹夜法 / 粘鼠板法) 调查时间: 年 月 日; 诱饵: 调查地点: 省(自治区、直辖市) 县(区) ...
生产记录(按日或变动记录) 圈舍号 时间 变动情况(数量) 存栏数 备注 出生 调入 调出 死淘 注:1、圈舍号:填写畜禽饲养的圈...
留守儿童心理健康辅导记录表 小学、初中、高中均适用 2015 年 心理辅导员: 龙易 辅导 对象 年级 性别 男 年龄 辅导 时间 2...

