溧水区东屏镇芦家边拆迁安置房一期项目工程 监理安全巡检记录表南京平川工程项目管理有限公司监理安全巡检记录表检查类型:定期安全检查 ...
土方开挖工程监理平行检验记录表(GB50202-2025)表 6、2、4 编号:010101□□□工程名称分项工程名称项目经理施工单位验收部位施工执行标准...
罗尾--牌楼--康绪 110KV 线路安装工程监理安全巡视检查记录表记录人: 审核人:监理安全巡视检查登记表工程名称:罗尾-牌楼-康绪 110kv...
江西省恒信建设工程监理咨询有限公司 联合安全大检查记录表工程名称: 检查日期: 编号:联合检查单位及成员检查情况及存在隐患: 整改...
F o r p ers o n a l use only i n stud y a n d r ese a rch; n o t f o r me r c i ...
班组班前活动记录表工程名称班组名称参加人数作业部位工作内容安全措施及注意事项班组长签字记录人活动日期 年 月 日安 全 检 查 记...
班级消毒记录本( 年级)五里营小学班级消毒记录表班级 (2025-2025 学年第二学期)第 周消毒物品消毒方法消毒时间责任人签字星期星期桌...
特别群体学生帮扶记录帮扶老师帮扶时间帮扶地点帮扶对象班级类型□留守 □单亲 □外来务工家庭情况存在问题帮扶措施帮扶内容帮扶效果龙泉...
沙溪小学学校“特别问题学生”追踪辅导记录表 档案编号______姓名区志鹏性别男年龄8班级3 02家长姓名区浩池住址沙溪路西横二巷3 号联...
每月消防设施维护保养登记表银城花园 2025 年 7 月消防设施维护保养登记表维护保养人署名: 现场负责人署名: 年 月 日 维护保养...
学校校本培训活动记录表观看视频----师者做更好的自己活动时间2015 年 9 月 3 日活动地点会议室活动主题观看视频----师者做更好的自己...
建筑物沉降观测测量记录 编号:DLMJT C-001工程名称美景天城基坑支护沉降观测水准点编号M1 - M16水准点所在位置4 号家属楼水准点高程...
JL072 水泥密度、细度、烧失量检测记录表工程名称: 检测人: 委托单位: 记录人: 样品编号: 计算人: 环境条件: 温度 ℃、相对...
工程质量监督检查记录1施工单位质量行为检查检查结果1、1施工承包合同法律规范、清楚。所承担得施工项目与本单位资质相符。1、2项目经理与...
水利工程监理安全巡检记录表检查类型:安全检查 编号:施工单位监理单位工程名称检查部位检查记录: 处理情况:检查人:日期: 年 月 ...
扬 尘 污 染 控 制各 类 登 记 台 账 目 录标 力 建 设 集 团 有 限 公 司龙 溪 水 岸 四 期 项 目 部目 录...
检查科消毒用品有效性监测登记表浸泡容器 日期2025mg/L 有 效氯浸泡玻片桶2025mg/L 有 效氯浸泡枪头桶10% 84 消毒液浸泡生化杯桶2%...
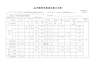
208 号 旋 挖 孔 桩 成 孔 施 工 记 录GD2301018□□单 位 ( 子 单 位 ) 工 程 名 称 : 广 州 市 轨 道 交...
格拉斯哥昏迷评重量表(Glasgow coma scale,GCS)姓名 科室 年龄 入院日期 住院号GCS 涉及睁眼反映、语言反映、运动反映 3 个项目...
中学留守儿童帮扶记录表 七年级(3)班辅导教师 辅导时间 2012 年 4月 10 日辅导地点留守儿童之家辅导学生刘磊学生存在问题学生英语...

