预应力混凝土连续梁桥结构设计第一章绪论第一节桥梁设计的基本原则和要求一、使用上的要求桥梁必须适用。要有足够的承载和泄洪能力,能保证...
预应力混凝土管桩静压施工规程
递预 (一)填空题1. 先张法构件的预应力总损失至少应取,后强法构件的预应力总损失至少应取。2. 预应力混凝土中,混凝土的强度等级一般...
预应力混凝土管桩施工工艺1 前言预应力混凝土管桩是一种打入土中,横截面尺寸比其长度小得多的管状细长构件,管桩的上部与承台( 梁) 联...
sunshinesunshine预应力混凝土管桩螺纹机械快速连接接头技术Pipe Pile Thread Mechanical Connection Construction ...
预应力混凝土结构施工质量控制研究【摘要】预应力混凝土可显著提高混凝土相关构件的强度及稳定性,大大延长工程使用寿命, 尤其在公路桥梁...
预应力混凝土管桩施工方案( 最终版 ) 新建郑阜铁路站前工程ZFZQ-02 标预应力混凝土管桩施工方案I 目录1、编制依据 ....................
预应力混凝土管桩工程施工方案预应力砼管桩工程施工方案编制单位:南通四建集团有限公司审核单位:审批单位:日期 : 二 0 一 七 年...
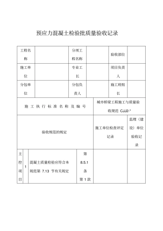
预应力混凝土检验批质量验收记录工程名称分项工程名称验收部位施工单位专业工长项目负责人分包单位分包负责人施工班组长施 工 执 行 标...
预应力混凝土管桩施工技术交底一: 打桩前应完成下列准备工作:1: 认真检查打桩设备各部分的性能,以保证正常运作;2. 除按本规程第 3 ...
仅供参考 [整理 ] 第 1 页 共 8 页安全管理文书预应力混凝土管桩工程事故应急预案日期: __________________单位: ____________...
预应力混凝土叠合板生产、施工实践江中明顾西平马昌云(南京大地建设(集团)股份有限公司)[ 摘要] 预应力混凝土叠合板具有节约造价,提...
预应力混凝土应力分析摘要:预应力结构在现代工程中应用越来越广泛,控制预应力结构的应力损失,使预应力结构充分发挥节能、高效的特点,对...
预应力混凝土框架梁施工质量控制措施摘要: 本文结合笔者多年建筑工程施工实践经验,从施工方案的审查、 预应力原材料的质量控制、模板预...
预应力混凝土先张法空心板梁施工技术方案页脚内容 1东北师范大学连山实验高中地基及基础工程预应力混凝土实心方桩安全专项施工方案辽宁冶...
实 用 文 档1 水平向预应力技术应用于地上矩形混凝土水池混凝土矩形水池在石化系统应用较多。以往的混凝土地上水池, 凡长度超过 18m...
目次前言⋯⋯⋯⋯⋯⋯⋯⋯⋯⋯⋯⋯⋯⋯⋯⋯⋯⋯⋯⋯⋯⋯⋯⋯⋯⋯⋯⋯⋯⋯⋯⋯⋯⋯⋯⋯II 1围⋯⋯⋯⋯⋯⋯⋯⋯⋯⋯⋯⋯⋯⋯⋯⋯⋯⋯⋯⋯⋯...
预应力混凝土大板结构设计随着房地产业的发展,高层住宅日益增多,而建筑层高的限制和建筑设计的多样化, 使普通的梁板结构体系无法适应建...
预应力框架梁 (YKL2)的计算书1. 设计资料1.混凝土强度等级:40C219.1/cfNmm22.39/tkfNmm21.71/tfNmm240/cufNmm423.25 10/cENmm2.钢筋1)....
桥面负弯矩张拉施工工艺一、桥面负弯矩后张法张拉工艺原理在混凝土结构施工时,按设计要求预留出相应的预应力孔道,待构件混凝土的强度、弹...

