SVPWM逆变器
班级:电气 课 题:SPW M 全桥逆变器主功率电路设计 1 SPWM 全桥逆变器主功率电路设计 一.设计目的 通过电力电子技术的学习,熟...
Copy right IDS 安装手册 SOLO 500 光伏逆变器 版本 1.0 2 Copyright IDS 1 SOLO 500 数据手册 类型 / 型号 SOLO 500...
PWM逆变器双环控制
CGC 北京鉴衡认证中心认证技术规范 CGC/GF004:2011 (CNCA/CTSXXXX-XXXX) 并网光伏发电专用逆变器技术条件 Technical Specification...
內文目錄 2009 年第 3 季開始太陽能逆變器出貨遞延於 2010 年下半已好轉 主要電力電子元件缺料 全球太陽能逆變器供給狀況 太陽能...
3.3 单相并网逆变器的低谐波调制方法改进设计 逆变器的主要使用目的是实现从直流电到交流电的转变过程,它的工作过程是利用不同的 PWM ...
SHEPWM 控制的电压源型逆变器的仿真研究摘要:逆变器是当前应用广泛的变压变频装置,其控制的优劣直接影响到逆变器的输出,从而影响到负载...
SIMOVERTMasterDrives矢量型装机装柜型逆变器选型指南
SG系列光伏并网逆变器选型手册
60W 逆变器设计摘 要 随着科学技术的进步,逆变技术得到了快速发展,逆变器是一种应用功率型的半导体器件,能够把直流电能转变成交流电...
1k5KAV逆变器说明书V4.0
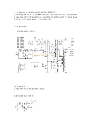
12V 逆变器(直流12V 转交流220 逆变器)的原理及制作过程 这里介绍的逆变器(见图)主要由MOS 场效应管,普通电源变压器构成。其输出功...
第 1 页 共 7 页 串联谐振逆变器的功率调节方式 1 引言 由图1 可以得出逆变器的输出功率表达式(0.1),可以看出在负载一定的情况...
应天职业技术学院机电工程系毕业设计报告课题名称家用电源逆变器设计作者张涵婷专业电力系统自动化技术(供用电技术)班级学号供电 091 0...
PWM逆变器双环控制
12V 变 220V 逆变器 2010-09-06 22:44 自制12V 转交流220V 逆变器 -----------------------------------------------------------...
10kW 光伏并网逆变器 操作手册 (型号. GSS10K-DH) (版本 1 .0 ) 北京格林科电技术有限公司 北京市海淀区高梁桥斜街19 号 15 ...
100kw光伏并网逆变器中文操作手册
这个机器,BT 是12V,也可以是24V,12V 时我的目标是800W,力争1000W ,整体结构是学习了钟工的3000W 机器,也是下面一个大散热板,上面...

