逆变器(inverter)是把直流电能(电池、蓄电瓶)转变成交流电(一般为220v50HZ 正弦或方波)。应急电源,一般是把直流电瓶逆变成 220V ...
1 滤波特性分析 输出滤波方式通常可分为:L 型、LC 型和 LCL 型, 滤波方式的特点比较如下: (1)中的单 L 型滤波器为一阶环节,...
逆变器电路大全 逆变电源,逆变器
光伏逆变器 检验方法 浙江德胜新能源科技股份有限公司 一、技术要求 1. 1 环境条件 1.1.1 正常使用条件 环境温度:一 5℃一+40'C;...
一 逆 变 器 原 理 介 绍 1.1 逆 变 ( invertion): 把 直 流 电 转 变 成 交 流 电 的 过 程 。 逆 变 电...
合同编号: OA 编号: 分布式并网光伏电站项目 逆变器设备(500KW ) 技术规范书 买方:、、、、、、、、、、、、、、、、、、、、...
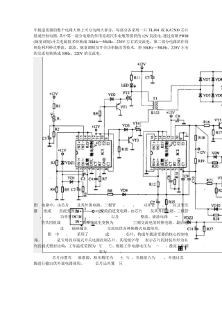
车载逆变器的整个电路大体上可分为两大部分,每部分各采用一只 TL494 或 KA7500 芯片组成控制电路,其中第一部分电路的作用是将汽车电...
招专业人才 上一览英才 一览英才网 是基于行业垂直细分和区域横向细分的网络招聘网站平台,国内各行业各地区首选求职招聘网站平台! 逆...
光伏逆变器 检验方法 浙江德胜新能源科技股份有限公司 一、技术要求 1. 1 环境条件 1.1.1 正常使用条件 环境温度:一 5℃一+40'C;...
1 光伏并网逆变器说明书 型号:BNSG-2KTL 阅读后请妥善保管 ●在你开始操作之前请你仔细阅读并了 解安全注意事项 ●保存手册在手边,...
逆变器LC滤波器设计
车载逆变器的设计与实现
车载逆变器电路图及故障维修经验 一 市场上常见款式车载逆变器产品的主要指标 输入电压:DC 10V~14.5V;输出电压:AC 200V~220V±10...
下载后可任意编辑华为光伏项目多样性场景挑战及分析挑战一:更易引起安全性问题农光互补电站中,农作物在电站下种植。在具体的生长作业中会...
Product Manual DC TO AC Power Inverter CONTENTS Safety First 1. Introduction 2. Installation Guidelines 3. Using ...
级联型多电平逆变器的功率均衡控制策略
合同编号:签订时间:2024 年 月 日签订地点:下载后可任意编辑光伏发电并网逆变器购销合同下载后可任意编辑购买方(甲方): 供应方(...
农流接融器〔负贵与电路连接与脱初(逆变母线部分〔负责将直流转换成交流歸0(直流轴入奇上三臨输入mu等信号接口:融器眠合-0uau00"匸,—,,...
1.1 简介: 新能源不间断供电系统是集太阳能、风能、市电、电池储能、柴油发电为一体的多元化不间断供电系统。 2.1 应用领域:光电屋顶...
并网光伏逆变器认证标准

