电脑桌面
添加小米粒文库到电脑桌面
安装后可以在桌面快捷访问

逆变器原理图框图VIP免费

逆变器原理图框图_第1页
1/8
逆变器原理图框图_第2页
2/8
逆变器原理图框图_第3页
3/8
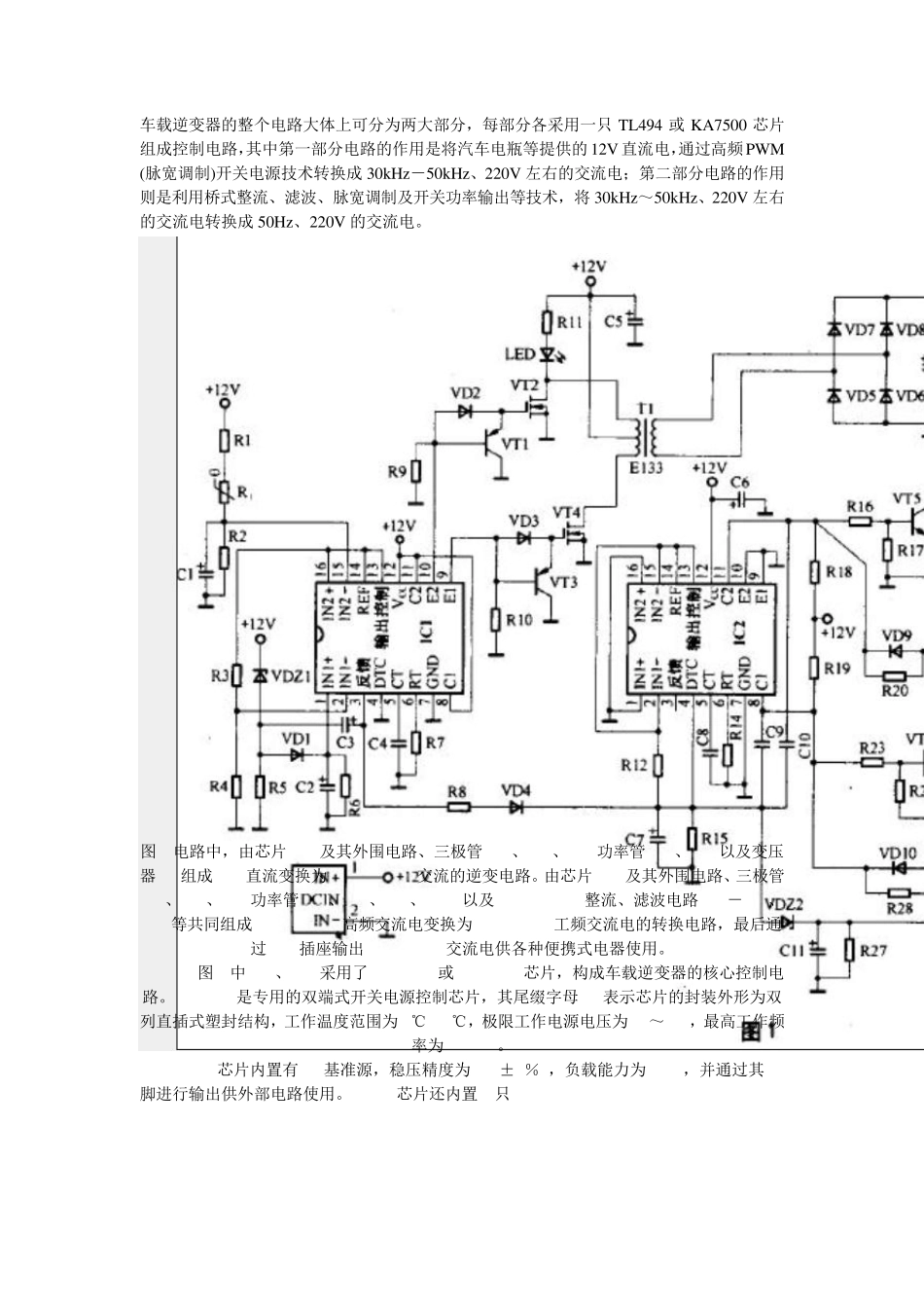
车载逆变器的整个电路大体上可分为两大部分,每部分各采用一只 TL494 或 KA7500 芯片组成控制电路,其中第一部分电路的作用是将汽车电瓶等提供的 12V 直流电,通过高频PWM (脉宽调制)开关电源技术转换成 30kHz-50kHz、220V 左右的交流电;第二部分电路的作用则是利用桥式整流、滤波、脉宽调制及开关功率输出等技术,将 30kHz~50kHz、220V 左右的交流电转换成 50Hz、220V 的交流电。 图 1电路中,由芯片 IC1及其外围电路、三极管 VT1、VT3、MOS功率管 VT2、VT4以及变压器 T1组成 12V直流变换为 220V/50kHz交流的逆变电路。由芯片 IC2及其外围电路、三极管VT5、VT8、MOS功率管 VT6、VT7、VT9、VT10以及 220V/50kHz整流、滤波电路 VD5-VD8、C12等共同组成 220V/50kHz高频交流电变换为 220V/50Hz工频交流电的转换电路,最后通过 XAC插座输出 220V/50Hz交流电供各种便携式电器使用。 图 1中 IC1、IC2采用了 TL494CN(或 KA7500C)芯片,构成车载逆变器的核心控制电路。TL494CN是专用的双端式开关电源控制芯片,其尾缀字母 CN表示芯片的封装外形为双列直插式塑封结构,工作温度范围为 0℃-70℃,极限工作电源电压为 7V~40V,最高工作频率为 300kHz。 TL494芯片内置有 5V基准源,稳压精度为 5 V±5% ,负载能力为 10mA,并通过其 14脚进行输出供外部电路使用。TL494芯片还内置 2只 NPN 图二 本逆变器输入端为汽车蓄电池(+12V,4.5Ah),输出端为工频方波电压(50Hz,220V)。其系统主电路和控制电路框图如图1 所示,采用了典型的二级变换,即DC/DC 变换和DC/AC逆变。12V 直流电压通过推挽式变换逆变为高频方波,经高频升压变压器升压,再整流滤波得到一个稳定的约320V 直流电压;然后再由桥式变换以方波逆变的方式,将稳定的直流电压逆变成有效值稍大于220V 的方波电压,以驱动负载。为保证系统的可靠运行,分别采集了DC 高压侧电压信号、电流信号及蓄电池电压信号,送入SG3525A,通过调整驱动脉冲的占空比或关断脉冲来实现电压调节、过流保护及欠压保护等功能。 图1 系统主电路和控制电路框图 主要技术参数 输入电压:DC 12V; 输出电压:AC 220V±5%,50Hz±2%; 额定功率:100W; 保护功能:输入直流极性接反保护,输入欠压保护,输出过流保护。 电路设计 1 主控芯片SG3525A SG3525A 是 ST 公司生产的脉冲宽度调制器控制集成电路,具有集成基准电压,振荡器同步,软启动时间控制,...

1、当您付费下载文档后,您只拥有了使用权限,并不意味着购买了版权,文档只能用于自身使用,不得用于其他商业用途(如 [转卖]进行直接盈利或[编辑后售卖]进行间接盈利)。
2、本站所有内容均由合作方或网友上传,本站不对文档的完整性、权威性及其观点立场正确性做任何保证或承诺!文档内容仅供研究参考,付费前请自行鉴别。
3、如文档内容存在违规,或者侵犯商业秘密、侵犯著作权等,请点击“违规举报”。

碎片内容

逆变器原理图框图

确认删除?
VIP
微信客服
  • 扫码咨询
会员Q群
  • 会员专属群点击这里加入QQ群
客服邮箱
回到顶部