XX 市引滦入津 XX 工程施工技术总结 XX 引滦入津工程项目部年 月新建州河暗渠工程施工技术总结一、工程概况XX 工程 CY2 标,全长...
泄洪渠(明渠、暗渠)设计合同技术协议 一.技术要求1.1 明渠、暗渠的选择及界限划分乙方应根据甲方提供的规划地形图中渠道的位置并结合现...
监理招标文件备案表项目名称:星海湾金融商务区排水工程暗渠施工监理 项目编号:BFZB-2025- JL -02 负责人签字 黄其波 编制人签字 ...
xx 市 xx 水源保护工程新建 xx 暗渠工程防洪涵闸工程施工方案xx 市水利工程有限公司一、分部工程概况 本分部工程为 xx 节制闸工程...
监理招标文件备案表项目名称:星海湾金融商务区排水工程暗渠施工监理 项目编号:BFZB-2025- JL -02 负责人签字 黄其波 编制人签字 ...
暗渠清淤改造工程进度保证措施暗渠清淤改造工程进度保证措施(1)组织措施 1.1 本工程列为我公司重点工程,为确保工程质量、目标工期、文...
暗渠清淤改造工程安全管理措施a、三级安全教育培训率为 100%;b、安全检查覆盖率 100%;c、安全事故处理率为 100%;d、杜绝死亡事故;e、...
暗渠清淤改造工程质量保证措施2、质量管理体系3、质量管理依据(1)工程施工验收法律规范。(2)工程强制性标准条文。(3)市政工程质量检...
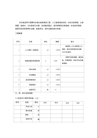
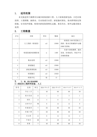
1.适用范围本交底适用于湘潭市长城乡暗渠清淤工程。人工暗渠清淤包括:白色垃圾清理、土袋围堰、抽排水、引水渠或引水管、淤泥临时固化、渠...
xxxx 侧土石方、护坡、排洪沟工程管涵专项施工方案施工单位:xxxxx 工程有限公司日期:年月日目 录第一章工程概况1.1 工程概况 2 第...
营口市公用事业局自来水渠施工方案 1 一. 工程概况 1 . 工程简介 (1)本工程为自来水工程暗渠,采用钢筋混凝土渠箱结构,断面尺寸...
1. 适用范围本交底适用于湘潭市长城乡暗渠清淤工程。人工暗渠清淤包括:白色垃圾清理、土袋围堰、抽排水、引水渠或引水管、淤泥临时固化、...
第 1 页,共 14页XXXX 污水处理厂工程消力池及出水暗渠施工组织设计1.编制依据1.1《xxxx 污水处理厂工程出水管线暗渠结构图施工设计...
下载后可任意编辑东河贯穿沟暗渠施工项目施工组织设计方案12024 年 5 月 29 日下载后可任意编辑22024 年 5 月 29 日下载后可任意...
下载后可任意编辑镜铁山二级水电站引水暗渠工程施工技术方案 批准 日期 审核 日期 编制 日期 甘肃省水利水电工程局镜铁山水电站工程...
七监理大纲本 监 理 大 纲 是 我 公 司 依 据 相 关 的 法 律 法 规 、规 范 、标 准 和 我 公司 的 监 理 经...
1 深圳市水务工程暗涵、暗渠等有限空间安全施工作业指引(试行) 第一章 总 则 第一条 为加强深圳市水务工程暗涵、暗渠等有限空间作...
1 .编制说明1.1 编制依据(1)《排水管道改造一期工程(第一批)雨、污水排水设施改造工程施工图》;(2)《管线改迁施工图》;(3)《市政排水管...
本交底适用于湘潭市长城乡暗渠清淤工程。人工暗渠清淤包括:白色垃圾清理、土袋围堰、抽排水、引水渠或引水管、淤泥临时固化、渠内照明防瓦...
.精选范本xxxx侧土石方、护坡、排洪沟工程管涵专项施工方案施工单位:xxxxx工程有限公司日期:年月日.精选范本目录第一章工程概况1.1工程概...

