电脑桌面
添加小米粒文库到电脑桌面
安装后可以在桌面快捷访问

暗渠清淤专项施工方案交底VIP专享

暗渠清淤专项施工方案交底_第1页
1/16
暗渠清淤专项施工方案交底_第2页
2/16
暗渠清淤专项施工方案交底_第3页
3/16
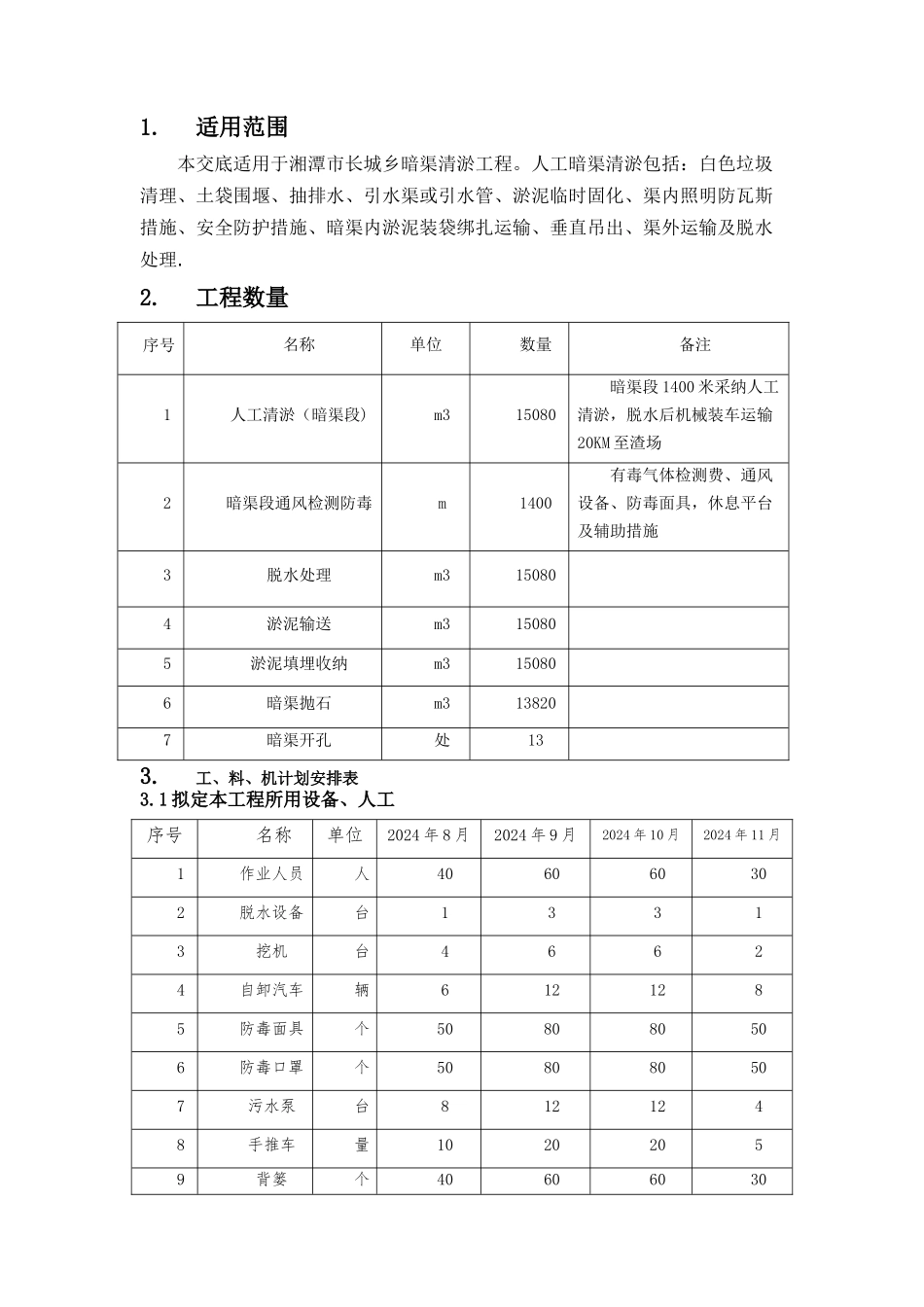
1.适用范围本交底适用于湘潭市长城乡暗渠清淤工程。人工暗渠清淤包括:白色垃圾清理、土袋围堰、抽排水、引水渠或引水管、淤泥临时固化、渠内照明防瓦斯措施、安全防护措施、暗渠内淤泥装袋绑扎运输、垂直吊出、渠外运输及脱水处理.2.工程数量序号名称单位数量备注1人工清淤(暗渠段)m315080 暗渠段 1400 米采纳人工清淤,脱水后机械装车运输20KM 至渣场2暗渠段通风检测防毒m1400 有毒气体检测费、通风设备、防毒面具,休息平台及辅助措施3脱水处理m3150804淤泥输送m3150805淤泥填埋收纳m3150806暗渠抛石m3138207暗渠开孔处13 3.工、料、机计划安排表3.1 拟定本工程所用设备、人工序号名称单位2024 年 8 月2024 年 9 月2024 年 10 月2024 年 11 月1作业人员人406060302脱水设备台13313挖机台46624自卸汽车辆6121285防毒面具个508080506防毒口罩个508080507污水泵台8121248手推车量10202059背篓个4060603010发电机台444411气体检测仪个266212铁锹把2040402013通风机台266214伸缩式铝合金梯座388215正压式空气呼吸器个444416备用气瓶个444417低压变压器个222218LED 防爆灯个151515153。4 临建工程3.4。2 弃渣场地的选择渠道中上游 K0+440—K1+300 约 860 米范围污泥采纳污泥填埋处理,渠道其他段污泥采纳制砖进行资源化利用。具体填埋位置及堆放场地以业主意见或城市管理局指定弃土场为准,避开造成二次污染。3。4。3 材料堆放场地沟渠附近设置 A、B、C 三处作为淤泥外运、围堰用土运入运出及施工所需材料的临时堆放场地(淤泥干化场);场地采纳 20cm 厚防渗混凝土硬化,周边设置截水沟收集淤泥渗沥液至滤液池后集中处理;A、B 场地作为淤泥临时堆放点,再转运至 C 淤泥干化场采纳脱水机械设备脱水后外运至业主或城市管理局指定弃土场.临时堆放场地(淤泥干化场)一览表场地编号具体位置所占面积截水沟长涉及范围AK0+240 右30m950m260m上游暗渠及 K0+000—K0+500段BK1+000 左20m1693m2100mK0+500-K1+190 段CK2+120 左40m7227m2130mK1+190-K2+671 段材料范围包括:人工挖土方(顶管、截污管)、混凝土、钢筋、片石、卵石、袋装围堰、淤泥、砍树、清表土、预制块、管道、模板及管架扣件等施工进出场所需材料。4.施工工艺4。1 施工工艺为便于暗渠内淤泥清运,先于暗渠进口处设置土袋围堰并每隔 30m 设置一道围堰,围堰宽度等于渠道宽度,每个区域采纳 3—4 道围堰(2—3 个工作段),围堰内 2 个工作段范...

1、当您付费下载文档后,您只拥有了使用权限,并不意味着购买了版权,文档只能用于自身使用,不得用于其他商业用途(如 [转卖]进行直接盈利或[编辑后售卖]进行间接盈利)。
2、本站所有内容均由合作方或网友上传,本站不对文档的完整性、权威性及其观点立场正确性做任何保证或承诺!文档内容仅供研究参考,付费前请自行鉴别。
3、如文档内容存在违规,或者侵犯商业秘密、侵犯著作权等,请点击“违规举报”。

碎片内容

暗渠清淤专项施工方案交底

领读文化+ 关注
实名认证
内容提供者

传播文化,铸就未来

确认删除?
VIP
微信客服
  • 扫码咨询
会员Q群
  • 会员专属群点击这里加入QQ群
客服邮箱
回到顶部